Części
Maszyny
Kontakt
Home
Maszyny
Szlifierki kątowe
DeWalt
Szlifierka kątowa
D28139-Type-3 -
Szlifierka kątowa DeWalt
100%
Poz:
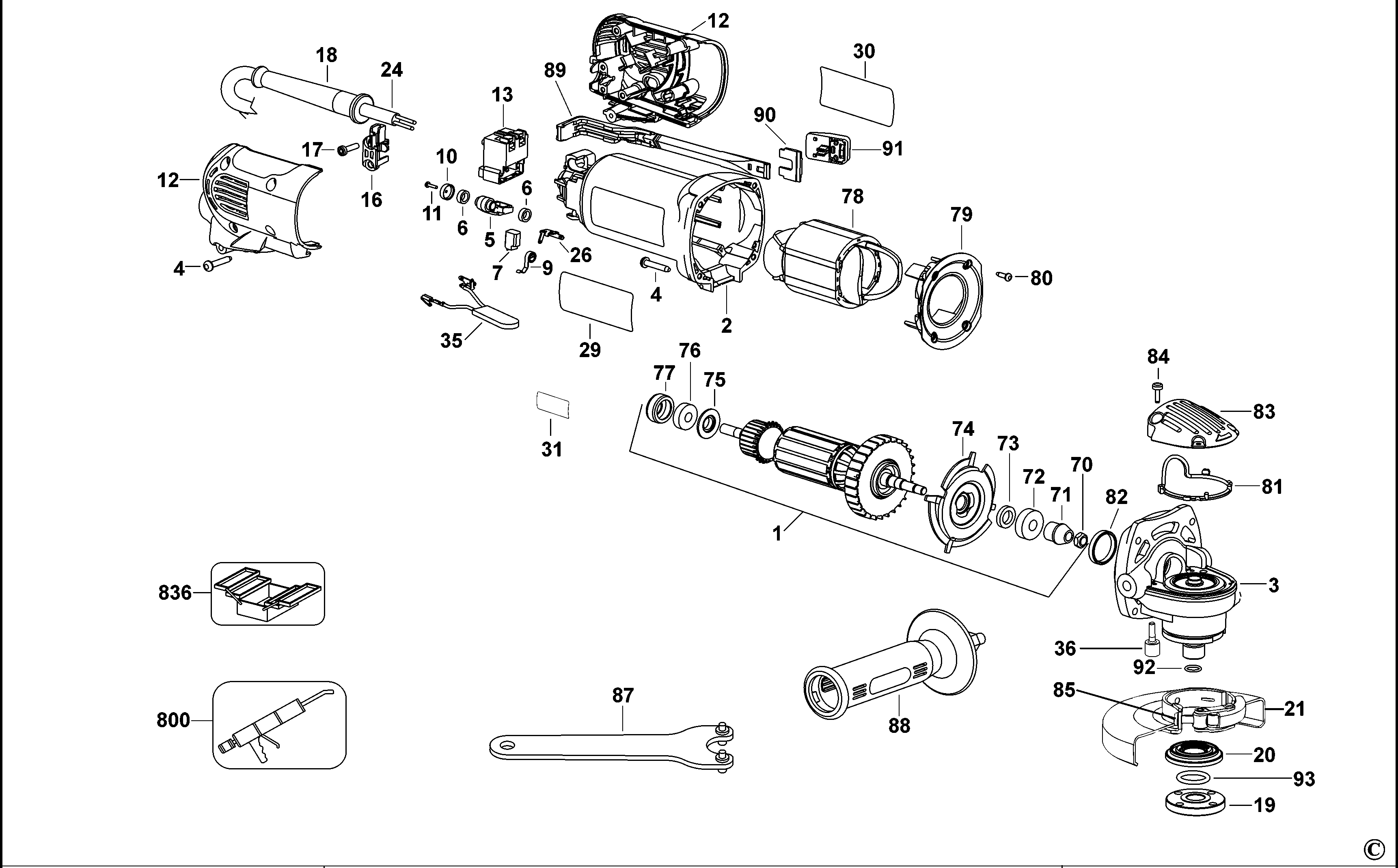
1
2
3
4
5
6
7
9
10
11
12
13
16
17
18
18
19
20
21
24
26
29
30
35
36
70
71
72
73
74
75
76
77
78
79
80
81
82
83
84
85
87
88
89
90
91
92
93
800
836
50 części
Sortuj
Poz.
Nr kat.
Nazwa
Cena brutto
Ilość
Zamów
1
623584-16
Twornik 230V
Zapytaj
1 szt.
—
2
650994-00
Skrzynka Pola
27,00 zł
1 szt.
—
3
N074217
Skrzynka Przekładni - Podzespół
123,00 zł
1 szt.
—
4
330065-31
Śruba Plastikowa
7,00 zł
1 szt.
—
5
648743-00
Ramię
12,00 zł
1 szt.
—
6
623592-00
Uszczelnienie Filcowe
7,00 zł
1 szt.
—
7
1003860-00
Szczotka Pair 230V
32,00 zł
1 szt.
—
9
623589-00
Sprężyna Szczotki
7,00 zł
1 szt.
—
10
623591-00
Osłona Szczotki
7,00 zł
1 szt.
—
11
593685-00
Śruba
7,00 zł
1 szt.
—
12
625243-05
Uchwyt - Podzespół
Zapytaj
1 szt.
—
13
641889-01
Wyłącznik - Podzespół
27,00 zł
1 szt.
—
16
636963-00
Zacisk Przewodu
7,00 zł
1 szt.
—
17
330019-03
Śruba
7,00 zł
1 szt.
—
18
N542553
Osłona Przewodu
Zapytaj
1 szt.
—
18
N918736
Osłona Przewodu
7,00 zł
1 szt.
—
19
622613-02
Nakrętka Zewnętrzna
24,00 zł
1 szt.
—
20
633257-00SV
Pierścień Wewnętrzny Sa
21,00 zł
1 szt.
—
21
N042080
Osłona - Podzespół
32,00 zł
1 szt.
—
24
562226-59
Cordset (Euro)
32,00 zł
1 szt.
—
26
623593-00
Zacisk
7,00 zł
1 szt.
—
29
N029918
Tabliczka Znamionowa
Zapytaj
1 szt.
—
30
635892-00
Etykieta Towarowa
Zapytaj
1 szt.
—
35
637543-00
Zwężka - Podzespół
16,00 zł
1 szt.
—
36
N033051
Śruba
7,00 zł
1 szt.
—
70
604484-00
Nakrętka
7,00 zł
1 szt.
—
71
623564-00
Wałek Zębaty
34,00 zł
1 szt.
—
72
605040-67
Łożysko
12,00 zł
1 szt.
—
73
623617-00
Uszczelnienie Filcowe
7,00 zł
1 szt.
—
74
N422242
Ustalacz
9,00 zł
1 szt.
—
75
623613-00
Podkładka
7,00 zł
1 szt.
—
76
605040-02
Łożysko
14,00 zł
1 szt.
—
77
641823-00
Tuleja
7,00 zł
1 szt.
—
78
624764-04
Stojan 230V
Zapytaj
1 szt.
—
79
650997-00
Baffle Fan
Zapytaj
1 szt.
—
80
330065-25
Śruba
7,00 zł
1 szt.
—
81
623618-00
Uszczelnienie
9,00 zł
1 szt.
—
82
611492-00
Tuleja
7,00 zł
1 szt.
—
83
623562-00
Pokrywa Skrzynki Przekładni
Zapytaj
1 szt.
—
84
385676-01
Śruba
7,00 zł
1 szt.
—
85
631609-03
Śruba
7,00 zł
1 szt.
—
87
401680-00
Klucz
18,00 zł
1 szt.
—
88
N401305
Uchwyt Boczny
21,00 zł
1 szt.
—
89
626999-00
Łącznik
9,00 zł
1 szt.
—
90
644326-00
Blokada Prętem
7,00 zł
1 szt.
—
91
623608-00
Przycisk Start
7,00 zł
1 szt.
—
92
633045-00
O-Ring
7,00 zł
1 szt.
—
93
633043-00
O-Ring
7,00 zł
1 szt.
—
800
583534-00
Smar
992,00 zł
1 szt.
—
836
233804-36
Napęd
Zapytaj
1 szt.
—