Części
Maszyny
Kontakt
Home
Maszyny
Szlifierki kątowe
DeWalt
Szlifierka kątowa
MWA67-Type-2 -
Szlifierka kątowa DeWalt
100%
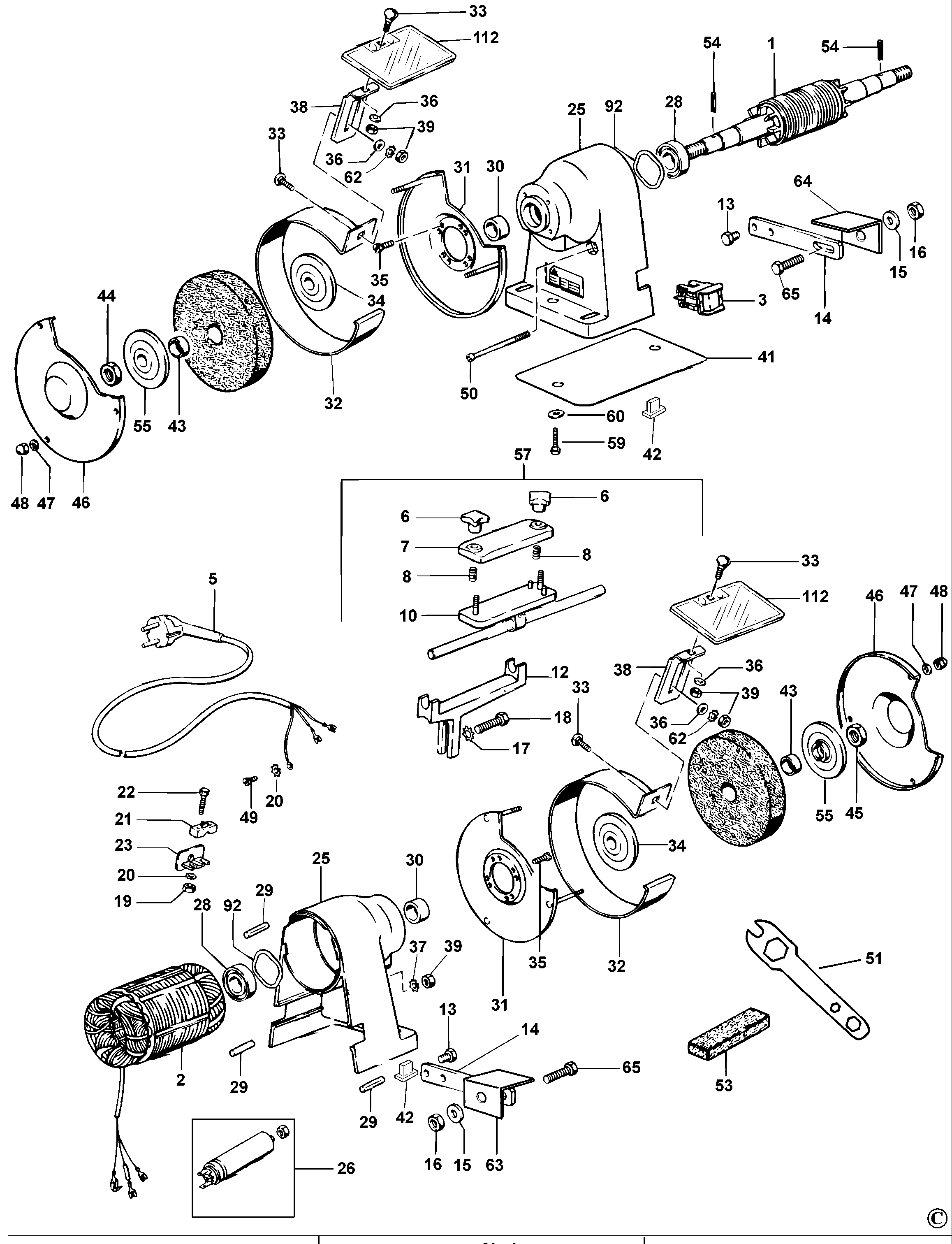
Poz:
1
2
3
5
6
7
8
10
12
13
14
15
16
17
18
19
20
21
22
23
25
26
28
29
30
31
32
33
34
35
36
37
38
39
41
42
43
44
45
46
47
48
49
50
51
53
54
55
57
59
60
62
63
64
65
92
112
57 części
Sortuj
Poz.
Nr kat.
Nazwa
Cena brutto
Ilość
Zamów
1
378881
Wirnik
170,00 zł
1 szt.
—
2
378891
Stojan
560,00 zł
1 szt.
—
3
378787-03
Wyłącznik
Zapytaj
1 szt.
—
5
378893-03
Cordset (Euro)
57,00 zł
1 szt.
—
6
744324
Gałka - Podzespół
Zapytaj
1 szt.
—
7
744231
Pas
69,00 zł
1 szt.
—
8
742243
Sprężyna
7,00 zł
1 szt.
—
10
744232
Podpora
Zapytaj
1 szt.
—
12
744230
Uchwyt
Zapytaj
1 szt.
—
13
378908
Śruba
Zapytaj
1 szt.
—
14
744234
Podpora
24,00 zł
1 szt.
—
15
742172
Podkładka
Zapytaj
1 szt.
—
16
725187
Nakrętka
7,00 zł
1 szt.
—
17
742046
Podkładka M8
Zapytaj
1 szt.
—
18
742047
Śruba
Zapytaj
1 szt.
—
19
725698
Nakrętka
Zapytaj
1 szt.
—
20
725163
Podkładka
Zapytaj
1 szt.
—
21
379684
Zacisk Przewodu
Zapytaj
1 szt.
—
22
742041
Śruba
Zapytaj
1 szt.
—
23
742125
Zacisk Przewodu
Zapytaj
1 szt.
—
25
378791-20
Osłona
224,00 zł
1 szt.
—
26
378892
Kondensator
38,00 zł
1 szt.
—
28
107301
Łożysko
32,00 zł
1 szt.
—
29
742168
Kołek
Zapytaj
1 szt.
—
30
742153
Panew
Zapytaj
1 szt.
—
31
744236
Płyta
Zapytaj
1 szt.
—
32
744238
Osłona
Zapytaj
1 szt.
—
33
725184
Śruba
7,00 zł
1 szt.
—
34
742298
Zacisk
Zapytaj
1 szt.
—
35
378795-01
Śruba
Zapytaj
1 szt.
—
36
880391
Podkładka
7,00 zł
1 szt.
—
37
743415
Podkładka
Zapytaj
1 szt.
—
38
744188
Wspornik
24,00 zł
1 szt.
—
39
725125
Nakrętka
7,00 zł
1 szt.
—
41
378841
Płyta
24,00 zł
1 szt.
—
42
378738
Stopa
10,00 zł
1 szt.
—
43
742134
Panew
Zapytaj
1 szt.
—
44
742887
Nakrętka
Zapytaj
1 szt.
—
45
742140
Nakrętka Lewa
9,00 zł
1 szt.
—
46
744237
Osłona
Zapytaj
1 szt.
—
47
725269
Podkładka
Zapytaj
1 szt.
—
48
146823100
Lock-Nut
Zapytaj
1 szt.
—
49
378795-01
Śruba
Zapytaj
1 szt.
—
50
378907
Śruba
9,00 zł
1 szt.
—
51
742511
Klucz
Zapytaj
1 szt.
—
53
742240
Kamień
102,00 zł
1 szt.
—
54
742053
Kołek
Zapytaj
1 szt.
—
55
742066
Zacisk Zewnętrzny
27,00 zł
1 szt.
—
57
744253
Zacisk - Zestaw - Podzespół
306,00 zł
1 szt.
—
59
726430
Śruba
Zapytaj
1 szt.
—
60
725165
Podkładka
Zapytaj
1 szt.
—
62
742040
Podkładka
7,00 zł
1 szt.
—
63
379717
Podpora Prawa
18,00 zł
1 szt.
—
64
379718
Podpora Lewa
21,00 zł
1 szt.
—
65
379712
Śruba
Zapytaj
1 szt.
—
92
113933000
Podkładka
12,00 zł
1 szt.
—
112
742133
Osłona Przeciwsłoneczna
16,00 zł
1 szt.
—