Części
Maszyny
Kontakt
Home
Maszyny
Szlifierki kątowe
DeWalt
Szlifierka kątowa
DW871-Type-1 -
Szlifierka kątowa DeWalt
100%
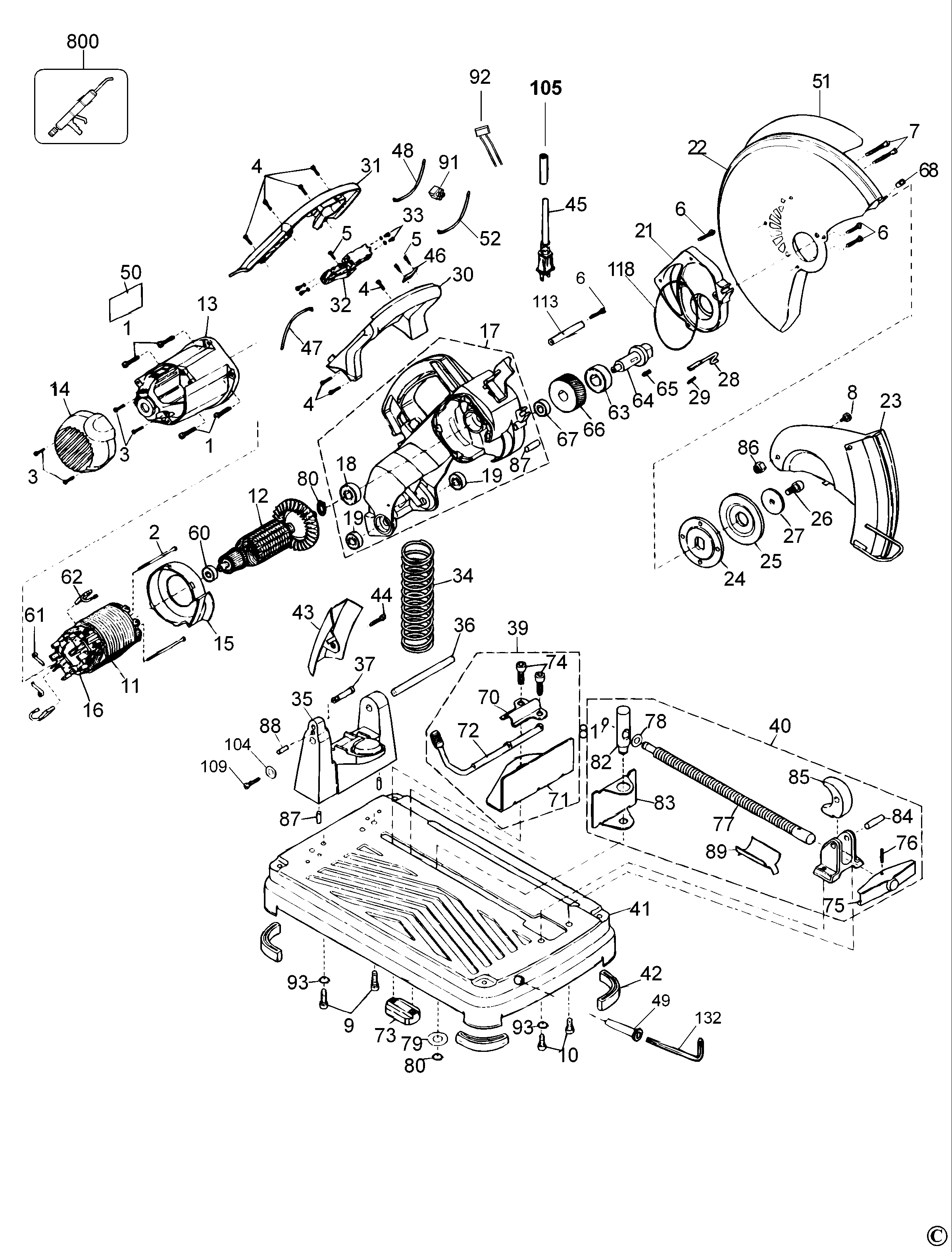
Poz:
1
2
3
4
5
6
7
8
9
10
11
12
13
14
15
16
17
18
19
21
22
23
24
25
26
27
28
29
30
31
32
33
34
35
36
37
39
40
41
42
43
44
45
46
47
48
49
50
51
52
60
61
62
63
64
65
66
67
68
70
71
72
73
74
75
76
77
78
79
80
81
82
83
84
85
86
87
88
89
91
92
93
104
105
109
113
118
132
800
89 części
Sortuj
Poz.
Nr kat.
Nazwa
Cena brutto
Ilość
Zamów
1
330045-16
Śruba
7,00 zł
1 szt.
—
2
330019-33
Śruba
7,00 zł
1 szt.
—
3
330019-13
Śruba
7,00 zł
1 szt.
—
4
330019-14
Śruba
7,00 zł
1 szt.
—
5
330019-02
Śruba
7,00 zł
1 szt.
—
6
330045-17
Śruba
16,00 zł
1 szt.
—
7
330045-20
Śruba
7,00 zł
1 szt.
—
8
384844-00
Śruba Special
8,00 zł
1 szt.
—
9
098123-25
Śruba
7,00 zł
1 szt.
—
10
098123-16
Śruba
7,00 zł
1 szt.
—
11
624158-01
Stojan 230V
Zapytaj
1 szt.
—
12
383652-09
Twornik 230V
Zapytaj
1 szt.
—
13
383151-02
Skrzynka Pola
51,00 zł
1 szt.
—
14
383155-00
Zakończenie
Zapytaj
1 szt.
—
15
383167-00
Przegroda
21,00 zł
1 szt.
—
16
383685-01
Płyta Szczotek - Podzespół
69,00 zł
1 szt.
—
17
386628-00
Skrzynka Przekładni - Podzespół
245,00 zł
1 szt.
—
18
868768-07
Łożysko
34,00 zł
1 szt.
—
19
330003-64
Łożysko
32,00 zł
1 szt.
—
21
383158-00
Pokrywa Skrzynki Przekładni - Podzespół
Zapytaj
1 szt.
—
22
386527-02
Osłona - Podzespół
Zapytaj
1 szt.
—
23
383175-00
Pokrywa Osłony
Zapytaj
1 szt.
—
24
607173-00
Pierścień Wewnętrzny
27,00 zł
1 szt.
—
25
382884-00
Zacisk Zewnętrzny
21,00 zł
1 szt.
—
26
383286-00
Śruba
7,00 zł
1 szt.
—
27
383246-00
Podkładka
Zapytaj
1 szt.
—
28
383966-00
Kołek Blokujący
Zapytaj
1 szt.
—
29
384716-00
Sprężyna
7,00 zł
1 szt.
—
30
383159-03
Pół Uchwyt
Zapytaj
1 szt.
—
31
383160-02
Uchwyt Pokrywy
Zapytaj
1 szt.
—
32
621514-02
Wyłącznik - Zestaw
102,00 zł
1 szt.
—
33
384127-01
Śruba
7,00 zł
1 szt.
—
34
387282-00
Sprężyna
27,00 zł
1 szt.
—
35
383168-00
Blok Osi Przegubu
Zapytaj
1 szt.
—
36
383118-00
Kołek
16,00 zł
1 szt.
—
37
383148-00
Kołek Blokujący
12,00 zł
1 szt.
—
39
384137-00
Prowadnica - Podzespół
123,00 zł
1 szt.
—
40
N510986
Szczęki Imadła
210,00 zł
1 szt.
—
41
382366-01
Podstawa
Zapytaj
1 szt.
—
42
383243-00
Stopa
8,00 zł
1 szt.
—
43
384159-00
Deflektor
Zapytaj
1 szt.
—
44
330045-23
Śruba
7,00 zł
1 szt.
—
45
330080-41
Przewód Zasilający
115,00 zł
1 szt.
—
46
386540-00
Zacisk Przewodu
7,00 zł
1 szt.
—
47
386465-00
Przewód
7,00 zł
1 szt.
—
48
386466-00
Przewód
7,00 zł
1 szt.
—
49
386765-00
Uchwyt Elektronarzędzia
9,00 zł
1 szt.
—
50
386652-01
Plakietka Z Nazwą
Zapytaj
1 szt.
—
51
384771-00
Etykieta
Zapytaj
1 szt.
—
52
386474-00
Przewód
Zapytaj
1 szt.
—
60
330003-17
Łożysko
Zapytaj
1 szt.
—
61
384612-00
Sprężyna
7,00 zł
1 szt.
—
62
384613-01
Szczotka
21,00 zł
1 szt.
—
63
330003-49
Łożysko
51,00 zł
1 szt.
—
64
382882-00
Wrzeciono
Zapytaj
1 szt.
—
65
382675-00
Klucz
7,00 zł
1 szt.
—
66
386277-00
Przekładnia
Zapytaj
1 szt.
—
67
605040-20
Łożysko
18,00 zł
1 szt.
—
68
386526-00
Ogranicznik Gumowy
7,00 zł
1 szt.
—
70
383253-00
Zacisk
Zapytaj
1 szt.
—
71
382677-00
Prowadnica
57,00 zł
1 szt.
—
72
382540-00
Dźwignia
32,00 zł
1 szt.
—
73
383254-00
Blok
27,00 zł
1 szt.
—
74
383450-00
Śruba
7,00 zł
1 szt.
—
75
383252-00
Ochwyt Blokady
15,00 zł
1 szt.
—
76
330036-08
Kołek
7,00 zł
1 szt.
—
77
395856-00
Pręt
69,00 zł
1 szt.
—
78
384365-00
Podkładka
7,00 zł
1 szt.
—
79
607592-00
Podkładka
7,00 zł
1 szt.
—
80
144803-00
Pierścień Sprężynujący
7,00 zł
1 szt.
—
81
383169-00
Pierścień Sprężynujący
7,00 zł
1 szt.
—
82
5140000-11
Kołek
Zapytaj
1 szt.
—
83
607278-00
Szczęki Imadła
27,00 zł
1 szt.
—
84
386525-01
Kołek
7,00 zł
1 szt.
—
85
383828-00
Urządzenie Blokujące
38,00 zł
1 szt.
—
86
148641-00
Nakrętka Blokady
7,00 zł
1 szt.
—
87
386525-00
Kołek
7,00 zł
1 szt.
—
88
033055-00
Wtyczka
7,00 zł
1 szt.
—
89
383451-00
Sanie
7,00 zł
1 szt.
—
91
320078-00
Blok Zacisku
7,00 zł
1 szt.
—
92
93585-11
Kondensator
Zapytaj
1 szt.
—
93
098197-09
Podkładka
7,00 zł
1 szt.
—
104
388354-00
Podkładka
7,00 zł
1 szt.
—
105
386491-00
Tuleja
27,00 zł
1 szt.
—
109
330045-49
Śruba
7,00 zł
1 szt.
—
113
391740-00
Dystans
Zapytaj
1 szt.
—
118
391485-00
O-Ring
7,00 zł
1 szt.
—
132
384717-00
Klucz
15,00 zł
1 szt.
—
800
286436-00
Smar
709,00 zł
1 szt.
—