Części
Maszyny
Kontakt
Home
Maszyny
Szlifierki kątowe
DeWalt
Szlifierka kątowa
WS24230A-Type-1 -
Szlifierka kątowa DeWalt
100%
Poz:
1
2
3
4
5
6
7
8
9
10
11
12
13
14
15
16
17
18
19
20
21
22
23
24
25
26
27
28
29
30
31
32
33
34
35
36
37
38
39
40
41
42
43
44
45
46
47
48
49
50
51
52
52 części
Sortuj
Poz.
Nr kat.
Nazwa
Cena brutto
Ilość
Zamów
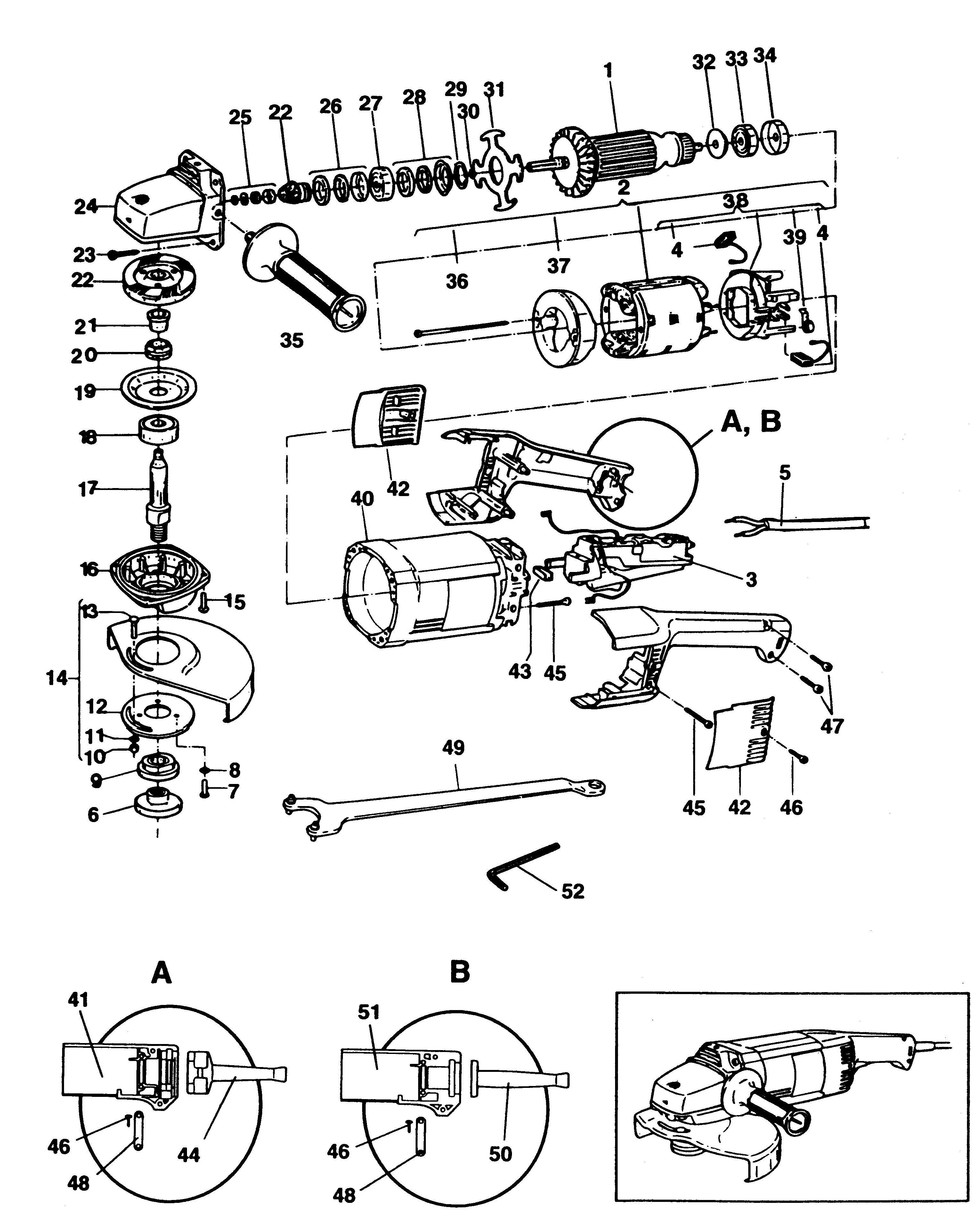
1
932206
Twornik
Zapytaj
1 szt.
—
2
940486
Pole
Zapytaj
1 szt.
—
3
949823-10
Włącznik Blokady
Zapytaj
1 szt.
—
4
940160-03
Szczotka Cut Off 230V
38,00 zł
1 szt.
—
5
930968-00
Przewód I Wtyczka
Zapytaj
1 szt.
—
6
931771
Kołnierz
51,00 zł
1 szt.
—
7
869076-00
Śruba
7,00 zł
1 szt.
—
8
932369
Podkładka
Zapytaj
1 szt.
—
9
930927
Kołnierz
Zapytaj
1 szt.
—
10
860083-03
Nakrętka
7,00 zł
1 szt.
—
11
930925
Podkładka
Zapytaj
1 szt.
—
12
930929
Kołnierz
Zapytaj
1 szt.
—
13
949892-07
Śruba
Zapytaj
1 szt.
—
14
931942-02
Osłona 9
Zapytaj
1 szt.
—
15
949887-01
Śruba
Zapytaj
1 szt.
—
16
947962-00
Pokrywa Skrzynki Przekładni
Zapytaj
1 szt.
—
17
578243-00
Wrzeciono
Zapytaj
1 szt.
—
18
930566
Łożysko
Zapytaj
1 szt.
—
19
930924
Kołnierz
Zapytaj
1 szt.
—
20
930923
Uszczelniacz
Zapytaj
1 szt.
—
21
930922
Dystans
Zapytaj
1 szt.
—
22
936648
Przekładnia I Wałek Zębaty
Zapytaj
1 szt.
—
23
930930
Śruba
Zapytaj
1 szt.
—
24
933474-01
Skrzynka Przekładni
Zapytaj
1 szt.
—
25
937668
Pierścień Sprężynujący - Podzespół
Zapytaj
1 szt.
—
26
930909
Uszczelniacz - Podzespół
Zapytaj
1 szt.
—
27
330003-14
Łożysko
32,00 zł
1 szt.
—
28
931067-00
Uszczelniacz - Podzespół
15,00 zł
1 szt.
—
29
931062
Dystans
Zapytaj
1 szt.
—
30
930028-00
O-Ring
7,00 zł
1 szt.
—
31
931066-00
Kołnierz
Zapytaj
1 szt.
—
32
N174055
Dystans
7,00 zł
1 szt.
—
33
577745-00
Łożysko
27,00 zł
1 szt.
—
34
938332-00
Tuleja
7,00 zł
1 szt.
—
35
933499
Uchwyt Boczny - Podzespół
Zapytaj
1 szt.
—
36
N412453
Śruba
Zapytaj
1 szt.
—
37
931073-00
Przegroda
Zapytaj
1 szt.
—
38
935747
Płyta Szczotek - Podzespół
Zapytaj
1 szt.
—
39
931076-00
Sprężyna
Zapytaj
1 szt.
—
40
948134-09
Skrzynka Pola - Podzespół
Zapytaj
1 szt.
—
41
933805-00
Uchwyt - Podzespół
Zapytaj
1 szt.
—
42
933364-02
Pokrywa
Zapytaj
1 szt.
—
43
930934-00
Amortyzator
Zapytaj
1 szt.
—
44
930981-00
Osłona Przewodu
Zapytaj
1 szt.
—
45
931297-00
Śruba
9,00 zł
1 szt.
—
46
931469-02
Śruba
Zapytaj
1 szt.
—
47
930284-01
Śruba
Zapytaj
1 szt.
—
48
931477-00
Zacisk Przewodu
7,00 zł
1 szt.
—
49
938733
Klucz Pin
27,00 zł
1 szt.
—
50
947964-01
Osłona Przewodu
16,00 zł
1 szt.
—
51
401057-00
Uchwyt - Podzespół
Zapytaj
1 szt.
—
52
807043
Klucz
7,00 zł
1 szt.
—