Części
Maszyny
Kontakt
Home
Maszyny
Szlifierki kątowe
DeWalt
Szlifierka kątowa
D28432C-Type-2 -
Szlifierka kątowa DeWalt
100%
Poz:
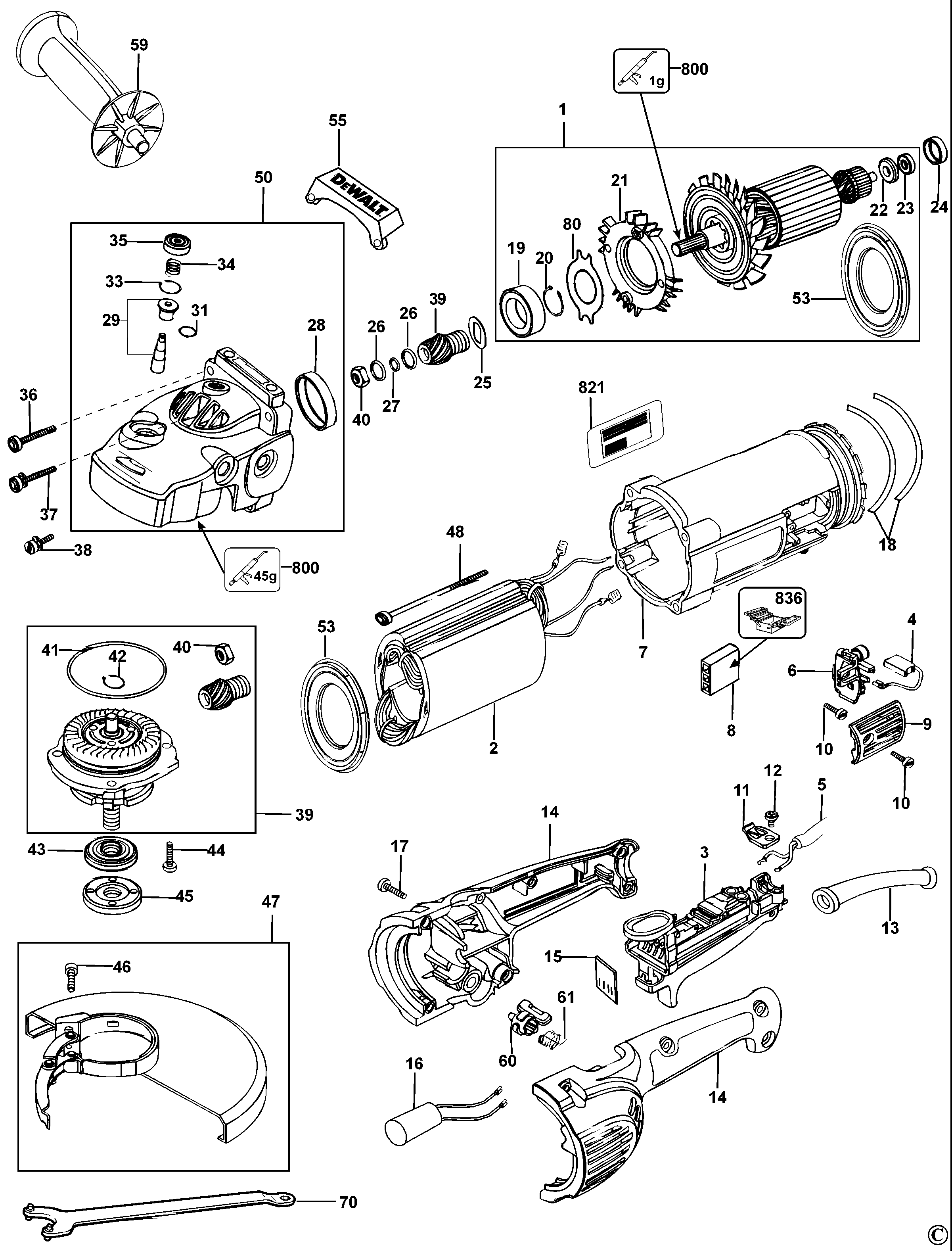
1
2
3
4
5
7
8
9
10
11
12
13
14
15
16
17
18
19
20
21
22
23
24
25
26
27
28
29
31
33
34
35
36
37
38
39
40
41
42
43
44
45
46
47
48
50
53
55
59
60
61
70
80
800
821
836
56 części
Sortuj
Poz.
Nr kat.
Nazwa
Cena brutto
Ilość
Zamów
1
N022342
Twornik 230V
Zapytaj
1 szt.
—
2
1005544-04
Stojan 220V
Zapytaj
1 szt.
—
3
393438-00
Wyłącznik - Podzespół
268,00 zł
1 szt.
—
4
585041-00
Szczotka Pair 230V
69,00 zł
1 szt.
—
5
330080-53
Przewód
Zapytaj
1 szt.
—
7
603341-01
Skrzynka Pola
Zapytaj
1 szt.
—
8
604389-00
Złącze
9,00 zł
1 szt.
—
9
394387-01
Pokrywa Szczotki
14,00 zł
1 szt.
—
10
330019-11
Śruba
7,00 zł
1 szt.
—
11
398217-00
Zacisk Przewodu
7,00 zł
1 szt.
—
12
330019-03
Śruba
7,00 zł
1 szt.
—
13
947964-01
Osłona Przewodu
16,00 zł
1 szt.
—
14
394399-00
Uchwyt - Podzespół
Zapytaj
1 szt.
—
15
398720-00
Uszczelniacz
Zapytaj
1 szt.
—
16
397257-01
Kondensator
34,00 zł
1 szt.
—
17
330019-32
Śruba
7,00 zł
1 szt.
—
18
398728-00
Uszczelniacz
Zapytaj
1 szt.
—
19
330003-13
Łożysko
32,00 zł
1 szt.
—
20
398605-00
Ustalacz
7,00 zł
1 szt.
—
21
393222-00
Dystans
Zapytaj
1 szt.
—
22
393238-00
Tarcza Osłonowa
7,00 zł
1 szt.
—
23
330003-60
Łożysko
18,00 zł
1 szt.
—
24
609970-00
Osłona Izolacyjna
7,00 zł
1 szt.
—
25
608568-00
Podkładka
Zapytaj
1 szt.
—
26
607502-00
Podkładka
Zapytaj
1 szt.
—
27
614045-00
Podkładka Sprężysta
Zapytaj
1 szt.
—
28
609971-00
Tuleja
7,00 zł
1 szt.
—
29
496443-00
Zestaw Naprawczy
Zapytaj
1 szt.
—
31
050049-00
Pierścień
7,00 zł
1 szt.
—
33
603470-00
Ustalacz
Zapytaj
1 szt.
—
34
395029-00
Sprężyna
7,00 zł
1 szt.
—
35
610999-00
Kołpak
Zapytaj
1 szt.
—
36
330019-26
Śruba
7,00 zł
1 szt.
—
37
330045-59
Śruba
Zapytaj
1 szt.
—
38
330045-58
Śruba
Zapytaj
1 szt.
—
39
583532-00
Pokrywa Skrzynki Przekładni - Podzespół
Zapytaj
1 szt.
—
40
609125-00
Nakrętka Blokady
Zapytaj
1 szt.
—
41
397031-00
O-Ring
7,00 zł
1 szt.
—
42
034109-00
Ustalacz
Zapytaj
1 szt.
—
43
403150-01
Pierścień Wewnętrzny
24,00 zł
1 szt.
—
44
330045-15
Śruba
7,00 zł
1 szt.
—
45
401678-05
Nakrętka Zewnętrzna
24,00 zł
1 szt.
—
46
606863-00
Śruba
7,00 zł
1 szt.
—
47
N036837
Osłona - Podzespół
85,00 zł
1 szt.
—
48
330019-34
Śruba
7,00 zł
1 szt.
—
50
N075439
Skrzynka Przekładni
Zapytaj
1 szt.
—
53
614542-00
Przegroda
Zapytaj
1 szt.
—
55
620579-00
Odbój
Zapytaj
1 szt.
—
59
613777-00
Uchwyt Boczny
69,00 zł
1 szt.
—
60
616318-00
Zaczep
Zapytaj
1 szt.
—
61
612862-00
Sprężyna
Zapytaj
1 szt.
—
70
938733
Klucz Pin
27,00 zł
1 szt.
—
80
613366-00
Wkładka
Zapytaj
1 szt.
—
800
583534-00
Smar
992,00 zł
1 szt.
—
821
N019375
Tabliczka Znamionowa
Zapytaj
1 szt.
—
836
559638-99
Przyrząd Do Wyciągania Terminala
85,00 zł
1 szt.
—