Części
Maszyny
Kontakt
Home
Maszyny
Szlifierki kątowe
DeWalt
Szlifierka kątowa
DW8001----D-Type-1 -
Szlifierka kątowa DeWalt
100%
Poz:
1
2
4
5
6
7
8
9
10
11
12
13
14
15
16
17
18
19
20
21
22
23
24
25
26
27
28
29
30
31
32
33
34
35
36
37
38
39
40
41
42
43
44
45
46
47
48
49
50
49 części
Sortuj
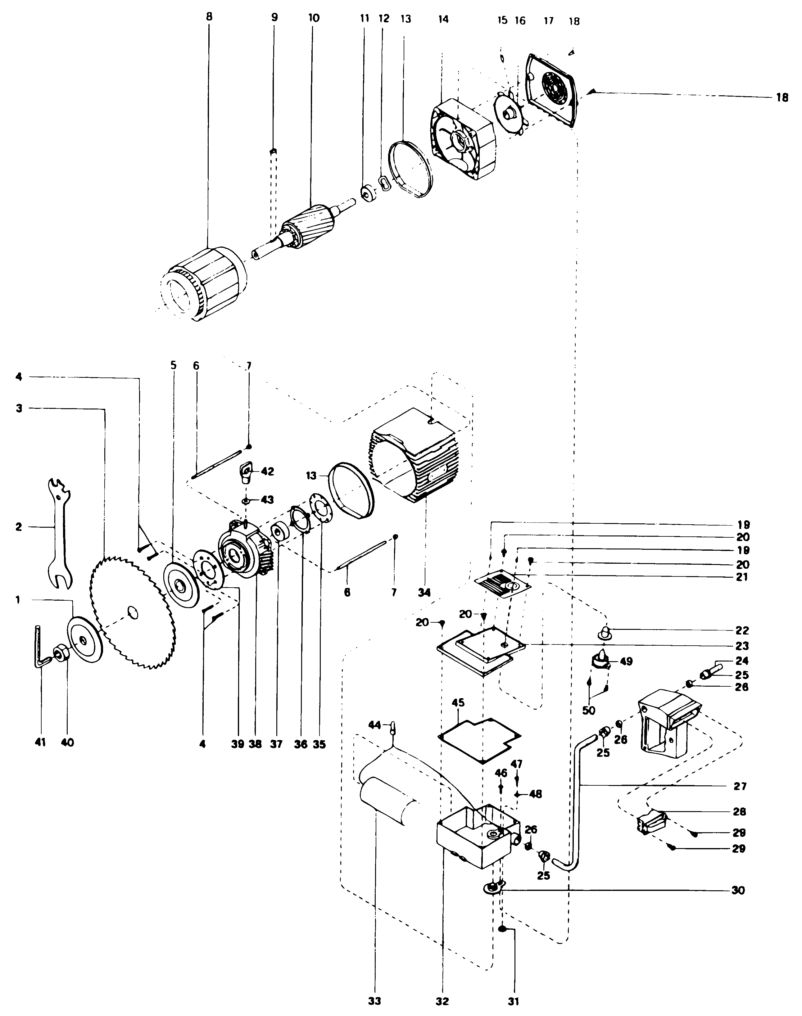
Poz.
Nr kat.
Nazwa
Cena brutto
Ilość
Zamów
1
PARTNLS
Już Nie Dostarczane
Zapytaj
1 szt.
—
2
944463-00
Klucz Wielofunkcyjny
93,00 zł
1 szt.
—
4
860538-00
Śruba
7,00 zł
1 szt.
—
5
32692
Trzpień
Zapytaj
1 szt.
—
6
33507
Pręt Cięgna
Zapytaj
1 szt.
—
7
860083-02
Nakrętka
7,00 zł
1 szt.
—
8
199747
Stojan - Podzespół
Zapytaj
1 szt.
—
9
860318-00
Klucz
Zapytaj
1 szt.
—
10
868511-01
Wirnik 3 Fazowy
Zapytaj
1 szt.
—
11
868768-07
Łożysko
34,00 zł
1 szt.
—
12
860080-02
Pierścień
7,00 zł
1 szt.
—
13
860718-00
Uszczelniacz
24,00 zł
1 szt.
—
14
860701-00
Osłona
Zapytaj
1 szt.
—
15
860088-25
Śruba
7,00 zł
1 szt.
—
16
860688-00
Wentylator
Zapytaj
1 szt.
—
17
860687-03
Zakończenie
Zapytaj
1 szt.
—
18
860089-25
Śruba
Zapytaj
1 szt.
—
19
860060-01
Nit
Zapytaj
1 szt.
—
20
860094-03
Śruba
7,00 zł
1 szt.
—
21
862493-03
Plakietka Z Nazwą
Zapytaj
1 szt.
—
22
860133-00
Kołpak
Zapytaj
1 szt.
—
23
944454-00
Pokrywa
Zapytaj
1 szt.
—
24
945635-00
Przewód
Zapytaj
1 szt.
—
25
944654-00
Ustalacz
10,00 zł
1 szt.
—
26
944590-00
Nakrętka
7,00 zł
1 szt.
—
27
949863-44
Przewód
Zapytaj
1 szt.
—
28
860706-00
Przełącznik 1 Ph
Zapytaj
1 szt.
—
29
11271
Śruba
Zapytaj
1 szt.
—
30
944652-00
Przelotka
115,00 zł
1 szt.
—
31
944653-00
Przelotka
85,00 zł
1 szt.
—
32
176382
Box 1 Ph
Zapytaj
1 szt.
—
33
944455-00
Kondensator
Zapytaj
1 szt.
—
34
199747
Stojan - Podzespół
Zapytaj
1 szt.
—
35
123302-01
Kołpak
42,00 zł
1 szt.
—
36
863878-00
Uszczelnienie
78,00 zł
1 szt.
—
37
868768-10
Łożysko
57,00 zł
1 szt.
—
38
862162-00
Osłona
137,00 zł
1 szt.
—
39
133540
Płyta
Zapytaj
1 szt.
—
40
944460-00
Nakrętka
93,00 zł
1 szt.
—
41
860098-05
Klucz Imbusowy 8 Mm
15,00 zł
1 szt.
—
42
860143-00
Nakrętka Wing
Zapytaj
1 szt.
—
43
860073-03
Podkładka M8
7,00 zł
1 szt.
—
44
860540-00
Złącze
Zapytaj
1 szt.
—
45
860708-00
Uszczelnienie
Zapytaj
1 szt.
—
46
860094-00
Screw.Temp
7,00 zł
1 szt.
—
47
860094-01
Śruba
7,00 zł
1 szt.
—
48
944650-00
Podkładka Sprężysta
7,00 zł
1 szt.
—
49
860692-00
Klixon
Zapytaj
1 szt.
—
50
860094-03
Śruba
7,00 zł
1 szt.
—