Części
Maszyny
Kontakt
Home
Maszyny
Szlifierki kątowe
DeWalt
Szlifierka kątowa
MWA61W-Type-3 -
Szlifierka kątowa DeWalt
100%
Poz:
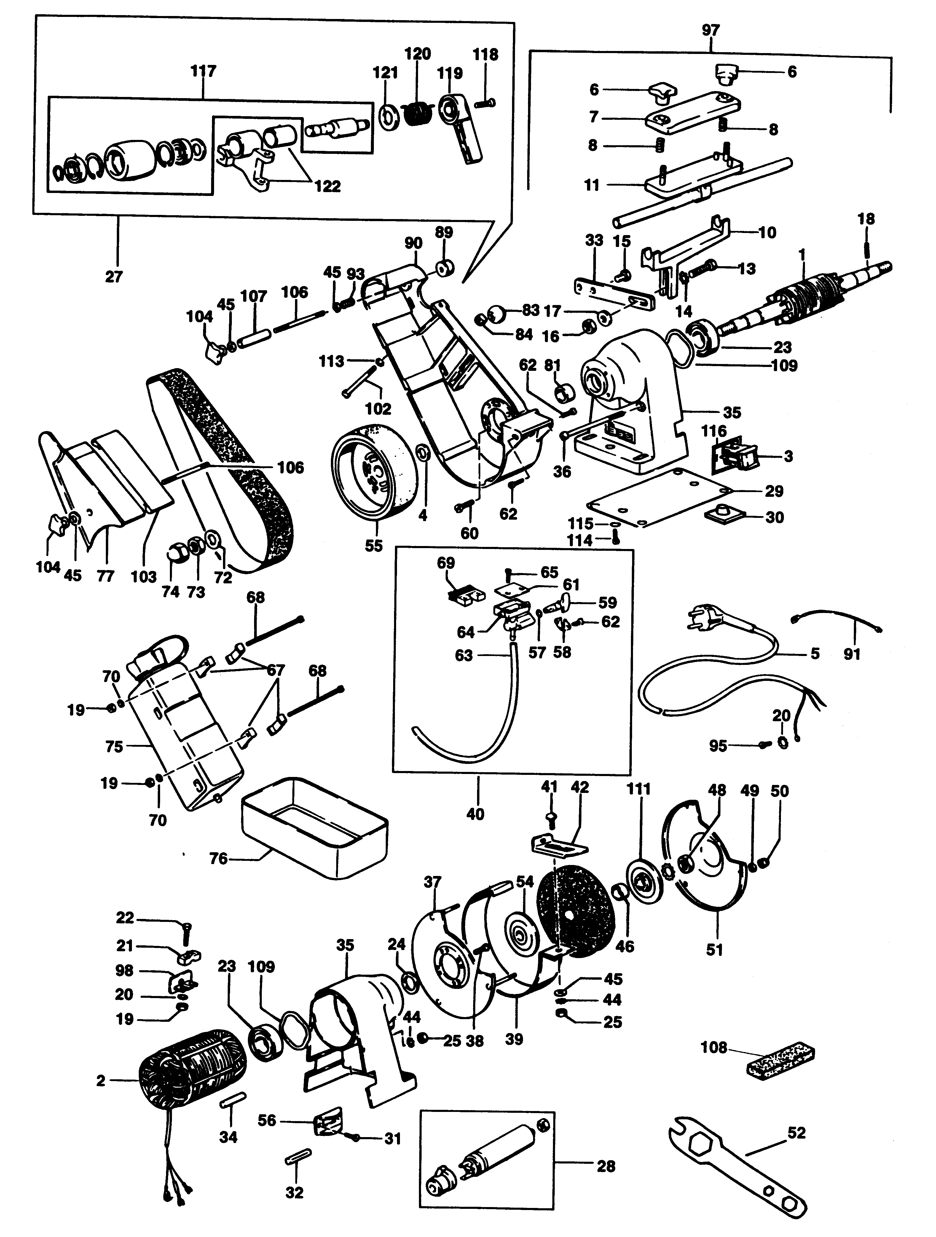
1
2
3
4
5
6
7
8
10
11
13
14
15
16
17
18
19
20
21
22
23
24
25
27
28
29
30
32
33
34
35
36
37
38
39
40
41
42
44
45
46
48
49
50
51
52
54
55
57
58
59
60
61
62
63
64
65
67
68
69
70
72
73
74
75
76
77
81
83
84
89
90
91
93
95
97
98
102
103
104
106
107
108
109
111
113
114
115
117
118
119
120
121
122
94 części
Sortuj
Poz.
Nr kat.
Nazwa
Cena brutto
Ilość
Zamów
1
743412
Wirnik
Zapytaj
1 szt.
—
2
743413
Stojan
Zapytaj
1 szt.
—
3
744260
Wyłącznik
Zapytaj
1 szt.
—
4
742153
Panew
Zapytaj
1 szt.
—
5
742175-03
Przewód Zasilający
Zapytaj
1 szt.
—
6
744324
Gałka - Podzespół
Zapytaj
1 szt.
—
7
744271
Zacisk
Zapytaj
1 szt.
—
8
742243
Sprężyna
7,00 zł
1 szt.
—
10
744230
Uchwyt
Zapytaj
1 szt.
—
11
744232
Podpora
Zapytaj
1 szt.
—
13
860085-19
Śruba
7,00 zł
1 szt.
—
14
742046
Podkładka M8
Zapytaj
1 szt.
—
15
742253
Śruba
Zapytaj
1 szt.
—
16
725187
Nakrętka
7,00 zł
1 szt.
—
17
742172
Podkładka
Zapytaj
1 szt.
—
18
742053
Kołek
Zapytaj
1 szt.
—
19
725698
Nakrętka
Zapytaj
1 szt.
—
20
725163
Podkładka
Zapytaj
1 szt.
—
21
742127
Zacisk Przewodu
Zapytaj
1 szt.
—
22
742041
Śruba
Zapytaj
1 szt.
—
23
861721-01
Łożysko
18,00 zł
1 szt.
—
24
742153
Panew
Zapytaj
1 szt.
—
25
725125
Nakrętka
7,00 zł
1 szt.
—
27
744371-10
Dźwignia - Podzespół
Zapytaj
1 szt.
—
28
743309
Kondensator
Zapytaj
1 szt.
—
29
742124-01
Płyta
Zapytaj
1 szt.
—
30
742126
Uchwyty
Zapytaj
1 szt.
—
32
742168
Kołek
Zapytaj
1 szt.
—
33
744234
Podpora
24,00 zł
1 szt.
—
34
743311
Kołek
Zapytaj
1 szt.
—
35
744241-49
Para Osłon
Zapytaj
1 szt.
—
36
742171
Śruba
Zapytaj
1 szt.
—
37
744236
Płyta
Zapytaj
1 szt.
—
38
725196
Śruba
Zapytaj
1 szt.
—
39
744238
Osłona
Zapytaj
1 szt.
—
40
742273
Przewód Giętki - Podzespół
Zapytaj
1 szt.
—
41
725184
Śruba
7,00 zł
1 szt.
—
42
744188
Wspornik
24,00 zł
1 szt.
—
44
743415
Podkładka
Zapytaj
1 szt.
—
45
880391
Podkładka
7,00 zł
1 szt.
—
46
742134
Panew
Zapytaj
1 szt.
—
48
742887
Nakrętka
Zapytaj
1 szt.
—
49
725269
Podkładka
Zapytaj
1 szt.
—
50
146823100
Lock-Nut
Zapytaj
1 szt.
—
51
744237
Osłona
Zapytaj
1 szt.
—
52
742511
Klucz
Zapytaj
1 szt.
—
54
742298
Zacisk
Zapytaj
1 szt.
—
55
742199
Koło Pasowe
245,00 zł
1 szt.
—
57
742282
Uszczelniacz
Zapytaj
1 szt.
—
58
742279
Kołnierz
8,00 zł
1 szt.
—
59
742275
Uchwyt
9,00 zł
1 szt.
—
60
726003
Śruba
Zapytaj
1 szt.
—
61
742166
Pokrywa
Zapytaj
1 szt.
—
62
860084-11
Śruba
7,00 zł
1 szt.
—
63
742278
Rura
Zapytaj
1 szt.
—
64
742280-00
Uchwyt
Zapytaj
1 szt.
—
65
949896-12
Śruba
7,00 zł
1 szt.
—
67
742299
Zacisk
Zapytaj
1 szt.
—
68
742300
Śruba
Zapytaj
1 szt.
—
69
742276
Szczotka
Zapytaj
1 szt.
—
70
725163
Podkładka
Zapytaj
1 szt.
—
72
742054
Podkładka
Zapytaj
1 szt.
—
73
742140
Nakrętka Lewa
9,00 zł
1 szt.
—
74
744243
Kołpak
Zapytaj
1 szt.
—
75
742274
Zbiornik
Zapytaj
1 szt.
—
76
742283
Podziałka
Zapytaj
1 szt.
—
77
744246
Podpora
Zapytaj
1 szt.
—
81
742153
Panew
Zapytaj
1 szt.
—
83
742234
Gałka
Zapytaj
1 szt.
—
84
742289
Nakrętka
Zapytaj
1 szt.
—
89
742272
Ogranicznik Gumowy
Zapytaj
1 szt.
—
90
744235
Pokrywa
Zapytaj
1 szt.
—
91
742199
Koło Pasowe
245,00 zł
1 szt.
—
93
760276-00
Sprężyna
Zapytaj
1 szt.
—
95
725183
Śruba
Zapytaj
1 szt.
—
97
744253
Zacisk - Zestaw - Podzespół
306,00 zł
1 szt.
—
98
742125
Zacisk Przewodu
Zapytaj
1 szt.
—
102
742231
Śruba
Zapytaj
1 szt.
—
103
742290
Płyta
Zapytaj
1 szt.
—
104
744324
Gałka - Podzespół
Zapytaj
1 szt.
—
106
742288
Śruba
Zapytaj
1 szt.
—
107
742228
Dystans
Zapytaj
1 szt.
—
108
742240
Kamień
102,00 zł
1 szt.
—
109
113933000
Podkładka
12,00 zł
1 szt.
—
111
742066
Zacisk Zewnętrzny
27,00 zł
1 szt.
—
113
743415
Podkładka
Zapytaj
1 szt.
—
114
726430
Śruba
Zapytaj
1 szt.
—
115
725165
Podkładka
Zapytaj
1 szt.
—
117
742212
Zestaw Naprawczy
Zapytaj
1 szt.
—
118
744308
Śruba
Zapytaj
1 szt.
—
119
744245
Dźwignia
Zapytaj
1 szt.
—
120
742267
Sprężyna
Zapytaj
1 szt.
—
121
742218
Podkładka
Zapytaj
1 szt.
—
122
743814
Wspornik - Podzespół
137,00 zł
1 szt.
—