Części
Maszyny
Kontakt
Home
Maszyny
Szlifierki kątowe
DeWalt
Szlifierka kątowa
WS55E-Type-1 -
Szlifierka kątowa DeWalt
100%
Poz:
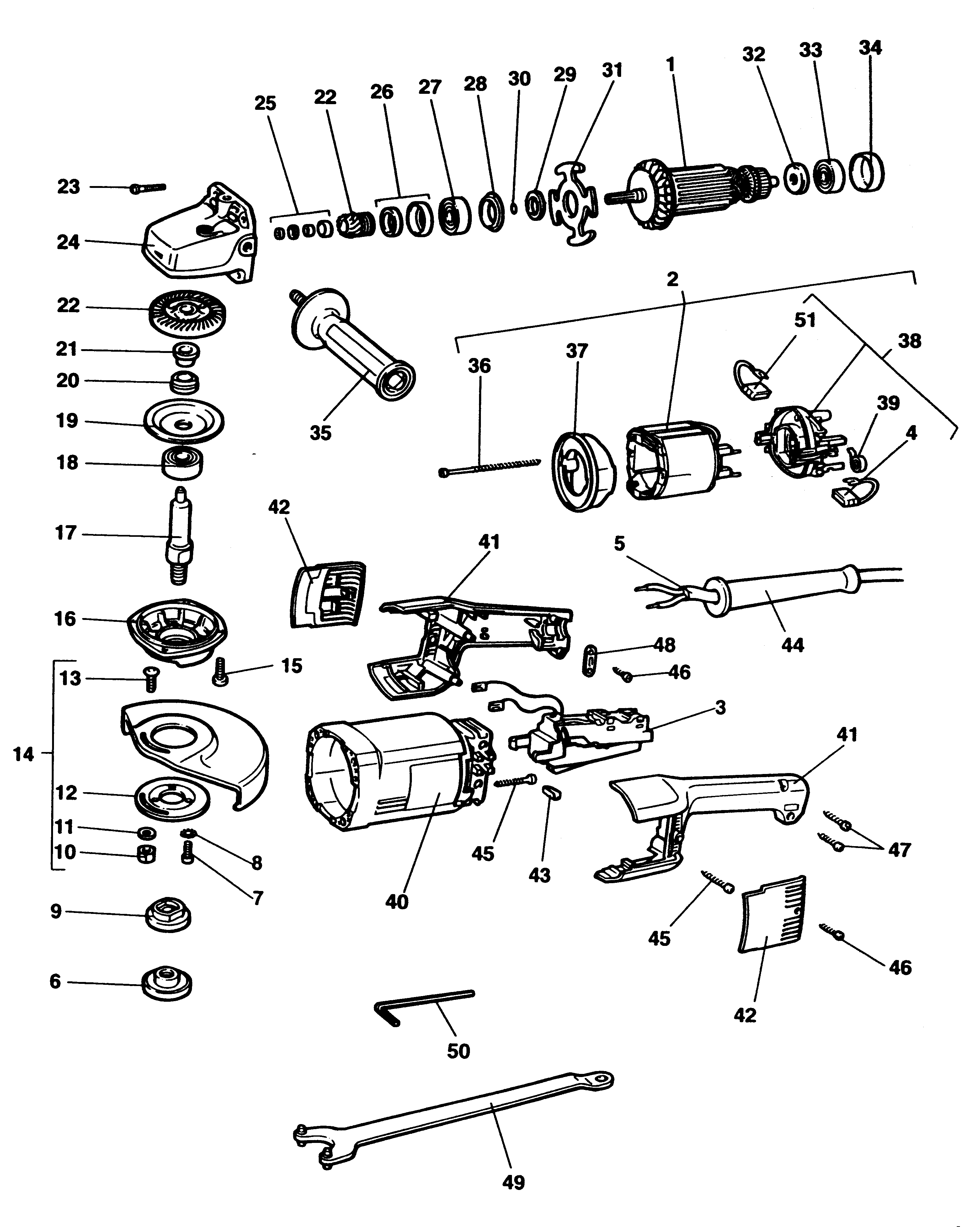
1
1
2
2
2
3
3
3
4
4
5
5
5
5
6
7
8
9
10
11
12
13
14
15
16
17
18
19
20
21
22
23
24
25
26
27
28
29
30
31
32
33
34
35
36
37
38
38
39
40
41
42
43
44
45
46
47
48
49
50
51
51
62 części
Sortuj
Poz.
Nr kat.
Nazwa
Cena brutto
Ilość
Zamów
1
931629-49
Twornik 220/240V
Zapytaj
1 szt.
—
1
931630-49
Twornik
Zapytaj
1 szt.
—
2
940480-49
Pole
Zapytaj
1 szt.
—
2
940481
Pole
Zapytaj
1 szt.
—
2
940499-49
Stojan 115V
Zapytaj
1 szt.
—
3
949823-08
Przełącznik 115V
Zapytaj
1 szt.
—
3
949823-10
Włącznik Blokady
Zapytaj
1 szt.
—
3
949823-11
Wyłącznik Blokady
Zapytaj
1 szt.
—
4
940160-02
Szczotka Cut Off 115V
Zapytaj
1 szt.
—
4
940160-03
Szczotka Cut Off 230V
38,00 zł
1 szt.
—
5
949770-12
Przewód I Wtyczka
Zapytaj
1 szt.
—
5
933230
Przewód
Zapytaj
1 szt.
—
5
930968-00
Przewód I Wtyczka
Zapytaj
1 szt.
—
5
949770-32
Przewód
Zapytaj
1 szt.
—
6
931771
Kołnierz
51,00 zł
1 szt.
—
7
933058-00
Śruba
Zapytaj
1 szt.
—
8
932369
Podkładka
Zapytaj
1 szt.
—
9
930927
Kołnierz
Zapytaj
1 szt.
—
10
860083-03
Nakrętka
7,00 zł
1 szt.
—
11
930925
Podkładka
Zapytaj
1 szt.
—
12
930929
Kołnierz
Zapytaj
1 szt.
—
13
949892-07
Śruba
Zapytaj
1 szt.
—
14
932525-02
Osłona 7
Zapytaj
1 szt.
—
15
949887-01
Śruba
Zapytaj
1 szt.
—
16
947962-00
Pokrywa Skrzynki Przekładni
Zapytaj
1 szt.
—
17
578243-00
Wrzeciono
Zapytaj
1 szt.
—
18
930566
Łożysko
Zapytaj
1 szt.
—
19
930924
Kołnierz
Zapytaj
1 szt.
—
20
930923
Uszczelniacz
Zapytaj
1 szt.
—
21
930922
Dystans
Zapytaj
1 szt.
—
22
932576
Przekładnia I Wałek Zębaty
Zapytaj
1 szt.
—
23
930930
Śruba
Zapytaj
1 szt.
—
24
401048-00
Skrzynka Przekładni - Podzespół
Zapytaj
1 szt.
—
25
937098-49
Klips - Podzespół
Zapytaj
1 szt.
—
26
930909
Uszczelniacz - Podzespół
Zapytaj
1 szt.
—
27
330003-14
Łożysko
32,00 zł
1 szt.
—
28
931067-00
Uszczelniacz - Podzespół
15,00 zł
1 szt.
—
29
931062
Dystans
Zapytaj
1 szt.
—
30
930028-00
O-Ring
7,00 zł
1 szt.
—
31
931066-00
Kołnierz
Zapytaj
1 szt.
—
32
N174055
Dystans
7,00 zł
1 szt.
—
33
577745-00
Łożysko
27,00 zł
1 szt.
—
34
938332-00
Tuleja
7,00 zł
1 szt.
—
35
933499
Uchwyt Boczny - Podzespół
Zapytaj
1 szt.
—
36
931072
Śruba
Zapytaj
1 szt.
—
37
931073-00
Przegroda
Zapytaj
1 szt.
—
38
935747
Płyta Szczotek - Podzespół
Zapytaj
1 szt.
—
38
940501
Uchwyt Szczotki 115V
Zapytaj
1 szt.
—
39
931076-00
Sprężyna
Zapytaj
1 szt.
—
40
948162-09
Skrzynka Pola - Podzespół
Zapytaj
1 szt.
—
41
401057-00
Uchwyt - Podzespół
Zapytaj
1 szt.
—
42
933364-05
Pokrywa
Zapytaj
1 szt.
—
43
930934-00
Amortyzator
Zapytaj
1 szt.
—
44
947964-01
Osłona Przewodu
16,00 zł
1 szt.
—
45
931297-00
Śruba
9,00 zł
1 szt.
—
46
931469-02
Śruba
Zapytaj
1 szt.
—
47
930284-01
Śruba
Zapytaj
1 szt.
—
48
931477-00
Zacisk Przewodu
7,00 zł
1 szt.
—
49
938733
Klucz Pin
27,00 zł
1 szt.
—
50
807043
Klucz
7,00 zł
1 szt.
—
51
940160-03
Szczotka Cut Off 230V
38,00 zł
1 szt.
—
51
940160-02
Szczotka Cut Off 115V
Zapytaj
1 szt.
—