Części
Maszyny
Kontakt
Home
Maszyny
Szlifierka
Bosch
SZLIFIERKA GCO 14-1
0601B10037 -
SZLIFIERKA Bosch GCO 14-1
100%
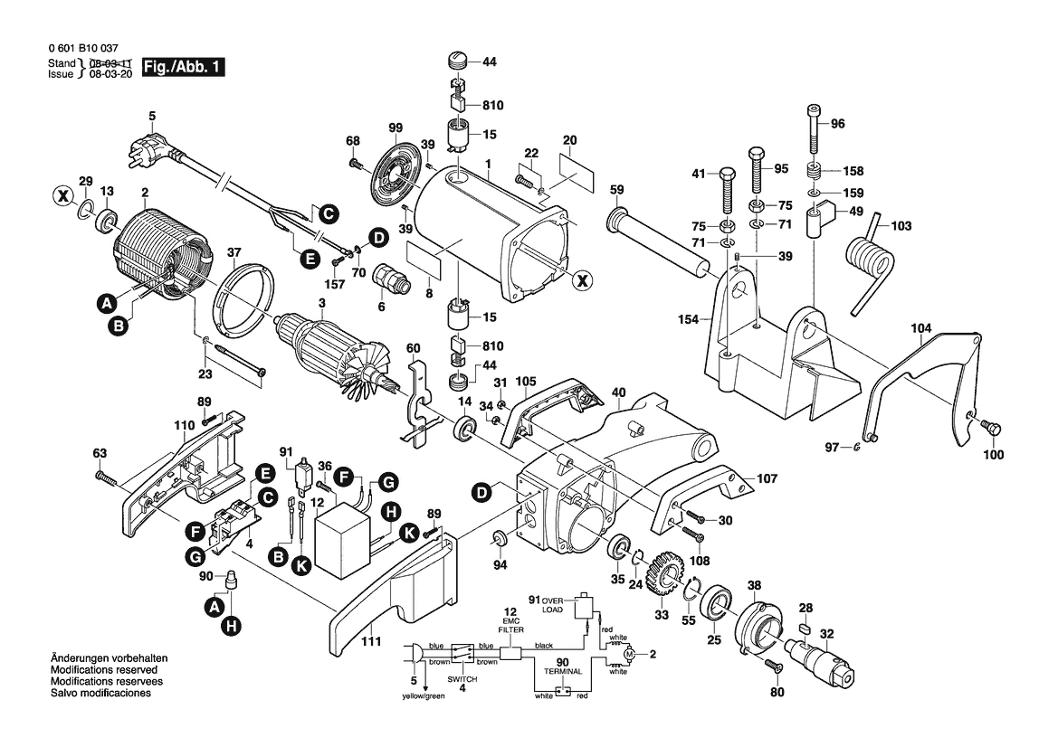
Poz:
1
2
3
4
5
6
8
9
12
13
14
15
20
22
23
24
25
26
27
28
29
30
31
32
33
34
35
36
37
38
39
40
41
42
43
44
47
49
50
55
56
57
58
59
60
62
63
64
65
68
70
71
72
73
74
75
76
80
85
86
87
88
89
90
91
92
94
95
96
97
98
99
100
101
103
104
105
106
107
108
110
111
112
114
120
123
130
132
154
155
157
158
159
652
810
891
96 części
Sortuj
Poz.
Nr kat.
Nazwa
Cena brutto
Ilość
Zamów
1
2610913038
Kadłub Silnika
Zapytaj
1 szt.
—
2
2610911649
Stojan
Zapytaj
1 szt.
—
3
2610911655
Wirnik
Zapytaj
1 szt.
—
4
2610913060
Przeł. Wejścia/Wyjścia
Zapytaj
1 szt.
—
5
1609902390
Przewód Zasil. Sieciowy
Zapytaj
1 szt.
—
6
1609902166
Zacisk Mocujący
Zapytaj
1 szt.
—
8
1609902664
Tabliczka Znamionowa
Zapytaj
1 szt.
—
9
2610994083
Tabliczka Firmy
11,19 zł
1 szt.
12
1619P04445
Cewka Dławika
Zapytaj
1 szt.
—
13
2610913087
Łożysko Kulkowe
Zapytaj
1 szt.
—
14
2610968044
Łożysko Kulkowe
33,83 zł
1 szt.
15
2610913039
Szczotka Węglowa
Zapytaj
2 szt.
—
20
1609902653
Tabliczka Znamionowa
5,29 zł
1 szt.
22
2610913086
Śruba
Zapytaj
4 szt.
—
23
2610913088
Śruba
Zapytaj
2 szt.
—
24
2610913091
Pierścień Zabezpieczajacy
Zapytaj
1 szt.
—
25
2610913093
Łożysko Kulkowe
43,91 zł
1 szt.
26
2610913049
Sprężyna
Zapytaj
1 szt.
—
27
2610913096
Podkładka
Zapytaj
1 szt.
—
28
2610355343
Klucz
Zapytaj
1 szt.
—
29
2615302981
Podkładka
4,06 zł
1 szt.
30
2610913089
Śruba
Zapytaj
2 szt.
—
31
2610913090
Nakrętka Sześciokątna
Zapytaj
2 szt.
—
32
2610913048
Trzpień Ścierający
Zapytaj
1 szt.
—
33
2610913046
Koło Zębate
Zapytaj
1 szt.
—
34
2610355339
Nakrętka
Zapytaj
2 szt.
—
35
2610327848
Łożysko Kulkowe
Zapytaj
1 szt.
—
36
1609902698
Śruba
Zapytaj
1 szt.
—
37
2610913042
Pierścień Kier. Powietrza
Zapytaj
1 szt.
—
38
2610913047
Pokrywa Łożyska
Zapytaj
1 szt.
—
39
2610911456
Śruba
Zapytaj
3 szt.
—
40
2610913045
Ramię Wychylne
Zapytaj
1 szt.
—
41
2610913108
Śruba
Zapytaj
1 szt.
—
42
2610913063
Rękojeść
Zapytaj
1 szt.
—
43
2610913114
Śruba
Zapytaj
4 szt.
—
44
2610913041
Pokrywa Szczotki
Zapytaj
2 szt.
—
47
2610913095
Pierścień Zabezpieczajacy
Zapytaj
1 szt.
—
49
2610913069
Bufor Zderzaka
Zapytaj
1 szt.
—
50
2610913073
Płyta Fundamentowa
Zapytaj
1 szt.
—
55
2610913092
Pierścień Zabezpieczajacy
Zapytaj
1 szt.
—
56
1619P03791
Trzpień
Zapytaj
1 szt.
—
57
2610913104
Pierścień Zabezpieczajacy
Zapytaj
1 szt.
—
58
2610913061
Kołek Sprężysty
Zapytaj
1 szt.
—
59
2610913068
Trzpień
Zapytaj
1 szt.
—
60
2610913044
ZASUWKA
Zapytaj
1 szt.
—
62
1619P03288
Śruba
Zapytaj
4 szt.
—
63
2610913101
Śruba
Zapytaj
2 szt.
—
64
2610355293
Śruba
Zapytaj
1 szt.
—
65
2610913115
Śruba
Zapytaj
3 szt.
—
68
2615296774
Śruba
Zapytaj
2 szt.
—
70
1609203F78
Podkładka Zabezpieczająca
Zapytaj
1 szt.
—
71
2610355264
Podkładka
8,36 zł
2 szt.
72
2610913097
Śruba Z Łbem Sześciokątn.
4,06 zł
3 szt.
73
2610913106
Podkładka
4,06 zł
1 szt.
74
2610913102
Śruba Z Łbem Sześciokątn.
4,06 zł
2 szt.
75
2610905937
Nakrętka Sześciokątna
Zapytaj
2 szt.
—
76
2610913107
Podkładka
Zapytaj
1 szt.
—
80
2610913094
Śruba
Zapytaj
3 szt.
—
85
2610913055
Kołpak Ochronny
Zapytaj
1 szt.
—
86
2610913098
Śruba
Zapytaj
1 szt.
—
87
2610913099
Podkładka
Zapytaj
1 szt.
—
88
2610910784
Śruba
Zapytaj
1 szt.
—
89
2610327867
Śruba
5,29 zł
4 szt.
90
2610913058
Zacisk Przyłączeniowy
Zapytaj
1 szt.
—
91
1619P04446
Przeł. Wejścia/Wyjścia
Zapytaj
1 szt.
—
92
2610355290
Pierścień Mocujący
8,36 zł
1 szt.
94
1609203G04
Końcówka
Zapytaj
2 szt.
—
95
2610913109
Śruba Z Łbem Sześciokątn.
Zapytaj
1 szt.
—
96
2610913110
Śruba Z Łbem Sześciokątn.
Zapytaj
1 szt.
—
97
2610913112
Pierścień Zabezpieczajacy
Zapytaj
1 szt.
—
98
2610913050
Kołpak Ochronny
Zapytaj
1 szt.
—
99
2610913037
Płyta Osłaniająca
Zapytaj
1 szt.
—
100
2610913113
Śruba Z Łbem Sześciokątn.
Zapytaj
1 szt.
—
101
2610913051
Kołnierz
Zapytaj
1 szt.
—
103
2610913111
Sprężyna
Zapytaj
1 szt.
—
104
2610913071
Dźwignia
Zapytaj
1 szt.
—
105
2610913074
Uchwyt Miski
Zapytaj
1 szt.
—
106
2610913103
Część Gwintowana
Zapytaj
1 szt.
—
107
2610913075
Uchwyt Miski
Zapytaj
1 szt.
—
108
2610358928
Śruba
Zapytaj
2 szt.
—
110
1619P04447
Uchwyt Miski
Zapytaj
1 szt.
—
111
1619P04448
Uchwyt Miski
Zapytaj
1 szt.
—
112
2610913105
Długa Śruba
Zapytaj
1 szt.
—
114
2610913067
Szczęka Zaciskowa
Zapytaj
1 szt.
—
120
1619P03792
Łożysko Wrzeciona
Zapytaj
1 szt.
—
123
1619P03790
Szczęka Zaciskowa
Zapytaj
1 szt.
—
130
2610913072
Stopa Przyrządu
Zapytaj
3 szt.
—
132
2610913054
Kołpak Ochronny
Zapytaj
1 szt.
—
154
2610913070
Wspornik
Zapytaj
1 szt.
—
155
1609203H36
Uchwyt Zaciskowy
Zapytaj
1 szt.
—
157
1609203H37
Śruba
4,06 zł
1 szt.
158
1609902168
Sprężyna
4,06 zł
1 szt.
159
1609902169
Podkładka
Zapytaj
1 szt.
—
652
2610913079
Klucz
Zapytaj
1 szt.
—
810
1619P04451
Zestaw Szczotek Węglowych
Zapytaj
1 szt.
—
891
1619P05635
Uchwyt Wyłącznika
Zapytaj
1 szt.
—