Części
Maszyny
Kontakt
Home
Maszyny
Szlifierka taśmowa
Bosch
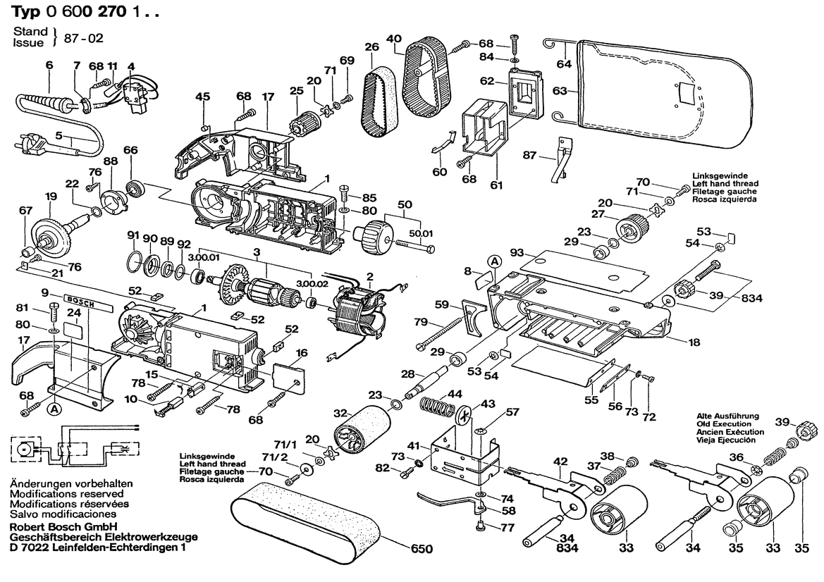
SZLIFIERKA TAŚMOWA 0270.1
0600270141 -
SZLIFIERKA TAŚMOWA Bosch 0270.1
100%
Poz:
1
2
3
4
6
7
9
10
11
15
16
17
18
19
20
21
22
23
25
26
27
28
29
32
33
34
37
38
39
40
41
42
43
44
45
50
52
53
54
55
56
57
58
59
60
61
62
63
64
66
67
68
69
70
71
72
73
74
76
77
78
79
80
81
82
84
85
87
88
89
90
91
92
93
94
95
96
42/1
71/1
711
71/2
50/01
711/1
711/2
3/00/01
711/1/1
711/1/2
711/2/1
711/2/2
711/2/3
90 części
Sortuj
Poz.
Nr kat.
Nazwa
Cena brutto
Ilość
Zamów
1
1609200700
Kadłub Silnika
Zapytaj
1 szt.
—
2
1609200775
Stojan
Zapytaj
1 szt.
—
3
1609200776
Twornik
Zapytaj
1 szt.
—
4
1609200748
Przeł. Wejścia/Wyjścia
Zapytaj
1 szt.
—
6
1609207001
Końcówka
Zapytaj
1 szt.
—
7
1609213000
Zacisk Mocujący
Zapytaj
1 szt.
—
9
1601110046
Tabliczka Naklejana
5,29 zł
2 szt.
—
10
1609201269
Zestaw Szczotek Węglowych
Zapytaj
1 szt.
—
11
1609200887
Filtr Przeciwzakłóceniowy
Zapytaj
1 szt.
—
15
1609200032
Uchwyt Szczotek
Zapytaj
2 szt.
—
16
1609200570
Pokrywa Zamykająca
Zapytaj
2 szt.
—
17
1609200701
Rękojeść
Zapytaj
1 szt.
—
18
1609330104
Dolna Część Obudowy
Zapytaj
1 szt.
—
19
1609200702
Wał Z Kołem Zębatym
Zapytaj
1 szt.
—
20
1609200574
Tarcza Zabierakowa
Zapytaj
2 szt.
—
21
1609200039
Płyta Podkładowa
Zapytaj
2 szt.
—
22
1609200703
Podkładka Dystansowa
Zapytaj
1 szt.
—
23
1609200578
Tarcza Oporowa
Zapytaj
2 szt.
—
25
1609200706
Koło Pasowe
Zapytaj
1 szt.
—
26
1609200581
Pas Zębaty
Zapytaj
1 szt.
—
27
1609200582
Koło Pasowe
Zapytaj
1 szt.
—
28
1609200583
Wał Napędowy
Zapytaj
1 szt.
—
29
1609200584
Tuleja Spiekana
Zapytaj
2 szt.
—
32
1609330107
Rolka Jezdna
Zapytaj
1 szt.
—
33
1609201770
Rolka Jezdna
Zapytaj
1 szt.
—
34
1609201771
Kołek Prowadzący
Zapytaj
1 szt.
—
37
1609200590
Sprężyna Dociskowa
Zapytaj
1 szt.
—
38
1609200591
Element Dociskowy
Zapytaj
1 szt.
—
39
1609200592
Śruba Nastawcza
Zapytaj
1 szt.
—
40
1609200593
Kołpak Ochronny
Zapytaj
1 szt.
—
41
1609330105
Wspornik Kątowy
Zapytaj
1 szt.
—
42
1609200891
Most Łożyskowy
Zapytaj
1 szt.
—
43
1609200596
Talerzyk Sprężyny
Zapytaj
1 szt.
—
44
1609200597
Sprężyna Dociskowa
Zapytaj
1 szt.
—
45
1609200048
Korek
Zapytaj
1 szt.
—
50
1609200598
Uchwyt Z Gałką Kulistą
Zapytaj
1 szt.
—
52
1601030025
Płyta Dziurkowana
Zapytaj
3 szt.
—
53
1609200600
Płyta Prowadząca
Zapytaj
2 szt.
—
54
1609200601
Podkładka Zabezpieczająca
Zapytaj
2 szt.
—
55
1609200602
PODKŁADKA
Zapytaj
1 szt.
—
56
1609200603
Element Dociskowy
Zapytaj
1 szt.
—
57
1609200604
Podkładka Zabezpieczająca
Zapytaj
1 szt.
—
58
1609200605
Dźwignia Mocująca
Zapytaj
1 szt.
—
59
1609200606
Płyta Osłaniająca
Zapytaj
1 szt.
—
60
1609200607
Sprężyna Płytkowa
Zapytaj
1 szt.
—
61
1609200608
Złączka
Zapytaj
1 szt.
—
62
1609200609
Element Dociskowy
Zapytaj
1 szt.
—
63
1609200610
WOREK NA PYŁ
Zapytaj
1 szt.
—
64
1609200611
Strzemiączko
Zapytaj
1 szt.
—
66
1609200715
Łożysko Kulkowe Zwykłe
Zapytaj
1 szt.
—
67
1609209006
Tuleja Igłowa
Zapytaj
1 szt.
—
68
2910211220
Wkręt Do Blach
Zapytaj
17 szt.
—
69
2910141154
Śr.Z Łb.Okr.O Gnieź.Sześ.
9,00 zł
1 szt.
—
70
1603410009
Śr.Z Łb.Okr.O Gnieź.Sześ.
Zapytaj
2 szt.
—
71
2916201003
Podkładka
Zapytaj
3 szt.
—
72
2910021118
Śruba Z Łbem Walcowym
8,00 zł
2 szt.
—
73
1609200599
Tarcza Zębata
Zapytaj
7 szt.
—
74
2916060007
Podkładka Sprężysta
8,00 zł
1 szt.
—
76
2603490017
Wkręt Soczewkowy Torx
11,00 zł
2 szt.
—
77
1600422011
Nit Rurkowy
Zapytaj
1 szt.
—
78
2910611082
Wkręt Do Blach
Zapytaj
8 szt.
—
79
2910013672
Śruba Z Łbem Walcowym
Zapytaj
1 szt.
—
80
2916011011
Podkładka
9,00 zł
4 szt.
—
81
2910021162
Śruba Z Łbem Walcowym
Zapytaj
2 szt.
—
82
2910021122
Śruba Z Łbem Walcowym
11,00 zł
4 szt.
—
84
2916011010
Podkładka
8,00 zł
2 szt.
—
85
2910021158
Śruba Z Łbem Walcowym
Zapytaj
2 szt.
—
87
1609200657
Spręż. Kształtowa Zginana
Zapytaj
1 szt.
—
88
1609200658
Tulejka Dystansowa
Zapytaj
1 szt.
—
89
1609200832
Pierścień Filcowy
Zapytaj
1 szt.
—
90
1609200833
Tarcza Oporowa
Zapytaj
1 szt.
—
91
1609200834
Pierścień Samouszczeln.
Zapytaj
1 szt.
—
92
1609200846
Podkładka Zabezpieczająca
Zapytaj
1 szt.
—
93
1609200847
Płyta Izolacyjna
Zapytaj
1 szt.
—
94
1609200888
Tarcza Zabierakowa
Zapytaj
1 szt.
—
95
1609200893
Podkładka Regulacyjna
Zapytaj
1 szt.
—
96
2910211206
Wkręt Do Blach
Zapytaj
3 szt.
—
42/1
1609330106
Most Łożyskowy
Zapytaj
1 szt.
—
71/1
1609330108
Podkładka Dystansowa
Zapytaj
1 szt.
—
711
0601999007
Zestaw Części
Zapytaj
1 szt.
—
71/2
1609330109
Pierścień Zakrywający
Zapytaj
1 szt.
—
50/01
2910141213
Śr.Z Łb.Okr.O Gnieź.Sześ.
12,00 zł
1 szt.
—
711/1
1609200562
Podwozie
Zapytaj
1 szt.
—
711/2
1609200563
PROWADNICA WZDŁUŻNA
Zapytaj
1 szt.
—
3/00/01
2600905032
Łożysko Kulkowe
21,00 zł
1 szt.
—
711/1/1
1609200622
Zestaw Części
Zapytaj
1 szt.
—
711/1/2
1609231000
Bufor
Zapytaj
4 szt.
—
711/2/1
1609200623
Zestaw Części
Zapytaj
1 szt.
—
711/2/2
1609200054
ZDERZAK
Zapytaj
1 szt.
—
711/2/3
1609200628
Zderzak
Zapytaj
1 szt.
—