Części
Maszyny
Kontakt
Home
Maszyny
Szlifierka prosta
Bosch
SZLIFIERKA PROSTA *GS26/2/50/270
0602238001 -
SZLIFIERKA PROSTA Bosch *GS26/2/50/270
100%
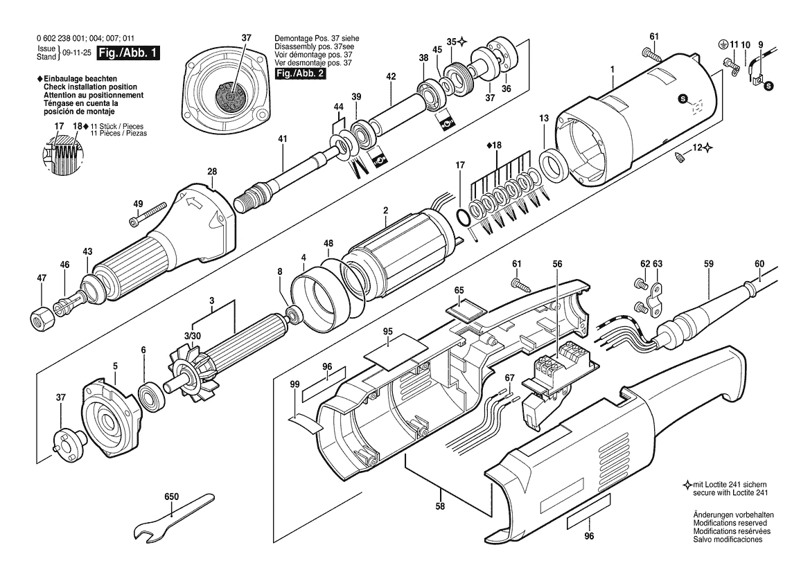
Poz:
1
2
3
4
5
6
8
9
10
11
12
13
17
18
28
35
36
37
38
39
41
42
43
44
45
46
47
48
49
56
58
59
60
61
62
63
65
67
95
96
99
650
42 części
Sortuj
Poz.
Nr kat.
Nazwa
Cena brutto
Ilość
Zamów
1
16051082ZX
Kadłub Silnika
Zapytaj
1 szt.
—
2
3604229005
Stojan
200,73 zł
1 szt.
3
3604081001
Wirnik Bez Uzwojenia
Zapytaj
1 szt.
—
4
1600502005
Pierścień Kier. Powietrza
8,36 zł
1 szt.
5
3605820058
Kołnierz Łożyskowy
119,06 zł
1 szt.
6
1900905017
Łożysko Kulkowe Zwykłe
67,65 zł
1 szt.
8
1900905015
Łożysko Kulkowe Zwykłe
77,74 zł
1 szt.
9
3601321001
Pałąk Zaciskowy
9,59 zł
1 szt.
10
3600150006
Podkładka Sprężysta
5,29 zł
1 szt.
11
2910110120
Śruba Z Łbem Płaskim
4,06 zł
1 szt.
12
3603402000
Wkręt Bez Łba
5,29 zł
2 szt.
13
1600209011
Pierścień Uszczelniający
7,13 zł
1 szt.
17
3600210039
Pierścień Samouszczeln.
26,32 zł
1 szt.
18
3600150013
Sprężyna Talerzowa
8,36 zł
11 szt.
28
3605806121
Łożysko Wrzeciona
711,92 zł
1 szt.
35
1603344053
Pierścień Gwintowany
205,53 zł
1 szt.
36
1606442000
Zabierak
16,85 zł
1 szt.
37
1600320028
Zabierak
132,84 zł
2 szt.
38
1900905225
Łożysko Kulkowe Zwykłe
Zapytaj
1 szt.
—
39
1900905121
Łożysko Kulkowe Zwykłe
49,45 zł
1 szt.
41
1603523082
Trzpień Ścierający
711,92 zł
1 szt.
42
1600300083
Tulejka Dystansowa
53,26 zł
1 szt.
43
3600250007
Pierścień Zabezpieczający
59,53 zł
1 szt.
44
1600550008
Sprężyna Talerzowa
7,13 zł
2 szt.
45
1600103027
Podkładka Dystansowa
97,79 zł
1 szt.
46
2608570129
Szczypce Do Rozpierania
59,53 zł
1 szt.
47
3603342009
Nakrętka Okrągła
38,87 zł
1 szt.
48
3600210017
Pierścień Samouszczeln.
11,07 zł
1 szt.
49
2910141136
Śr.Z Łb.Okr.O Gnieź.Sześ.
7,13 zł
3 szt.
56
1607200038
Wyłącznik
189,30 zł
1 szt.
58
3605132040
Rękojeść
67,65 zł
1 szt.
59
3600703011
Końcówka
8,36 zł
1 szt.
60
3604462051
Przewód Elekt. Ze Złączem
132,84 zł
1 szt.
61
2603490022
Śruba
4,06 zł
8 szt.
62
2910021116
Śruba Z Łbem Walcowym
7,26 zł
2 szt.
63
1601302014
Zacisk Mocujący
5,29 zł
1 szt.
65
3601060001
Płyta Osłaniająca
13,65 zł
1 szt.
67
3604477008
Tuleja Końcowa Żyły
4,06 zł
1 szt.
95
3601106053
Tabliczka Znamionowa
11,07 zł
1 szt.
96
1601110483
Tabliczka Firmy
8,36 zł
2 szt.
99
3601119236
Tabliczka Informacyjna
11,07 zł
1 szt.
650
1907950510
Klucz Szczękowy Jednostr.
Zapytaj
2 szt.
—