Części
Maszyny
Kontakt
Home
Maszyny
Szlifierka oscylacyjna
Bosch
SZLIFIERKA OSCYLACYJNA DES.(A1)
0601286003 -
SZLIFIERKA OSCYLACYJNA Bosch DES.(A1)
100%
Poz:
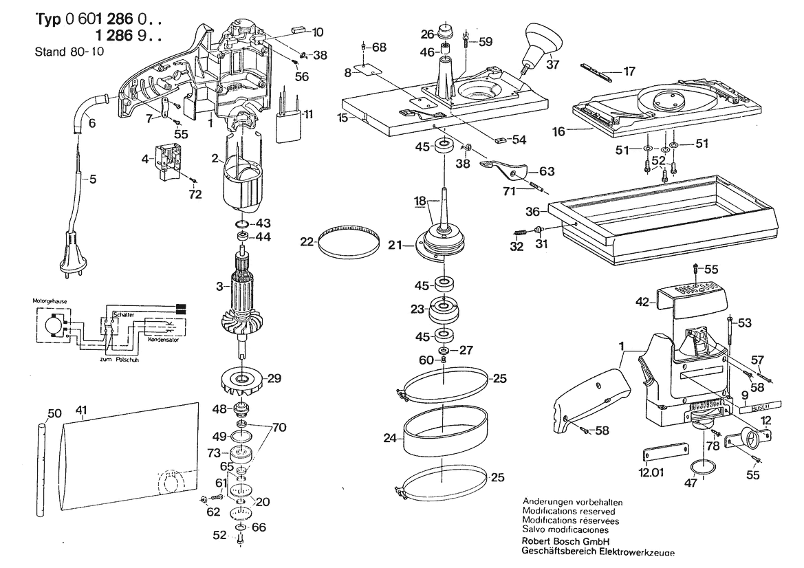
1
2
3
4
5
6
7
8
9
10
11
15
16
17
18
20
21
22
23
24
25
26
27
31
32
36
37
38
41
42
43
44
45
46
47
48
49
50
51
52
53
54
55
56
57
58
59
60
61
62
63
65
66
68
70
71
72
73
78
12/01
60 części
Sortuj
Poz.
Nr kat.
Nazwa
Cena brutto
Ilość
Zamów
1
2605104940
Skorupa Obudowy
Zapytaj
1 szt.
—
2
2604220394
Stojan
Zapytaj
1 szt.
—
3
2604010499
Twornik
Zapytaj
1 szt.
—
4
2607200060
Przeł. Wejścia/Wyjścia
Zapytaj
1 szt.
—
5
1607000227
Przewód Zasil. Sieciowy
92,00 zł
1 szt.
—
6
1600703016
Końcówka
8,00 zł
1 szt.
—
7
1601302014
Zacisk Mocujący
9,00 zł
1 szt.
—
8
160111A3H3
Tabliczka Znamionowa
12,00 zł
1 szt.
—
9
1601110481
Tabliczka Firmy
11,00 zł
1 szt.
—
10
1604321900
Szczotka Węglowa
Zapytaj
1 szt.
—
11
2607329069
Kondensator Przeciwzakł.
Zapytaj
1 szt.
—
15
2605700920
Kołnierz Pośredni
Zapytaj
1 szt.
—
16
2601001900
Płytka Wibracyjna
Zapytaj
1 szt.
—
17
2602329022
DOCISK
Zapytaj
2 szt.
—
18
2606600901
Koło Pasowe
Zapytaj
1 szt.
—
20
2600120046
Tarcza Mocująca
Zapytaj
2 szt.
—
21
2606600900
Koło Pasowe
Zapytaj
1 szt.
—
22
2604735002
Pas Klinowy
Zapytaj
1 szt.
—
23
2605703900
Kołnierz Łożyskowy
Zapytaj
1 szt.
—
24
2600290012
Pierścień Uszczelniający
Zapytaj
1 szt.
—
25
2601316000
Obejma Zaciskowa Do Węża
Zapytaj
2 szt.
—
26
2600502016
Kołpak Ochronny
Zapytaj
1 szt.
—
27
1600114038
Tarcza Mocująca
Zapytaj
1 szt.
—
31
2603126005
Trzpień Ustalaj. Zatrzask
Zapytaj
1 szt.
—
32
1604626004
Sprężyna Dociskowa
Zapytaj
1 szt.
—
36
2608005901
Rama Ochronna
Zapytaj
1 szt.
—
37
1603481001
Rękojeść
Zapytaj
1 szt.
—
38
1604652004
Sprężyna Spiralna
12,00 zł
4 szt.
—
41
2605411900
WOREK NA PYŁ
Zapytaj
1 szt.
—
42
2605500068
Pokrywa Obudowy
Zapytaj
1 szt.
—
43
1900210112
Pierścień Samouszczeln.
12,00 zł
1 szt.
—
44
1900905015
Łożysko Kulkowe Zwykłe
117,00 zł
1 szt.
—
45
2600905013
Łożysko Kulkowe Zwykłe
Zapytaj
3 szt.
—
46
1610910057
Tuleja Igłowa
13,00 zł
1 szt.
—
47
1900210139
Pierścień Samouszczeln.
Zapytaj
1 szt.
—
48
2600220024
Pierścień Uszczelniający
Zapytaj
1 szt.
—
49
2600210027
Pierścień Samouszczeln.
Zapytaj
1 szt.
—
50
2601314002
Uchwyt Zaciskowy
Zapytaj
1 szt.
—
51
2916033018
Tarcza Zębata
Zapytaj
3 szt.
—
52
2910021154
Śruba Z Łbem Walcowym
8,00 zł
4 szt.
—
53
2603410025
Śruba Z Łbem Walcowym
Zapytaj
4 szt.
—
54
2603320001
Nakrętka Czworokątna
9,00 zł
2 szt.
—
55
2910611017
Wkręt Do Blach
Zapytaj
6 szt.
—
56
2910601004
Wkręt Do Blach
Zapytaj
4 szt.
—
57
2910211007
Wkręt Do Blach
9,00 zł
2 szt.
—
58
2910611019
Wkręt Do Blach
13,00 zł
7 szt.
—
59
1613435034
Wkręt O Socz. Łbie Stożk.
8,00 zł
2 szt.
—
60
2910775118
Wkręt Z Łbem Stożk. Płas.
Zapytaj
1 szt.
—
61
2910011128
Śruba Z Łbem Walcowym
8,00 zł
1 szt.
—
62
2915051104
Nakrętka Sześciokątna
Zapytaj
1 szt.
—
63
2602098011
Dźwignia Zmiany Biegów
Zapytaj
2 szt.
—
65
2600100576
Podkładka Regulacyjna
11,00 zł
2 szt.
—
66
2916011014
Podkładka
8,00 zł
1 szt.
—
68
3603133000
Nitokołek
12,00 zł
2 szt.
—
70
2600200019
Pierścień Dystansowy
Zapytaj
2 szt.
—
71
2604681000
Zawleczka
Zapytaj
2 szt.
—
72
2603410021
Śruba Z Łbem Walcowym
Zapytaj
4 szt.
—
73
2600905020
Łożysko Kulkowe Zwykłe
Zapytaj
1 szt.
—
78
2910211020
Wkręt Do Blach
11,00 zł
2 szt.
—
12/01
2601000031
Blacha Przykrywająca
Zapytaj
1 szt.
—