Części
Maszyny
Kontakt
Home
Maszyny
Szlifierka mimośrodowa
Bosch
SZLIFIERKA MIMOŚRODOWA HF HTS 86/180
0602370107 -
SZLIFIERKA MIMOŚRODOWA HF Bosch HTS 86/180
100%
Poz:
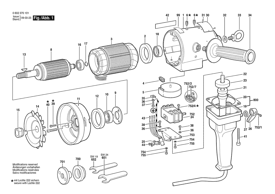
1
2
3
4
5
6
8
9
10
11
12
13
14
15
16
17
18
19
20
21
22
23
24
25
26
27
30
31
32
33
34
35
36
37
38
39
40
41
42
43
99
651
652
700
701
752
753
754
752/1
752/2
752/4
752/7
52 części
Sortuj
Poz.
Nr kat.
Nazwa
Cena brutto
Ilość
Zamów
1
3605102056
Kadłub Silnika
Zapytaj
1 szt.
—
2
1600209009
Pierścień Uszczelniający
20,66 zł
1 szt.
3
1604229209
Stojan
644,51 zł
1 szt.
4
1600306000
Końcówka
Zapytaj
1 szt.
—
5
1600502004
Kołpak Ochronny
13,65 zł
1 szt.
6
1603402004
Wkręt Bez Łba
7,13 zł
6 szt.
8
1604081013
Wirnik Bez Uzwojenia
948,82 zł
1 szt.
9
3600134004
Pokrywa Łożyska
48,83 zł
1 szt.
10
3600905016
Łożysko Kulkowe Zwykłe
Zapytaj
1 szt.
—
11
3605808007
Pokrywa Łożyska
711,92 zł
1 szt.
12
1600209012
Pierścień Uszczelniający
Zapytaj
1 szt.
—
13
1900023007
Sprężyna Krążkowa
Zapytaj
1 szt.
—
14
1606610056
Wentylator
251,90 zł
1 szt.
15
1600341000
Pierścień Pośredni
Zapytaj
1 szt.
—
16
1900900287
Łożysko Kulkowe Zwykłe
77,74 zł
1 szt.
17
2916600007
Pierścień Sprężysty
8,36 zł
1 szt.
18
1600206015
Pierścień Gumowy
7,13 zł
1 szt.
19
3605132035
Rękojeść
119,06 zł
1 szt.
20
1601015011
Uszczelka
Zapytaj
1 szt.
—
21
1600703009
Końcówka
16,85 zł
1 szt.
22
3604462043
Przewód Elekt. Ze Złączem
205,53 zł
1 szt.
23
1600113003
Płytka Uszczelniająca
9,59 zł
1 szt.
24
1607200017
Przeł. Wejścia/Wyjścia
349,69 zł
1 szt.
25
1601303003
Zacisk Mocujący
7,13 zł
1 szt.
26
1602026038
Dźwignia Zmiany Biegów
Zapytaj
1 szt.
—
27
1600108024
Uszczelka
Zapytaj
1 szt.
—
30
3601106053
Tabliczka Znamionowa
11,07 zł
1 szt.
31
3603133001
Nitokołek
5,29 zł
2 szt.
32
2916680011
Pierścień Sprężysty
Zapytaj
1 szt.
—
33
2912521237
Śruba Pierścieniowa
Zapytaj
1 szt.
—
34
160202509Z
Uchwyt Dodatkowy
53,26 zł
1 szt.
35
3601321001
Pałąk Zaciskowy
9,59 zł
1 szt.
36
3600150006
Podkładka Sprężysta
5,29 zł
3 szt.
37
2910110120
Śruba Z Łbem Płaskim
4,06 zł
1 szt.
38
2910021118
Śruba Z Łbem Walcowym
4,06 zł
2 szt.
39
2910021125
Śruba Z Łbem Walcowym
4,06 zł
3 szt.
40
2910141201
Śr.Z Łb.Okr.O Gnieź.Sześ.
8,36 zł
3 szt.
41
2910141209
Śr.Z Łb.Okr.O Gnieź.Sześ.
Zapytaj
4 szt.
—
42
3601110104
Tabliczka Firmy
Zapytaj
1 szt.
—
43
3604477008
Tuleja Końcowa Żyły
4,06 zł
3 szt.
99
3601119236
Tabliczka Informacyjna
11,07 zł
1 szt.
651
1907950513
Klucz Szczękowy Jednostr.
54,00 zł
1 szt.
652
1907950508
Klucz Szczękowy Jednostr.
48,83 zł
1 szt.
700
3605703052
Kołnierz Mocujący
Zapytaj
1 szt.
—
701
3605703053
Nakrętka Okrągła
Zapytaj
1 szt.
—
752
1607200006
Przeł. Wejścia/Wyjścia
307,13 zł
1 szt.
753
3601023015
Płyta Mocująca
77,74 zł
1 szt.
754
2916690003
Pierścień Sprężysty
4,06 zł
2 szt.
752/1
2910001052
Śruba Z Łbem Walcowym
7,13 zł
1 szt.
752/2
1604650009
Sprężyna Ściągająca
Zapytaj
1 szt.
—
752/4
2910091118
Śruba Z Łbem Płaskim
Zapytaj
6 szt.
—
752/7
1603200007
Rolka Spoczynkowa
Zapytaj
1 szt.
—