Części
Maszyny
Kontakt
Home
Maszyny
Szlifierka mimośrodowa
Bosch
SZLIFIERKA MIMOŚRODOWA HF ----
0602373005 -
SZLIFIERKA MIMOŚRODOWA HF Bosch ----
100%
Poz:
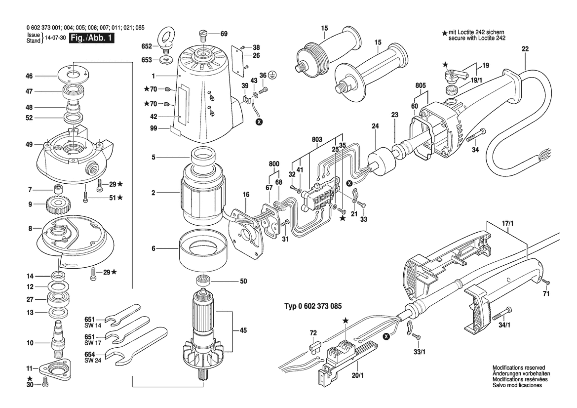
1
2
5
6
7
8
9
11
12
14
15
16
19
21
23
24
25
26
27
29
30
31
32
33
34
35
36
38
39
41
42
43
45
46
47
48
49
50
51
52
60
67
68
69
70
71
99
19/1
651
652
653
654
800
803
805
55 części
Sortuj
Poz.
Nr kat.
Nazwa
Cena brutto
Ilość
Zamów
1
3605102055
Kadłub Silnika
842,54 zł
1 szt.
2
1604229192
Stojan
620,65 zł
1 szt.
5
1600209004
Pierścień Uszczelniający
7,13 zł
1 szt.
6
1600209002
Pierścień Kier. Powietrza
9,59 zł
1 szt.
7
1600910007
Tuleja Igłowa
44,53 zł
1 szt.
8
3605808006
Pokrywa Łożyska
879,45 zł
1 szt.
9
1606320040
Koło Zębate Czołowe
404,18 zł
1 szt.
11
1605808041
Pokrywa Łożyska
192,00 zł
1 szt.
12
1600102641
Podkładka Regulacyjna
18,33 zł
1 szt.
14
1600202027
Pierścień Pośredni
39,36 zł
1 szt.
15
160202509Z
Uchwyt Dodatkowy
53,26 zł
1 szt.
16
3601038010
Płyta Zamykająca
147,48 zł
1 szt.
19
1602026030
Dźwignia Zmiany Biegów
26,32 zł
1 szt.
21
1601303003
Zacisk Mocujący
7,13 zł
1 szt.
23
1600703009
Końcówka
16,85 zł
1 szt.
24
1600113003
Płytka Uszczelniająca
9,59 zł
1 szt.
25
1600150006
Podkładka Sprężysta
Zapytaj
1 szt.
—
26
3601106053
Tabliczka Znamionowa
11,07 zł
1 szt.
27
1900905226
Łożysko Kulkowe Zwykłe
97,79 zł
1 szt.
29
2910141160
Śr.Z Łb.Okr.O Gnieź.Sześ.
4,06 zł
8 szt.
30
2910021154
Śruba Z Łbem Walcowym
4,06 zł
3 szt.
31
2910011152
Śruba Z Łbem Walcowym
4,06 zł
2 szt.
32
2910211006
Wkręt Do Blach
4,06 zł
2 szt.
33
2910021118
Śruba Z Łbem Walcowym
4,06 zł
2 szt.
34
2910141168
Śr.Z Łb.Okr.O Gnieź.Sześ.
9,59 zł
4 szt.
35
2910091118
Śruba Z Łbem Płaskim
Zapytaj
6 szt.
—
36
2910110122
Śruba Z Łbem Płaskim
Zapytaj
1 szt.
—
38
3603133001
Nitokołek
5,29 zł
2 szt.
39
3601321001
Pałąk Zaciskowy
9,59 zł
1 szt.
41
2916011005
Podkładka
4,06 zł
2 szt.
42
3601110104
Tabliczka Firmy
Zapytaj
1 szt.
—
43
3600150006
Podkładka Sprężysta
5,29 zł
1 szt.
45
1604080079
Wirnik Bez Uzwojenia
217,70 zł
1 szt.
46
1600501019
Pokrywa Łożyska
85,24 zł
1 szt.
47
1600900001
Łożysko Kulkowe Zwykłe
Zapytaj
1 szt.
—
48
1600420003
Pierścień Pośredni
172,94 zł
1 szt.
49
1605820152
Osłona Łożyska
963,09 zł
1 szt.
50
1610900025
Łożysko Kulkowe Zwykłe
43,91 zł
1 szt.
51
2910021125
Śruba Z Łbem Walcowym
4,06 zł
3 szt.
52
3600205002
Pierścień Filcowy
5,29 zł
1 szt.
60
1601014000
Sznur Uszczelniający
9,59 zł
1 szt.
67
1602388006
Płytka Uszczelniająca
18,08 zł
1 szt.
68
1600306001
Końcówka
8,36 zł
1 szt.
69
2910021232
Śruba Z Łbem Walcowym
5,41 zł
1 szt.
70
1603402002
Wkręt Bez Łba
5,29 zł
4 szt.
71
2910211021
Wkręt Do Blach
4,06 zł
3 szt.
99
3601119236
Tabliczka Informacyjna
11,07 zł
1 szt.
19/1
1600205008
Pierścień Filcowy
5,29 zł
1 szt.
651
2607950511
Klucz Szczękowy Jednostr.
13,65 zł
2 szt.
652
2912521237
Śruba Pierścieniowa
Zapytaj
1 szt.
—
653
2916680011
Pierścień Sprężysty
Zapytaj
1 szt.
—
654
1907950513
Klucz Szczękowy Jednostr.
54,00 zł
1 szt.
800
1602388007
Płytka Uszczelniająca
38,87 zł
1 szt.
803
1607000036
Zestaw Wyłączników
Zapytaj
1 szt.
—
805
3605132048
Rękojeść
251,90 zł
1 szt.