Części
Maszyny
Kontakt
Home
Maszyny
Szlifierka mimośrodowa
Bosch
SZLIFIERKA MIMOSRODOWA PEX 15 AE
0603298735 -
SZLIFIERKA MIMOSRODOWA Bosch PEX 15 AE
100%
Poz:
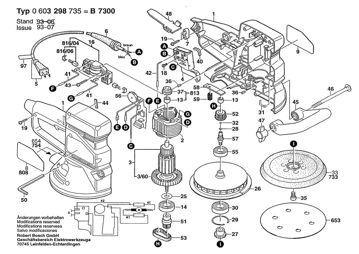
1
2
3
4
5
6
7
9
13
14
16
18
19
25
26
27
28
29
30
31
32
35
36
40
42
43
44
45
46
47
48
50
51
52
53
55
56
57
58
59
97
3/60
733
754
757
808
816/04
816/06
48 części
Sortuj
Poz.
Nr kat.
Nazwa
Cena brutto
Ilość
Zamów
1
2605104403
Skorupa Obudowy
Zapytaj
1 szt.
—
2
2604220543
Stojan
60,39 zł
1 szt.
3
2604010880
Twornik
147,48 zł
1 szt.
4
2607200260
Wyłącznik
28,78 zł
1 szt.
5
2604460188
Przewód Zasil. Sieciowy
49,45 zł
1 szt.
6
2600703018
Końcówka
8,36 zł
1 szt.
7
2601035004
Uchwyt Przewodu
7,13 zł
1 szt.
9
2601118499
Tabliczka Firmy
Zapytaj
1 szt.
—
13
2600917002
Tuleja Igłowa
11,07 zł
2 szt.
14
2600905034
Łożysko Kulkowe Zwykłe
43,91 zł
1 szt.
16
2605807121
Płytka Szczotkowa
Zapytaj
1 szt.
—
18
2603410001
Śruba Z Łbem Walcowym
5,29 zł
2 szt.
19
2603490021
Wkręt Soczewkowy Torx
4,06 zł
2 szt.
25
2600100041
Podkładka
5,29 zł
1 szt.
26
2606610066
Wentylator
Zapytaj
1 szt.
—
27
2606490053
Zabierak
Zapytaj
1 szt.
—
28
2600000022
Podkładka Regulacyjna
4,06 zł
1 szt.
29
2600116014
Pierścień Zabezpieczajacy
4,06 zł
1 szt.
30
2600905111
Łożysko Kulkowe Zwykłe
Zapytaj
1 szt.
—
31
2601329057
Sprężyna Kontaktowa
8,36 zł
1 szt.
32
1903230007
Kula
5,29 zł
1 szt.
35
2910141238
Śr.Z Łb.Okr.O Gnieź.Sześ.
Zapytaj
1 szt.
—
36
1603100036
Zderzak Gumowy
5,29 zł
4 szt.
40
2601022000
Płyta Izolacyjna
Zapytaj
1 szt.
—
42
2604448166
PRZEWÓD ŁĄCZĄCY
Zapytaj
1 szt.
—
43
2603490023
Wkręt Soczewkowy Torx
4,06 zł
2 szt.
44
2602380003
Taśma Uszczelniająca
Zapytaj
2 szt.
—
45
2602025068
Rękojeść
Zapytaj
1 szt.
—
46
2910285226
Śruba Okrągła Płaska
5,29 zł
1 szt.
47
1603339006
Nakrętka Skrzydełkowa
Zapytaj
1 szt.
—
48
2608005043
Suwak
4,06 zł
1 szt.
50
2610364015
Klucz Imbusowy
11,07 zł
1 szt.
51
2606625014
Koło Pasa Zębatego
Zapytaj
1 szt.
—
52
2606625015
Koło Pasa Zębatego
Zapytaj
1 szt.
—
53
2604736009
Pas Zębaty
18,08 zł
1 szt.
55
2600923002
Łożysko Kulkowe Zwykłe
Zapytaj
1 szt.
—
56
2608300007
Regulator Prędk. Obrotow.
192,00 zł
1 szt.
57
2603124116
Wal Napedowy
Zapytaj
1 szt.
—
58
2601901006
Dźwignia
Zapytaj
1 szt.
—
59
2604610032
Sprężyna Dociskowa
Zapytaj
1 szt.
—
97
2610904501
Etykieta
Zapytaj
1 szt.
—
3/60
2606610055
Wentylator
13,65 zł
1 szt.
733
2608601051
Podkładka nośna
Zapytaj
1 szt.
—
754
2605411067
WOREK NA PYŁ
Zapytaj
1 szt.
—
757
2600282014
KOŁPAK ODSYSANIA
Zapytaj
1 szt.
—
808
2601119246
TABLICZKA ZNAMIONOWA
Zapytaj
1 szt.
—
816/04
2604321914
Zestaw Szczotek Węglowych
Zapytaj
1 szt.
—
816/06
2601322013
Kołpak Ustalający
5,29 zł
2 szt.