Części
Maszyny
Kontakt
Home
Maszyny
Szlifierka mimośrodowa
Bosch
SZLIFIERKA MIMOSRODOWA PEX 400 AE
0603310632 -
SZLIFIERKA MIMOSRODOWA Bosch PEX 400 AE
100%
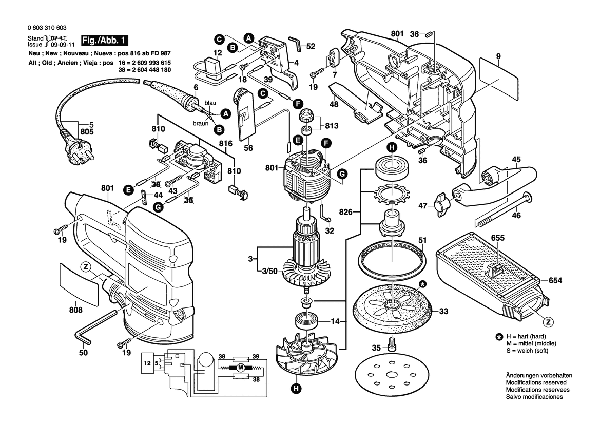
Poz:
3
4
5
6
7
9
12
14
18
19
32
33
35
36
39
43
44
45
46
47
48
50
51
52
56
3/50
654
655
801
808
810
813
816
826
34 części
Sortuj
Poz.
Nr kat.
Nazwa
Cena brutto
Ilość
Zamów
3
2604011265
Twornik
Zapytaj
1 szt.
—
4
2607200260
Wyłącznik
36,00 zł
1 szt.
—
5
2604460125
Przewód Zasil. Sieciowy
20,91 zł
1 szt.
—
6
2600703017
Końcówka
12,00 zł
1 szt.
—
7
2601035001
Uchwyt Przewodu
9,00 zł
1 szt.
—
9
2601117752
Tabliczka Firmy
8,36 zł
1 szt.
—
12
1607328028
Filtr Przeciwzakłóceniowy
21,00 zł
1 szt.
—
14
2600905034
Łożysko Kulkowe Zwykłe
49,00 zł
1 szt.
—
18
2603410001
Śruba Z Łbem Walcowym
9,00 zł
2 szt.
—
19
2603490022
Śruba
8,00 zł
10 szt.
—
32
2601329057
Sprężyna Kontaktowa
12,00 zł
1 szt.
—
33
2608601902
Podkładka nośna
74,00 zł
1 szt.
—
35
2603414062
Śr.Z Łb.Okr.O Gnieź.Sześ.
11,00 zł
1 szt.
—
36
1603100036
Zderzak Gumowy
9,00 zł
2 szt.
—
39
2604448181
PRZEWÓD ŁĄCZĄCY
11,00 zł
1 szt.
—
43
2603490023
Wkręt Soczewkowy Torx
8,00 zł
2 szt.
—
44
2602380003
Taśma Uszczelniająca
Zapytaj
1 szt.
—
45
2602025068
Rękojeść
Zapytaj
1 szt.
—
46
2910285226
Śruba Okrągła Płaska
9,00 zł
1 szt.
—
47
1603339006
Nakrętka Skrzydełkowa
Zapytaj
1 szt.
—
48
2608005043
Suwak
8,00 zł
1 szt.
—
50
2610364015
Klucz Imbusowy
15,00 zł
1 szt.
—
51
2600206015
PIERŚCIEŃ
Zapytaj
1 szt.
—
52
2601022000
Płyta Izolacyjna
Zapytaj
1 szt.
—
56
2607233023
Nastawnik Prędk. Obrotow.
92,00 zł
1 szt.
—
3/50
2606610077
Wentylator
Zapytaj
1 szt.
—
654
2605411129
POJEMNIK NA KURZ
49,00 zł
1 szt.
—
655
2605702039
Adapter
15,00 zł
1 szt.
—
801
2605104800
Skorupa Obudowy
Zapytaj
1 szt.
—
808
2601117767
Tabliczka Znamionowa
Zapytaj
1 szt.
—
810
2607014001
Zestaw Szczotek Węglowych
Zapytaj
1 szt.
—
813
2605805005
Zespół Łożyska
Zapytaj
1 szt.
—
816
2604337911
Płytka Szczotkowa
Zapytaj
1 szt.
—
826
2606610901
Wentylator
Zapytaj
1 szt.
—