Części
Maszyny
Kontakt
Home
Maszyny
Szlifierka mimośrodowa
Bosch
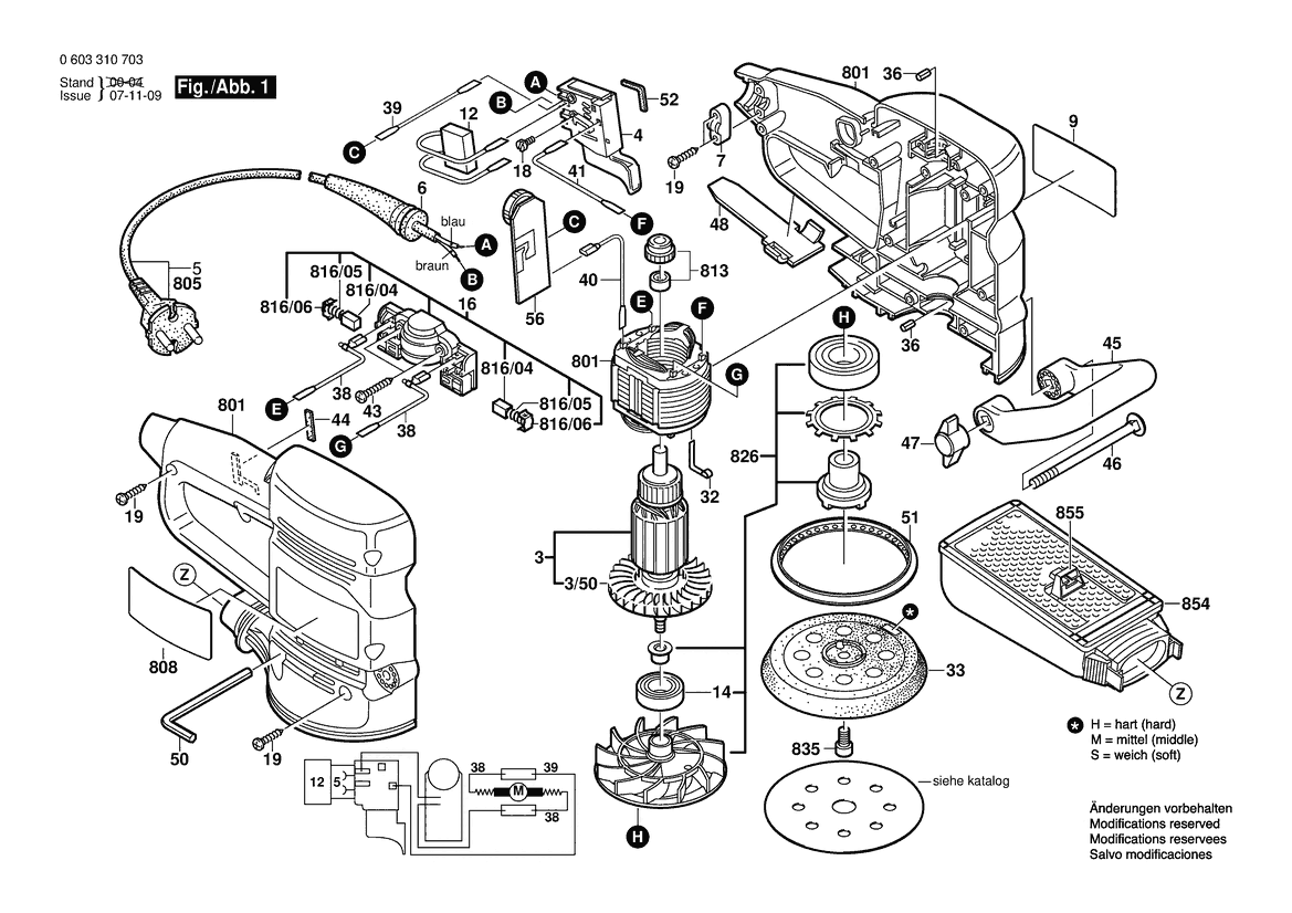
SZLIFIERKA MIMOSRODOWA PEX 12 AE
0603310703 -
SZLIFIERKA MIMOSRODOWA Bosch PEX 12 AE
100%
Poz:
3
4
6
7
9
12
14
16
18
19
32
33
36
38
40
41
43
44
45
46
47
48
50
51
52
56
3/50
654
801
805
808
813
826
835
854
855
816/04
816/05
816/06
39 części
Sortuj
Poz.
Nr kat.
Nazwa
Cena brutto
Ilość
Zamów
3
2604011265
Twornik
Zapytaj
1 szt.
—
4
2607200260
Wyłącznik
36,00 zł
1 szt.
—
6
2600703017
Końcówka
12,00 zł
1 szt.
—
7
2601035001
Uchwyt Przewodu
9,00 zł
1 szt.
—
9
2601118416
Tabliczka Firmy
Zapytaj
1 szt.
—
12
1607328028
Filtr Przeciwzakłóceniowy
21,00 zł
1 szt.
—
14
2600905034
Łożysko Kulkowe Zwykłe
49,00 zł
1 szt.
—
16
2604337118
Płytka Szczotkowa
92,00 zł
1 szt.
—
18
2603410001
Śruba Z Łbem Walcowym
9,00 zł
2 szt.
—
19
2603490022
Śruba
8,00 zł
10 szt.
—
32
2601329057
Sprężyna Kontaktowa
12,00 zł
1 szt.
—
33
2608601902
Podkładka nośna
74,00 zł
1 szt.
—
36
1603100036
Zderzak Gumowy
9,00 zł
2 szt.
—
38
2604448180
PRZEWÓD ŁĄCZĄCY
4,06 zł
2 szt.
—
40
2604448181
PRZEWÓD ŁĄCZĄCY
11,00 zł
1 szt.
—
41
2604448183
PRZEWÓD ŁĄCZĄCY
Zapytaj
1 szt.
—
43
2603490023
Wkręt Soczewkowy Torx
8,00 zł
2 szt.
—
44
2602380003
Taśma Uszczelniająca
Zapytaj
1 szt.
—
45
2602025068
Rękojeść
Zapytaj
1 szt.
—
46
2910285226
Śruba Okrągła Płaska
9,00 zł
1 szt.
—
47
1603339006
Nakrętka Skrzydełkowa
Zapytaj
1 szt.
—
48
2608005043
Suwak
8,00 zł
1 szt.
—
50
2610364015
Klucz Imbusowy
15,00 zł
1 szt.
—
51
2600206015
PIERŚCIEŃ
Zapytaj
1 szt.
—
52
2601022000
Płyta Izolacyjna
Zapytaj
1 szt.
—
56
2607233023
Nastawnik Prędk. Obrotow.
92,00 zł
1 szt.
—
3/50
2606610077
Wentylator
Zapytaj
1 szt.
—
654
2605411069
WOREK NA PYŁ
15,00 zł
1 szt.
—
801
2605104800
Skorupa Obudowy
Zapytaj
1 szt.
—
805
1607000388
Przewód Zasil. Sieciowy
34,00 zł
1 szt.
—
808
2601119287
Tabliczka Znamionowa
Zapytaj
1 szt.
—
813
2605805005
Zespół Łożyska
Zapytaj
1 szt.
—
826
2606610901
Wentylator
Zapytaj
1 szt.
—
835
2603414062
Śr.Z Łb.Okr.O Gnieź.Sześ.
11,00 zł
1 szt.
—
854
2605411129
POJEMNIK NA KURZ
49,00 zł
1 szt.
—
855
2605702039
Adapter
15,00 zł
1 szt.
—
816/04
2604321917
Zestaw Szczotek Węglowych
Zapytaj
1 szt.
—
816/05
2604610026
Sprężyna Dociskowa
12,00 zł
2 szt.
—
816/06
2601322013
Kołpak Ustalający
9,00 zł
2 szt.
—