Części
Maszyny
Kontakt
Home
Maszyny
Szlifierka mimośrodowa
Bosch
SZLIFIERKA MIMOŚRODOWA HF Hf-Disc Grinder
0602370164 -
SZLIFIERKA MIMOŚRODOWA HF Bosch Hf-Disc Grinder
100%
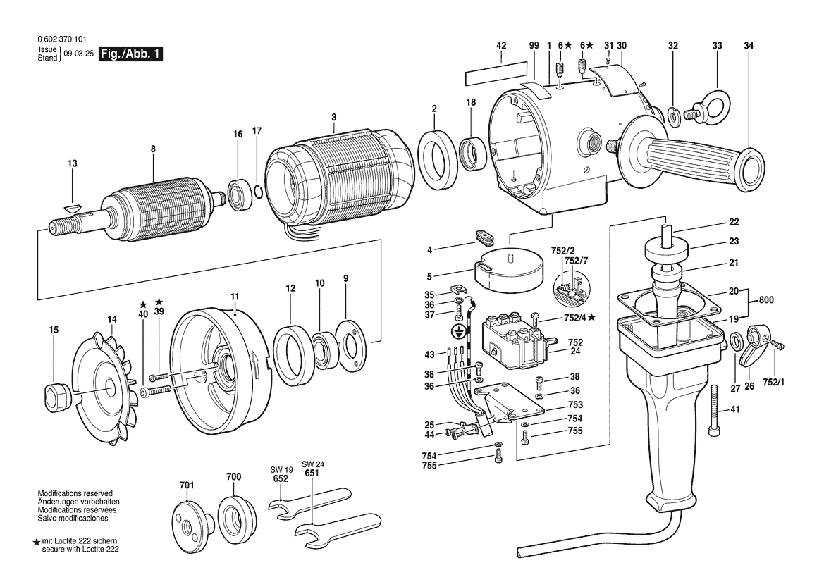
Poz:
1
2
3
4
5
6
8
9
10
11
12
13
14
15
16
17
18
19
20
21
23
24
25
26
27
30
31
32
33
34
35
36
37
38
39
40
41
42
43
99
651
652
700
701
752
753
754
752/1
752/2
752/4
752/7
51 części
Sortuj
Poz.
Nr kat.
Nazwa
Cena brutto
Ilość
Zamów
1
3605102056
Kadłub Silnika
Zapytaj
1 szt.
—
2
1600209009
Pierścień Uszczelniający
25,00 zł
1 szt.
—
3
1604229208
Stojan
27,04 zł
1 szt.
—
4
1600306000
Końcówka
Zapytaj
1 szt.
—
5
1600502004
Kołpak Ochronny
13,65 zł
1 szt.
—
6
1603402004
Wkręt Bez Łba
12,00 zł
6 szt.
—
8
1604081014
Wirnik Bez Uzwojenia
Zapytaj
1 szt.
—
9
3600134004
Pokrywa Łożyska
54,00 zł
1 szt.
—
10
3600905016
Łożysko Kulkowe Zwykłe
Zapytaj
1 szt.
—
11
3605808007
Pokrywa Łożyska
651,00 zł
1 szt.
—
12
1600209012
Pierścień Uszczelniający
Zapytaj
1 szt.
—
13
1900023007
Sprężyna Krążkowa
Zapytaj
1 szt.
—
14
1606610056
Wentylator
261,00 zł
1 szt.
—
15
1600341000
Pierścień Pośredni
Zapytaj
1 szt.
—
16
1900900287
Łożysko Kulkowe Zwykłe
84,00 zł
1 szt.
—
17
2916600007
Pierścień Sprężysty
13,00 zł
1 szt.
—
18
1600206015
Pierścień Gumowy
11,00 zł
1 szt.
—
19
3605132035
Rękojeść
153,00 zł
1 szt.
—
20
1601015011
Uszczelka
Zapytaj
1 szt.
—
21
1600703009
Końcówka
22,00 zł
1 szt.
—
23
1600113003
Płytka Uszczelniająca
13,00 zł
1 szt.
—
24
1607200017
Przeł. Wejścia/Wyjścia
349,69 zł
1 szt.
—
25
1601303003
Zacisk Mocujący
11,00 zł
1 szt.
—
26
1602026038
Dźwignia Zmiany Biegów
Zapytaj
1 szt.
—
27
1600108024
Uszczelka
Zapytaj
1 szt.
—
30
3601106053
Tabliczka Znamionowa
21,00 zł
1 szt.
—
31
3603133001
Nitokołek
12,00 zł
2 szt.
—
32
2916680011
Pierścień Sprężysty
Zapytaj
1 szt.
—
33
2912521237
Śruba Pierścieniowa
Zapytaj
1 szt.
—
34
160202509Z
Uchwyt Dodatkowy
59,00 zł
1 szt.
—
35
3601321001
Pałąk Zaciskowy
15,00 zł
1 szt.
—
36
3600150006
Podkładka Sprężysta
12,00 zł
3 szt.
—
37
2910110120
Śruba Z Łbem Płaskim
8,00 zł
1 szt.
—
38
2910021118
Śruba Z Łbem Walcowym
8,00 zł
2 szt.
—
39
2910021125
Śruba Z Łbem Walcowym
8,00 zł
3 szt.
—
40
2910141201
Śr.Z Łb.Okr.O Gnieź.Sześ.
12,00 zł
3 szt.
—
41
2910141209
Śr.Z Łb.Okr.O Gnieź.Sześ.
Zapytaj
4 szt.
—
42
3601110104
Tabliczka Firmy
Zapytaj
1 szt.
—
43
3604477008
Tuleja Końcowa Żyły
8,00 zł
3 szt.
—
99
3601119236
Tabliczka Informacyjna
15,00 zł
1 szt.
—
651
1907950513
Klucz Szczękowy Jednostr.
59,00 zł
1 szt.
—
652
1907950508
Klucz Szczękowy Jednostr.
54,00 zł
1 szt.
—
700
3605703052
Kołnierz Mocujący
Zapytaj
1 szt.
—
701
3605703053
Nakrętka Okrągła
Zapytaj
1 szt.
—
752
1607200006
Przeł. Wejścia/Wyjścia
359,00 zł
1 szt.
—
753
3601023015
Płyta Mocująca
84,00 zł
1 szt.
—
754
2916690003
Pierścień Sprężysty
8,00 zł
2 szt.
—
752/1
2910001052
Śruba Z Łbem Walcowym
11,00 zł
1 szt.
—
752/2
1604650009
Sprężyna Ściągająca
Zapytaj
1 szt.
—
752/4
2910091118
Śruba Z Łbem Płaskim
Zapytaj
6 szt.
—
752/7
1603200007
Rolka Spoczynkowa
Zapytaj
1 szt.
—