Części
Maszyny
Kontakt
Home
Maszyny
Szlifierka mimośrodowa
Bosch
SZLIFIERKA MIMOŚRODOWA HF HTS 75/180
0602373004 -
SZLIFIERKA MIMOŚRODOWA HF Bosch HTS 75/180
100%
Poz:
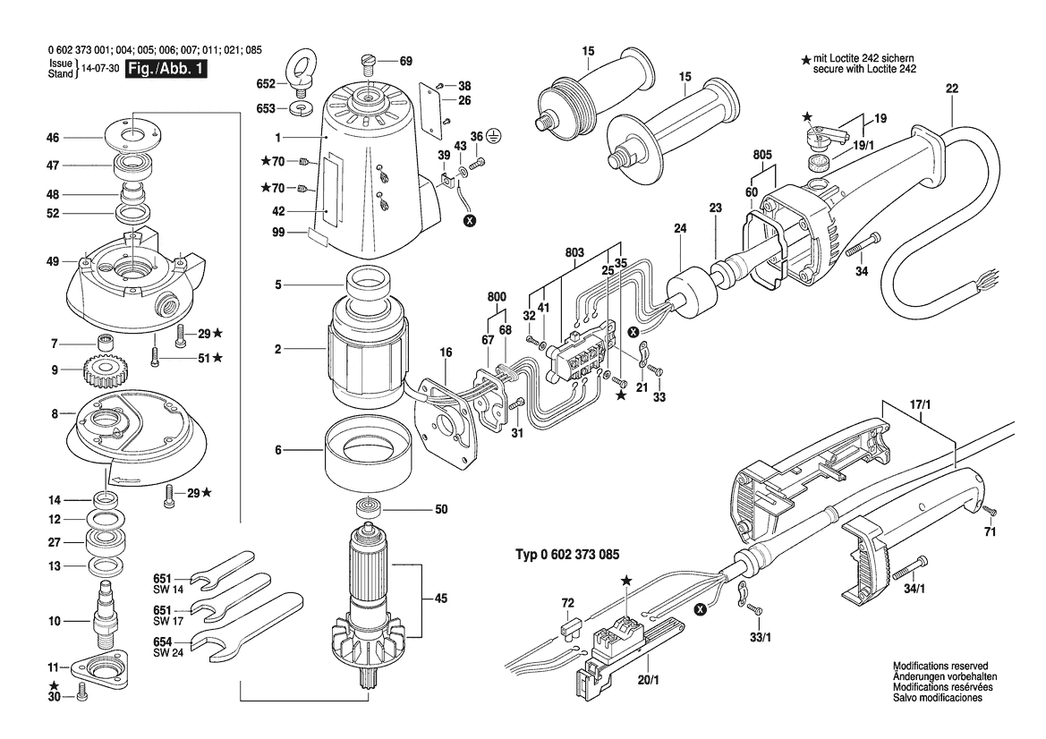
1
2
5
6
7
8
9
10
11
12
14
15
16
19
21
22
23
24
25
26
27
29
30
31
32
33
34
35
36
38
39
41
42
43
45
46
47
48
49
50
51
52
60
67
68
69
70
71
99
19/1
651
652
653
654
800
803
805
57 części
Sortuj
Poz.
Nr kat.
Nazwa
Cena brutto
Ilość
Zamów
1
3605102055
Kadłub Silnika
842,54 zł
1 szt.
—
2
1604229192
Stojan
1481,00 zł
1 szt.
—
5
1600209004
Pierścień Uszczelniający
13,00 zł
1 szt.
—
6
1600209002
Pierścień Kier. Powietrza
21,00 zł
1 szt.
—
7
1600910007
Tuleja Igłowa
49,00 zł
1 szt.
—
8
3605808006
Pokrywa Łożyska
879,45 zł
1 szt.
—
9
1606320040
Koło Zębate Czołowe
405,00 zł
1 szt.
—
10
1603523059
Trzpień Ścierający
382,53 zł
1 szt.
—
11
1605808041
Pokrywa Łożyska
192,00 zł
1 szt.
—
12
1600102641
Podkładka Regulacyjna
18,33 zł
1 szt.
—
14
1600202027
Pierścień Pośredni
39,36 zł
1 szt.
—
15
160202509Z
Uchwyt Dodatkowy
59,00 zł
1 szt.
—
16
3601038010
Płyta Zamykająca
147,48 zł
1 szt.
—
19
1602026030
Dźwignia Zmiany Biegów
31,00 zł
1 szt.
—
21
1601303003
Zacisk Mocujący
11,00 zł
1 szt.
—
22
3607030236
Przewód Elekt. Ze Złączem
Zapytaj
1 szt.
—
23
1600703009
Końcówka
22,00 zł
1 szt.
—
24
1600113003
Płytka Uszczelniająca
13,00 zł
1 szt.
—
25
1600150006
Podkładka Sprężysta
Zapytaj
1 szt.
—
26
3601106053
Tabliczka Znamionowa
21,00 zł
1 szt.
—
27
1900905226
Łożysko Kulkowe Zwykłe
105,00 zł
1 szt.
—
29
2910141160
Śr.Z Łb.Okr.O Gnieź.Sześ.
11,00 zł
8 szt.
—
30
2910021154
Śruba Z Łbem Walcowym
8,00 zł
3 szt.
—
31
2910011152
Śruba Z Łbem Walcowym
4,06 zł
2 szt.
—
32
2910211006
Wkręt Do Blach
8,00 zł
2 szt.
—
33
2910021118
Śruba Z Łbem Walcowym
8,00 zł
2 szt.
—
34
2910141168
Śr.Z Łb.Okr.O Gnieź.Sześ.
13,00 zł
4 szt.
—
35
2910091118
Śruba Z Łbem Płaskim
Zapytaj
6 szt.
—
36
2910110122
Śruba Z Łbem Płaskim
Zapytaj
1 szt.
—
38
3603133001
Nitokołek
12,00 zł
2 szt.
—
39
3601321001
Pałąk Zaciskowy
15,00 zł
1 szt.
—
41
2916011005
Podkładka
8,00 zł
2 szt.
—
42
3601110104
Tabliczka Firmy
Zapytaj
1 szt.
—
43
3600150006
Podkładka Sprężysta
12,00 zł
1 szt.
—
45
1604080079
Wirnik Bez Uzwojenia
1097,00 zł
1 szt.
—
46
1600501019
Pokrywa Łożyska
92,00 zł
1 szt.
—
47
1600900001
Łożysko Kulkowe Zwykłe
Zapytaj
1 szt.
—
48
1600420003
Pierścień Pośredni
172,94 zł
1 szt.
—
49
1605820152
Osłona Łożyska
963,09 zł
1 szt.
—
50
1610900025
Łożysko Kulkowe Zwykłe
49,00 zł
1 szt.
—
51
2910021125
Śruba Z Łbem Walcowym
8,00 zł
3 szt.
—
52
3600205002
Pierścień Filcowy
12,00 zł
2 szt.
—
60
1601014000
Sznur Uszczelniający
13,00 zł
1 szt.
—
67
1602388006
Płytka Uszczelniająca
22,00 zł
1 szt.
—
68
1600306001
Końcówka
12,00 zł
1 szt.
—
69
2910021232
Śruba Z Łbem Walcowym
9,00 zł
1 szt.
—
70
1603402002
Wkręt Bez Łba
9,00 zł
4 szt.
—
71
2910211021
Wkręt Do Blach
9,00 zł
3 szt.
—
99
3601119236
Tabliczka Informacyjna
15,00 zł
1 szt.
—
19/1
1600205008
Pierścień Filcowy
9,00 zł
1 szt.
—
651
2607950511
Klucz Szczękowy Jednostr.
17,00 zł
2 szt.
—
652
2912521237
Śruba Pierścieniowa
Zapytaj
1 szt.
—
653
2916680011
Pierścień Sprężysty
Zapytaj
1 szt.
—
654
1907950513
Klucz Szczękowy Jednostr.
59,00 zł
1 szt.
—
800
1602388007
Płytka Uszczelniająca
44,00 zł
1 szt.
—
803
1607000036
Zestaw Wyłączników
Zapytaj
1 szt.
—
805
3605132048
Rękojeść
261,00 zł
1 szt.
—