Części
Maszyny
Kontakt
Home
Maszyny
Szlifierka kątowa
Bosch
SZLIFIERKA KĄTOWA ANGLE GRINDER
0601322039 -
SZLIFIERKA KĄTOWA Bosch ANGLE GRINDER
100%
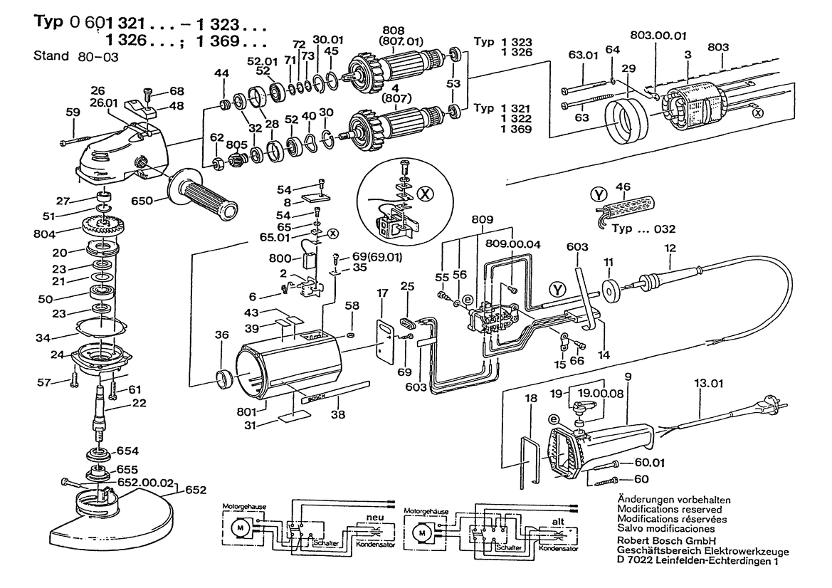
Poz:
2
3
4
6
8
9
11
12
13
15
17
20
21
22
23
26
27
28
29
30
31
32
34
35
36
38
39
40
43
48
50
51
52
53
54
55
56
57
58
59
60
61
62
63
64
66
68
69
78
60/1
650
652
654
800
801
803
804
805
809
65/01
652/2
19/00/08
803/00/01
809/00/04
64 części
Sortuj
Poz.
Nr kat.
Nazwa
Cena brutto
Ilość
Zamów
2
1604336008
Uchwyt Szczotek
67,65 zł
2 szt.
3
1604220099
Stojan
Zapytaj
1 szt.
—
4
1604011225
Twornik
Zapytaj
1 szt.
—
6
1604652015
Sprężyna Spiralna
5,29 zł
2 szt.
8
1605500089
Pokrywa Zamykająca
Zapytaj
2 szt.
—
9
1605132083
Rękojeść
Zapytaj
1 szt.
—
11
1602381006
Płyta Izolacyjna
5,41 zł
1 szt.
12
1600703009
Końcówka
16,85 zł
1 szt.
13
1604460092
Przewód Zasil. Sieciowy
59,53 zł
1 szt.
15
1601302014
Zacisk Mocujący
5,29 zł
1 szt.
17
1601037006
Płyta Osłaniająca
Zapytaj
1 szt.
—
20
1605808054
Pokrywa Łożyska
Zapytaj
1 szt.
—
21
1600102012
Pierścień Zakrywający
Zapytaj
1 szt.
—
22
1603523091
Trzpień Ścierający
Zapytaj
1 szt.
—
23
1600108055
Uszczelka
4,06 zł
2 szt.
26
1605806324
Obudowa Przekładni
Zapytaj
1 szt.
—
27
1600910010
Tuleja Igłowa
145,39 zł
1 szt.
28
1600206014
Pierścień Gumowy
4,06 zł
1 szt.
29
1600502007
Pierścień Kier. Powietrza
Zapytaj
1 szt.
—
30
2916660017
Pierścień Zabezpieczajacy
13,65 zł
1 szt.
31
160111A3H3
Tabliczka Znamionowa
8,36 zł
1 szt.
32
1600290008
PIERŚCIEN USZCZELNIAJĄCY
8,36 zł
1 szt.
34
1600190004
Podkładka Regulacyjna
Zapytaj
1 szt.
—
35
1601030022
Blacha Zabezpieczająca
5,29 zł
2 szt.
36
1600502006
Tuleja Gumowa
Zapytaj
1 szt.
—
38
1601110003
Tabliczka Firmy
Zapytaj
2 szt.
—
39
1601110358
Tabliczka Informacyjna
5,41 zł
1 szt.
40
1600150007
Podkładka Sprężysta
5,29 zł
1 szt.
43
1601110058
Tabliczka Informacyjna
5,29 zł
1 szt.
48
1608039008
LISTWA
Zapytaj
1 szt.
—
50
1900905227
Łożysko Kulkowe Zwykłe
Zapytaj
1 szt.
—
51
2916620011
Pierścień Sprężysty
5,29 zł
1 szt.
52
1900905234
Łożysko Kulkowe Zwykłe
97,79 zł
1 szt.
53
1600900029
Łożysko Kulkowe Zwykłe
Zapytaj
1 szt.
—
54
2910021118
Śruba Z Łbem Walcowym
4,06 zł
4 szt.
55
2910021050
Śruba Z Łbem Walcowym
4,06 zł
2 szt.
56
2916060003
Podkładka Sprężysta
Zapytaj
2 szt.
—
57
2910021157
Śruba Z Łbem Walcowym
Zapytaj
4 szt.
—
58
2915011005
Nakrętka Sześciokątna
4,06 zł
2 szt.
59
1603429000
Wkręt Do Blach
4,06 zł
4 szt.
60
2910021158
Śruba Z Łbem Walcowym
Zapytaj
4 szt.
—
61
2910021162
Śruba Z Łbem Walcowym
Zapytaj
3 szt.
—
62
1603300009
Nakrętka Sześciokątna
5,29 zł
1 szt.
63
1603410001
Śruba Z Łbem Walcowym
Zapytaj
2 szt.
—
64
2916680006
Pierścień Sprężysty
Zapytaj
2 szt.
—
66
2910021116
Śruba Z Łbem Walcowym
7,26 zł
2 szt.
68
2910021196
Śruba Z Łbem Walcowym
Zapytaj
2 szt.
—
69
2910211011
Wkręt Do Blach
4,06 zł
3 szt.
78
1900452003
Tuleja Końcowa Żyły
5,29 zł
4 szt.
60/1
2910211036
Wkręt Do Blach
4,06 zł
4 szt.
650
160202509Z
Uchwyt Dodatkowy
53,26 zł
1 szt.
652
1605510082
Kołpak Ochronny
Zapytaj
1 szt.
—
654
1605703053
Kołnierz Mocujący
Zapytaj
1 szt.
—
800
1607014103
Zestaw Szczotek Węglowych
48,83 zł
1 szt.
801
1605108902
Grupa Części Zamiennych
Zapytaj
1 szt.
—
803
1604440004
PRZEWÓD ŁĄCZĄCY
Zapytaj
1 szt.
—
804
1606333144
Koło Talerzowe
Zapytaj
1 szt.
—
805
1606333145
Koło Zębate Stożkowe
Zapytaj
1 szt.
—
809
1607200064
Wyłącznik
132,84 zł
1 szt.
65/01
1611331007
Blacha Zabezpieczająca
Zapytaj
2 szt.
—
652/2
2910141242
Śr.Z Łb.Okr.O Gnieź.Sześ.
5,29 zł
1 szt.
19/00/08
1600205019
Pierścień Filcowy
5,29 zł
1 szt.
803/00/01
1601353003
Końcówka Kablowa
Zapytaj
1 szt.
—
809/00/04
2910091118
Śruba Z Łbem Płaskim
Zapytaj
5 szt.
—