Części
Maszyny
Kontakt
Home
Maszyny
Szlifierka kątowa
Bosch
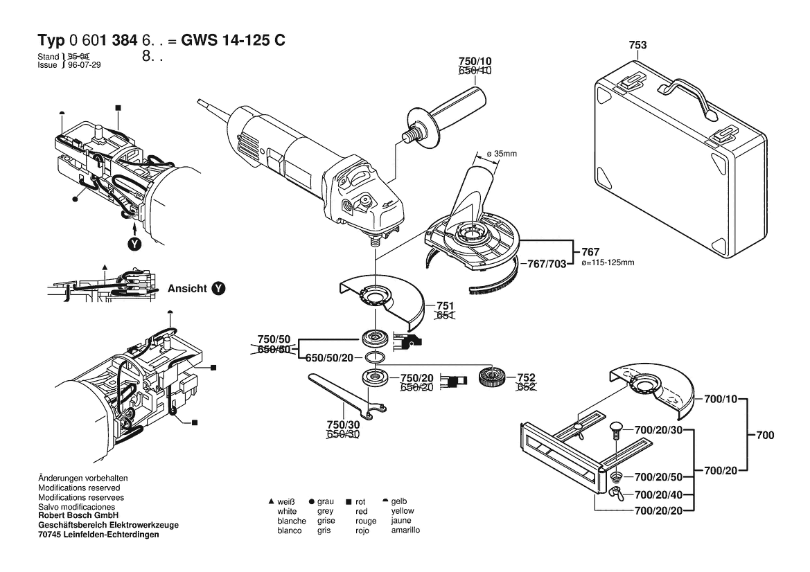
SZLIFIERKA KĄTOWA GWS 14-125 C
0601384642 -
SZLIFIERKA KĄTOWA Bosch GWS 14-125 C
100%
Poz:
1
2
4
5
6
7
9
13
14
16
17
18
19
20
21
25
26
27
29
30
31
32
33
35
37
40
41
45
47
49
50
51
52
55
56
57
80
104
3/50
700
751
752
753
767
803
808
810
828
838
852
700/10
700/20
750/10
750/20
750/30
750/50
767/703
821/010
650/50/20
700/20/30
700/20/40
700/20/50
62 części
Sortuj
Poz.
Nr kat.
Nazwa
Cena brutto
Ilość
Zamów
1
1605108162
Kadłub Silnika
Zapytaj
1 szt.
—
2
1604220288
Stojan
Zapytaj
1 szt.
—
4
1607200115
Wyłącznik
Zapytaj
1 szt.
—
5
1604460190
Przewód Zasil. Sieciowy
Zapytaj
1 szt.
—
6
1600703030
Końcówka
7,13 zł
1 szt.
7
1601302017
Zacisk Mocujący
4,06 zł
1 szt.
9
1601118170
Tabliczka Firmy
Zapytaj
1 szt.
—
13
2600905032
Łożysko Kulkowe
16,85 zł
1 szt.
14
1600905011
Łożysko Kulkowe Zwykłe
18,08 zł
1 szt.
16
1604336031
Uchwyt Szczotek
Zapytaj
1 szt.
—
17
1604652013
Sprężyna Spiralna
5,29 zł
2 szt.
18
1602319013
Dźwignia Wyłącznika
Zapytaj
1 szt.
—
19
1604611024
Sprężyna Dociskowa
5,29 zł
1 szt.
20
1602319007
Przyc. Dźw. Zmiany Bieg.
4,06 zł
1 szt.
21
1605806451
Obudowa Przekładni
110,33 zł
1 szt.
25
1605500175
Pokrywa Obudowy
Zapytaj
1 szt.
—
26
1600206036
Pierścień Gumowy
5,29 zł
1 szt.
27
1600206025
Pierścień Gumowy
7,13 zł
1 szt.
29
1600591013
Pierścień Kier. Powietrza
Zapytaj
1 szt.
—
30
1600591014
Pierścień Kier. Powietrza
8,36 zł
1 szt.
31
1601290007
Sprężyna Napinająca
11,07 zł
1 szt.
32
1607000D6A
Trzpień Ścierający
26,32 zł
1 szt.
33
3600210124
Pierścień Samouszczeln.
8,36 zł
1 szt.
35
1600136013
Podkładka Regulacyjna
8,36 zł
1 szt.
37
1600290016
PIERŚCIEN USZCZELNIAJĄCY
7,13 zł
1 szt.
40
1600119011
UCHWYT
7,13 zł
1 szt.
41
1600910018
Tuleja Igłowa
16,85 zł
1 szt.
45
1603300016
Nakrętka Sześciokątna
5,29 zł
1 szt.
47
2912401018
Wkręt Do Blach
4,06 zł
1 szt.
49
1603435026
Śruba Do Gwint. Bezwiórk.
5,29 zł
4 szt.
50
1603435037
Plastyk. Śruba Samogwint.
4,06 zł
2 szt.
51
1607000282
Regulator Prędk. Obrotow.
536,28 zł
1 szt.
52
1609270562
Przewodnik Światła
31,37 zł
1 szt.
55
1603415005
Wkręt Soczewkowy
Zapytaj
4 szt.
—
56
1603435044
Plastyk. Śruba Samogwint.
Zapytaj
2 szt.
—
57
1603429002
Śruba Z Łbem Walcowym
4,06 zł
2 szt.
80
1619P09390
Pierścień Zakrywający
7,13 zł
1 szt.
104
1600210044
Pierścień Samouszczeln.
4,06 zł
1 szt.
3/50
1606610132
Wentylator
7,13 zł
1 szt.
700
2607001188
Zestaw Części
Zapytaj
1 szt.
—
751
2605510104
Kołpak Ochronny
Zapytaj
1 szt.
—
752
1600A016PP
NAKRĘTKA SZYBKOMOMOCUJĄCA
145,39 zł
1 szt.
753
1605438089
Skrzynka Do Noszenia
Zapytaj
1 szt.
—
767
2605510107
KOŁPAK ODSYSANIA
Zapytaj
1 szt.
—
803
1604010458
Twornik
Zapytaj
1 szt.
—
808
160111A3H3
Tabliczka Znamionowa
8,36 zł
1 szt.
810
1607000499
Zestaw Szczotek Węglowych
Zapytaj
1 szt.
—
828
1605805079
Kołnierz Łożyskowy
59,53 zł
1 szt.
838
1607000D4Y
PRZEKŁADNIA
53,26 zł
1 szt.
852
1607000278
Przewodnik Światła
Zapytaj
1 szt.
—
700/10
2605510101
Kołpak Ochronny
Zapytaj
1 szt.
—
700/20
1608135004
Sanie Prowadzące
Zapytaj
1 szt.
—
750/10
160202509T
Uchwyt Dodatkowy
11,07 zł
1 szt.
750/20
1603340040
NAKRĘTKA MOCUJACA
Zapytaj
1 szt.
—
750/30
1607950043
KLUCZ DWUCZOPOWY
Zapytaj
1 szt.
—
750/50
1605703099
Kołnierz Przyjmujący
Zapytaj
1 szt.
—
767/703
2605730036
Szczotka
Zapytaj
1 szt.
—
821/010
1607000253
Przycisk Guzikowy
7,13 zł
1 szt.
650/50/20
1600210039
Pierścień Samouszczeln.
4,06 zł
1 szt.
700/20/30
2910281158
Śruba Okrągła Płaska
Zapytaj
1 szt.
—
700/20/40
2915191105
Nakrętka Skrzydełkowa
Zapytaj
1 szt.
—
700/20/50
1604643004
Sprężyna Dociskowa
Zapytaj
1 szt.
—