Części
Maszyny
Kontakt
Home
Maszyny
Szlifierka kątowa
Bosch
SZLIFIERKA KĄTOWA GW-WINKELSCHLEI
0600301003 -
SZLIFIERKA KĄTOWA Bosch GW-WINKELSCHLEI
100%
Poz:
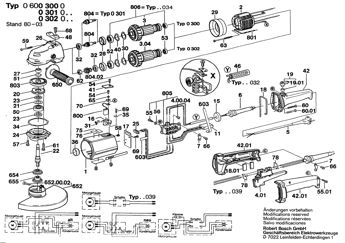
1
2
3
6
7
9
11
15
16
17
18
19
20
21
22
23
24
25
26
27
28
29
30
31
32
34
35
36
40
41
42
50
51
52
53
54
55
56
57
58
59
60
61
63
66
69
76
78
650
651
652
654
656
800
801
803
804
805
810
19/01
4/00/04
652/00/02
62 części
Sortuj
Poz.
Nr kat.
Nazwa
Cena brutto
Ilość
Zamów
1
3605108088
Kadłub Silnika
Zapytaj
1 szt.
—
2
1604220122
Stojan
Zapytaj
1 szt.
—
3
1604011236
Twornik
Zapytaj
1 szt.
—
6
1600703009
Końcówka
16,85 zł
1 szt.
7
1601302013
Zacisk Mocujący
5,29 zł
1 szt.
9
1601110005
Tabliczka Firmy
Zapytaj
2 szt.
—
11
1607328034
Filtr Przeciwzakłóceniowy
13,65 zł
1 szt.
15
1600113002
Uszczelka
5,29 zł
1 szt.
16
3604336012
Uchwyt Szczotek
18,08 zł
2 szt.
17
1601037006
Płyta Osłaniająca
Zapytaj
1 szt.
—
18
1601014005
Wstęga Profilowa
Zapytaj
1 szt.
—
19
1602026041
Dźwignia Zmiany Biegów
Zapytaj
1 szt.
—
20
1605808054
Pokrywa Łożyska
Zapytaj
1 szt.
—
21
1600102012
Pierścień Zakrywający
Zapytaj
1 szt.
—
22
1603523090
Trzpień Ścierający
Zapytaj
1 szt.
—
23
1600108055
Uszczelka
4,06 zł
2 szt.
24
1607000229
Grupa Części Zamiennych
Zapytaj
1 szt.
—
25
1600306001
Końcówka
8,36 zł
1 szt.
26
1605806375
Obudowa Przekładni
Zapytaj
1 szt.
—
27
2600910001
Łożysko Igiełkowe
13,65 zł
1 szt.
28
1600206020
Pierścień Gumowy
5,29 zł
1 szt.
29
1600502009
Pierścień Kier. Powietrza
Zapytaj
1 szt.
—
30
2916660017
Pierścień Zabezpieczajacy
13,65 zł
1 szt.
31
1604652006
Sprężyna Spiralna
5,29 zł
2 szt.
32
1600290008
PIERŚCIEN USZCZELNIAJĄCY
8,36 zł
1 szt.
34
1600190004
Podkładka Regulacyjna
Zapytaj
1 szt.
—
35
1601030022
Blacha Zabezpieczająca
5,29 zł
2 szt.
36
1600502006
Tuleja Gumowa
Zapytaj
1 szt.
—
40
1600150007
Podkładka Sprężysta
5,29 zł
1 szt.
41
1605500089
Pokrywa Zamykająca
Zapytaj
2 szt.
—
42
1605132079
Rękojeść
Zapytaj
1 szt.
—
50
1900905281
Łożysko Kulkowe Zwykłe
110,33 zł
1 szt.
51
2916620011
Pierścień Sprężysty
5,29 zł
1 szt.
52
1900905234
Łożysko Kulkowe Zwykłe
97,79 zł
1 szt.
53
1900900407
Łożysko Kulkowe Zwykłe
Zapytaj
1 szt.
—
54
2910021118
Śruba Z Łbem Walcowym
4,06 zł
4 szt.
55
2910211006
Wkręt Do Blach
4,06 zł
2 szt.
56
2916011005
Podkładka
4,06 zł
2 szt.
57
2910011157
Śruba Z Łbem Walcowym
Zapytaj
4 szt.
—
58
2915011005
Nakrętka Sześciokątna
4,06 zł
2 szt.
59
3603415560
Śruba
4,06 zł
4 szt.
60
2910211036
Wkręt Do Blach
4,06 zł
4 szt.
61
2910011162
Śruba Z Łbem Walcowym
4,06 zł
3 szt.
63
1613435009
Wkręt Do Blach
5,29 zł
2 szt.
66
2910021122
Śruba Z Łbem Walcowym
4,06 zł
2 szt.
69
2910211011
Wkręt Do Blach
4,06 zł
2 szt.
76
3601119236
Tabliczka Informacyjna
11,07 zł
1 szt.
78
3604477009
Tuleja Końcowa Żyły
5,29 zł
4 szt.
650
160202509Z
Uchwyt Dodatkowy
53,26 zł
1 szt.
651
1907950511
Klucz Szczękowy Jednostr.
Zapytaj
1 szt.
—
652
1605510083
Kołpak Ochronny
Zapytaj
1 szt.
—
654
2600501006
Kołnierz Przyjmujący
43,91 zł
1 szt.
656
1607950007
KLUCZ DWUCZOPOWY
Zapytaj
1 szt.
—
800
1607014106
Zestaw Szczotek Węglowych
Zapytaj
1 szt.
—
801
1604440004
PRZEWÓD ŁĄCZĄCY
Zapytaj
1 szt.
—
803
1606333160
Koło Zębate Stożkowe
Zapytaj
1 szt.
—
804
1606333161
Koło Zębate Stożkowe
Zapytaj
1 szt.
—
805
1607000034
Zestaw Wyłączników
Zapytaj
1 szt.
—
810
1607000111
Zestaw Uszczelek
Zapytaj
1 szt.
—
19/01
1600205019
Pierścień Filcowy
5,29 zł
1 szt.
4/00/04
2910091118
Śruba Z Łbem Płaskim
Zapytaj
8 szt.
—
652/00/02
2910141242
Śr.Z Łb.Okr.O Gnieź.Sześ.
5,29 zł
1 szt.