Części
Maszyny
Kontakt
Home
Maszyny
Szlifierka kątowa
Bosch
SZLIFIERKA KĄTOWA GWS 9-150 CS
0601345650 -
SZLIFIERKA KĄTOWA Bosch GWS 9-150 CS
100%
Poz:
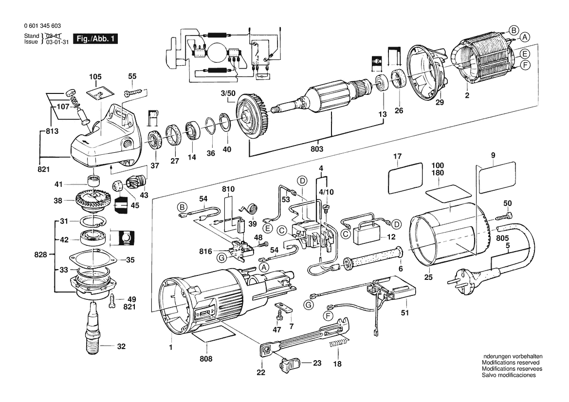
1
2
4
5
6
7
9
12
13
14
17
18
22
23
25
26
27
29
31
32
33
35
36
37
38
39
40
41
42
43
45
47
48
49
50
51
53
54
55
100
105
107
3/50
4/10
652
803
808
810
813
816
821
828
896
650/10
650/20
650/30
650/50
650/60
652/20
650/50/20
60 części
Sortuj
Poz.
Nr kat.
Nazwa
Cena brutto
Ilość
Zamów
1
16051082CC
Kadłub Silnika
43,91 zł
1 szt.
2
1604220220
Stojan
119,06 zł
1 szt.
4
1607200086
Przeł. Wejścia/Wyjścia
33,83 zł
1 szt.
5
1604460152
Przewód Zasil. Sieciowy
29,27 zł
1 szt.
6
2600703012
Końcówka
9,72 zł
1 szt.
7
1601302017
Zacisk Mocujący
4,06 zł
1 szt.
9
1601110610
Tabliczka Firmy
Zapytaj
1 szt.
—
12
1607328029
Filtr Przeciwzakłóceniowy
Zapytaj
1 szt.
—
13
2600905032
Łożysko Kulkowe
16,85 zł
1 szt.
14
2600905052
Łożysko Kulkowe Zwykłe
26,32 zł
1 szt.
17
1601110777
Tabliczka Firmy
Zapytaj
1 szt.
—
18
1604611026
Sprężyna Dociskowa
4,06 zł
1 szt.
22
1602319002
Zasuwa Nastawna
5,29 zł
1 szt.
23
1602026057
Uchwyt Wyłącznika
5,29 zł
1 szt.
25
1600508010
Pokrywa Obudowy
20,66 zł
1 szt.
26
1600502020
Tuleja Gumowa
5,29 zł
1 szt.
27
1600206025
Pierścień Gumowy
7,13 zł
1 szt.
29
1601328005
Pierścień Kier. Powietrza
7,13 zł
1 szt.
31
2916660013
UCHWYT
7,13 zł
1 szt.
32
1607000D6A
Trzpień Ścierający
26,32 zł
1 szt.
33
3600210124
Pierścień Samouszczeln.
8,36 zł
1 szt.
35
1600136010
Podkładka Regulacyjna
5,29 zł
1 szt.
36
1600150011
Podkładka Sprężysta
4,06 zł
1 szt.
37
1600290016
PIERŚCIEN USZCZELNIAJĄCY
7,13 zł
1 szt.
38
1606333235
Koło Talerzowe
251,90 zł
1 szt.
39
1604652013
Sprężyna Spiralna
5,29 zł
2 szt.
40
2916660009
Pierścień Zabezpieczajacy
5,29 zł
1 szt.
41
1600910018
Tuleja Igłowa
16,85 zł
1 szt.
42
1600905006
Łożysko Kulkowe Zwykłe
38,87 zł
1 szt.
43
1606333234
Koło Zębate Stożkowe
132,84 zł
1 szt.
45
1603300016
Nakrętka Sześciokątna
5,29 zł
1 szt.
47
2910211018
Wkręt Do Blach
4,06 zł
1 szt.
48
2910211005
Wkręt Do Blach
4,06 zł
4 szt.
49
1603435026
Śruba Do Gwint. Bezwiórk.
5,29 zł
4 szt.
50
2910211021
Wkręt Do Blach
4,06 zł
1 szt.
51
1607233008
Regulator Prędk. Obrotow.
85,24 zł
1 szt.
53
1604448005
PRZEWÓD ŁĄCZĄCY
9,59 zł
1 szt.
54
1604448006
PRZEWÓD ŁĄCZĄCY
7,13 zł
2 szt.
55
2912401021
Wkręt Do Blach
4,06 zł
4 szt.
100
1601110310
Tabliczka Informacyjna
Zapytaj
1 szt.
—
105
1601110470
Tabliczka Informacyjna
4,06 zł
1 szt.
107
1600210044
Pierścień Samouszczeln.
4,06 zł
1 szt.
3/50
1606610121
Wentylator
5,29 zł
1 szt.
4/10
2910110048
Śruba Z Łbem Płaskim
4,06 zł
2 szt.
652
1605510197
Kołpak Ochronny
Zapytaj
1 szt.
—
803
1604010248
Twornik Z Wentylatorem
145,39 zł
1 szt.
808
160111A3H3
Tabliczka Znamionowa
8,36 zł
1 szt.
810
1607014116
Zestaw Szczotek Węglowych
33,83 zł
1 szt.
813
1607000253
Przycisk Guzikowy
7,13 zł
1 szt.
816
1600A003G4
Uchwyt Szczotek
8,36 zł
2 szt.
821
1605806480
Obudowa Przekładni
189,30 zł
1 szt.
828
1607000936
Kołnierz Łożyskowy
97,79 zł
1 szt.
896
1600A016PP
NAKRĘTKA SZYBKOMOMOCUJĄCA
145,39 zł
1 szt.
650/10
160202509T
Uchwyt Dodatkowy
11,07 zł
1 szt.
650/20
1603345043
Nakrętka Okrągła
20,66 zł
1 szt.
650/30
1607950052
KLUCZ DWUCZOPOWY
11,07 zł
1 szt.
650/50
2605703014
Kołnierz Mocujący
16,85 zł
1 szt.
650/60
2610364015
Klucz Imbusowy
11,07 zł
1 szt.
652/20
2910022197
Śruba Z Łbem Walcowym
Zapytaj
1 szt.
—
650/50/20
1600210039
Pierścień Samouszczeln.
4,06 zł
1 szt.