Części
Maszyny
Kontakt
Home
Maszyny
Szlifierka kątowa
Bosch
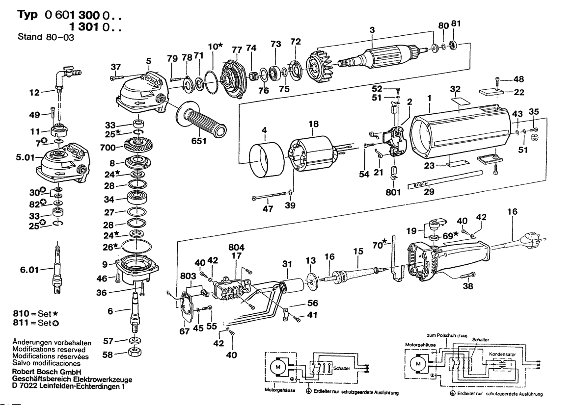
SZLIFIERKA KĄTOWA USW(J)77
0601300032 -
SZLIFIERKA KĄTOWA Bosch USW(J)77
100%
Poz:
1
2
3
4
5
6
7
8
9
10
11
12
13
14
15
16
17
18
19
21
22
23
24
25
26
27
28
29
31
33
34
35
36
37
38
39
40
41
42
43
45
46
47
48
49
51
52
54
55
56
57
58
69
70
71
72
73
74
75
76
77
78
79
80
81
6/01
651
700
801
803
810
811
72 części
Sortuj
Poz.
Nr kat.
Nazwa
Cena brutto
Ilość
Zamów
1
1605108042
Kadłub Silnika
Zapytaj
1 szt.
—
2
1604336006
Uchwyt Szczotek
Zapytaj
1 szt.
—
3
1604010036
Twornik
Zapytaj
1 szt.
—
4
1600209002
Pierścień Kier. Powietrza
9,59 zł
1 szt.
5
3605806104
Obudowa Przekładni
Zapytaj
1 szt.
—
6
1603523032
Trzpień Ścierający
110,33 zł
1 szt.
7
1600109002
Podkładka
Zapytaj
1 szt.
—
8
1600521013
Tarcza Mocująca
Zapytaj
1 szt.
—
9
3607030375
Kołnierz Łożyskowy
711,92 zł
1 szt.
10
1900210146
Pierścień Samouszczeln.
13,65 zł
1 szt.
11
1600328012
Kołnierz Przyłączeniowy
Zapytaj
1 szt.
—
12
1607415002
Kurek Odcinający
Zapytaj
1 szt.
—
13
1600113002
Uszczelka
5,29 zł
1 szt.
14
3605132048
Rękojeść
251,90 zł
1 szt.
15
3600703011
Końcówka
8,36 zł
1 szt.
16
1604460014
Przewód Zasil. Sieciowy
Zapytaj
1 szt.
—
17
1607000034
Zestaw Wyłączników
Zapytaj
1 szt.
—
18
1604220031
Stojan
Zapytaj
1 szt.
—
19
1602026030
Dźwignia Zmiany Biegów
26,32 zł
1 szt.
21
1604652015
Sprężyna Spiralna
5,29 zł
2 szt.
22
3605500057
Pokrywa Zamykająca
Zapytaj
2 szt.
—
23
160111A3H3
Tabliczka Znamionowa
8,36 zł
1 szt.
24
1600108048
Uszczelka
5,29 zł
2 szt.
25
2916620011
Pierścień Sprężysty
5,29 zł
1 szt.
26
1600210005
Pierścień Samouszczeln.
7,13 zł
1 szt.
27
1600102638
Podkładka Regulacyjna
Zapytaj
1 szt.
—
28
2916660021
Pierścień Zabezpieczajacy
13,90 zł
2 szt.
29
1601110003
Tabliczka Firmy
Zapytaj
1 szt.
—
31
1607329018
Kondensator Przeciwzakł.
Zapytaj
1 szt.
—
33
2600910001
Łożysko Igiełkowe
13,65 zł
1 szt.
34
1900900352
Łożysko Kulkowe Zwykłe
97,79 zł
1 szt.
35
2910110116
Śruba Z Łbem Płaskim
4,06 zł
1 szt.
36
2910011164
Śruba Z Łbem Walcowym
Zapytaj
3 szt.
—
37
2910011160
Śruba Z Łbem Walcowym
Zapytaj
4 szt.
—
38
2910021165
Śruba Z Łbem Walcowym
Zapytaj
4 szt.
—
39
2916690004
Pierścień Sprężysty
5,29 zł
2 szt.
40
2910021050
Śruba Z Łbem Walcowym
4,06 zł
2 szt.
41
2910011122
Śruba Z Łbem Walcowym
Zapytaj
2 szt.
—
42
2916060003
Podkładka Sprężysta
Zapytaj
2 szt.
—
43
2916010410
Podkładka
Zapytaj
1 szt.
—
45
2916011006
Podkładka
5,29 zł
2 szt.
46
2910011157
Śruba Z Łbem Walcowym
Zapytaj
4 szt.
—
47
1603410008
Śruba Z Łbem Walcowym
Zapytaj
2 szt.
—
48
2910021125
Śruba Z Łbem Walcowym
4,06 zł
2 szt.
49
2910021130
Śruba Z Łbem Walcowym
4,06 zł
3 szt.
51
1600150006
Podkładka Sprężysta
Zapytaj
3 szt.
—
52
2910011120
Śruba Z Łbem Walcowym
4,06 zł
2 szt.
54
2910211019
Wkręt Do Blach
4,06 zł
2 szt.
55
2910211004
Wkręt Do Blach
Zapytaj
2 szt.
—
56
1601302013
Zacisk Mocujący
5,29 zł
1 szt.
57
1000202026
Pierścień Samouszczeln.
Zapytaj
1 szt.
—
58
2915011012
Nakrętka Sześciokątna
Zapytaj
1 szt.
—
69
1600205008
Pierścień Filcowy
5,29 zł
1 szt.
70
1601014000
Sznur Uszczelniający
9,59 zł
1 szt.
71
1600108018
Tarcza Filcowa
8,36 zł
1 szt.
72
1600501019
Pokrywa Łożyska
85,24 zł
1 szt.
73
1600900020
Łożysko Kulkowe Zwykłe
Zapytaj
1 szt.
—
74
1603344030
Pierścień Gwintowany
235,67 zł
1 szt.
75
1600101641
Podkładka Regulacyjna
11,07 zł
1 szt.
76
1600101648
Podkładka Regulacyjna
5,29 zł
1 szt.
77
3605820064
Kołnierz Łożyskowy
251,90 zł
1 szt.
78
1600501024
Pierścień Zakrywający
43,91 zł
1 szt.
79
2910511130
Wkręt Z Łbem Stożk. Płas.
Zapytaj
3 szt.
—
80
1420100023
Podkładka Regulacyjna
Zapytaj
1 szt.
—
81
1900905018
Łożysko Kulkowe
59,53 zł
1 szt.
6/01
1603523091
Trzpień Ścierający
Zapytaj
1 szt.
—
651
160202509Z
Uchwyt Dodatkowy
53,26 zł
1 szt.
700
1606333082
Koło Zębate Stożkowe
454,98 zł
1 szt.
801
1607014102
Zestaw Szczotek Węglowych
Zapytaj
1 szt.
—
803
1602388007
Płytka Uszczelniająca
38,87 zł
1 szt.
810
1607000058
Zestaw Uszczelek
Zapytaj
1 szt.
—
811
1607000044
Zestaw Uszczelek
Zapytaj
1 szt.
—