Części
Maszyny
Kontakt
Home
Maszyny
Szlifierka kątowa
Bosch
SZLIFIERKA KĄTOWA USW(J)77
0601300065 -
SZLIFIERKA KĄTOWA Bosch USW(J)77
100%
Poz:
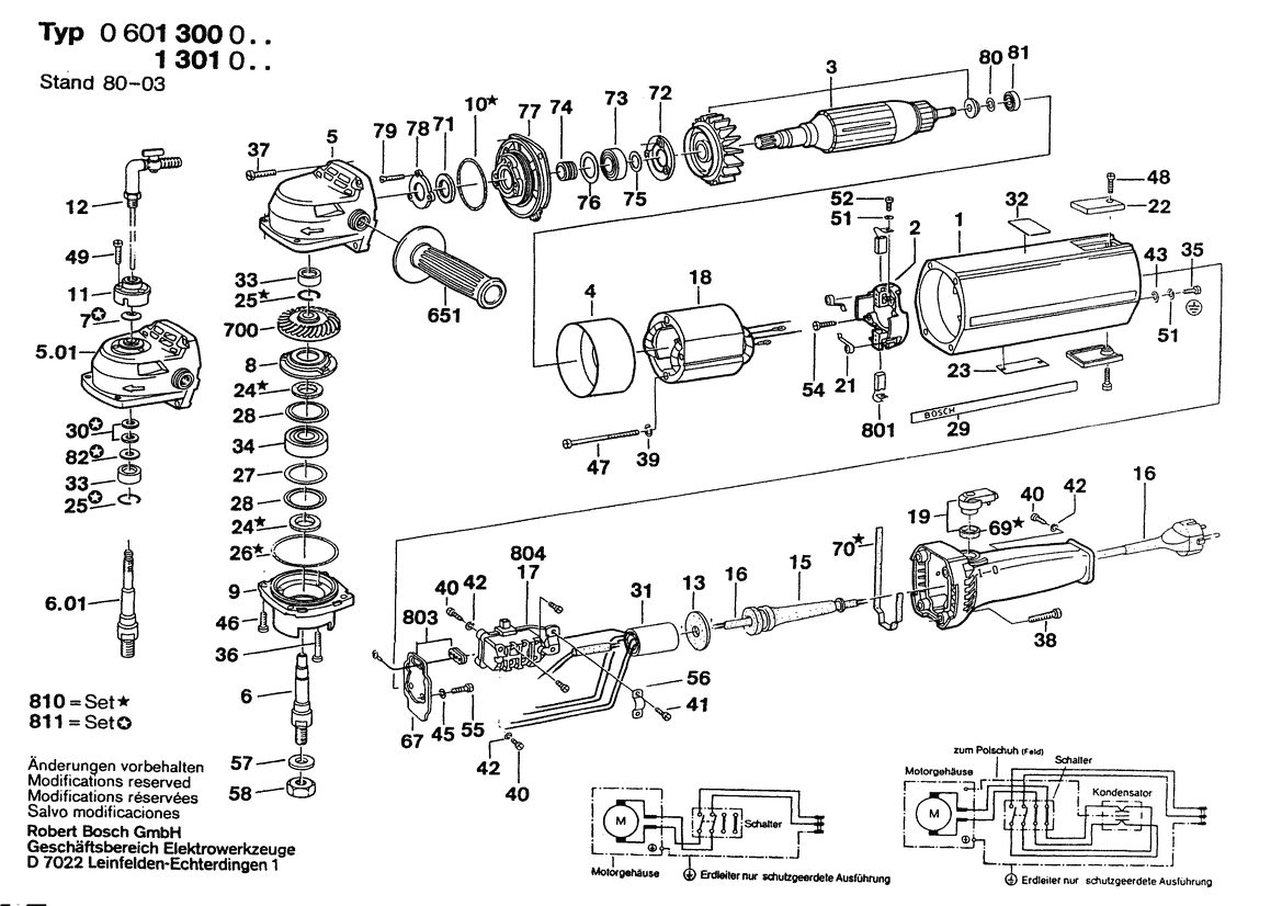
9
10
11
13
14
15
55
66
78
79
81
11 części
Sortuj
Poz.
Nr kat.
Nazwa
Cena brutto
Ilość
Zamów
9
1605132083
Rękojeść
Zapytaj
1 szt.
—
10
1607200074
Wyłącznik
Zapytaj
1 szt.
—
11
1602381006
Płyta Izolacyjna
5,41 zł
1 szt.
13
1607000391
Przewód Zasil. Sieciowy
53,26 zł
1 szt.
14
1607328034
Filtr Przeciwzakłóceniowy
13,65 zł
1 szt.
15
1601302014
Zacisk Mocujący
5,29 zł
1 szt.
55
2910211021
Wkręt Do Blach
4,06 zł
3 szt.
66
2910021116
Śruba Z Łbem Walcowym
7,26 zł
2 szt.
78
3604477008
Tuleja Końcowa Żyły
4,06 zł
2 szt.
79
1901091012
Listwa Zaciskowa
16,85 zł
1 szt.
81
1900452003
Tuleja Końcowa Żyły
5,29 zł
2 szt.