Części
Maszyny
Kontakt
Home
Maszyny
Szlifierka kątowa
Bosch
SZLIFIERKA KĄTOWA GWS 21-230 JH
0601852932 -
SZLIFIERKA KĄTOWA Bosch GWS 21-230 JH
100%
Poz:
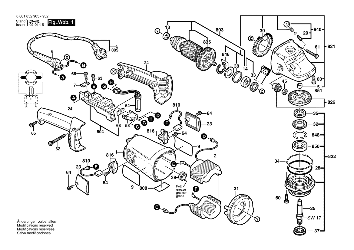
1
2
5
6
7
9
13
14
23
24
25
28
29
30
31
32
33
34
35
37
38
39
45
51
53
54
60
61
62
63
64
65
66
68
803
804
808
810
816
821
822
826
835
840
846
848
850
851
890
891
892
893
894
896
651/1
891/1
56 części
Sortuj
Poz.
Nr kat.
Nazwa
Cena brutto
Ilość
Zamów
1
1605108275
Kadłub Silnika
Zapytaj
1 szt.
—
2
1604220380
Stojan
119,06 zł
1 szt.
5
1604460455
Przewód Zasil. Sieciowy
54,00 zł
1 szt.
6
1600703023
Końcówka
8,36 zł
1 szt.
7
1601302018
Zacisk Mocujący
5,29 zł
1 szt.
9
1601118C85
Tabliczka Firmy
Zapytaj
2 szt.
—
13
1600905011
Łożysko Kulkowe Zwykłe
18,08 zł
1 szt.
14
1600905028
Łożysko Kulkowe Zwykłe
33,83 zł
1 szt.
23
1618B00802
Pokrywa Zamykająca
Zapytaj
2 szt.
—
24
1619P11545
Rękojeść
38,87 zł
1 szt.
25
160312305U
Trzpień Ścierający
31,37 zł
1 szt.
28
1600210033
Pierścień Samouszczeln.
5,29 zł
1 szt.
29
1600210045
Pierścień Samouszczeln.
5,29 zł
1 szt.
30
1600591029
Rozdzielacz Powietrza
8,36 zł
1 szt.
31
160059108A
Pierścień Kier. Powietrza
Zapytaj
1 szt.
—
32
1600290019
Pierścień Mocujący
5,29 zł
1 szt.
33
1600290013
PIERŚCIEN USZCZELNIAJĄCY
8,36 zł
1 szt.
34
1600190020
Podkładka Regulacyjna
5,29 zł
1 szt.
35
1600205034
Pierścień Filcowy
5,29 zł
1 szt.
37
1600290036
Pierścień Uszczelniający
7,13 zł
1 szt.
38
1600206020
Pierścień Gumowy
5,29 zł
1 szt.
39
1600206030
Pierścień Gumowy
5,29 zł
1 szt.
45
1603300019
Nakrętka Sześciokątna
5,29 zł
1 szt.
51
1600200031
Łożysko Ślizgowe
9,59 zł
1 szt.
53
1605190068
Obudowa Tuleji Wciskanej
4,06 zł
1 szt.
54
1604503015
Opornik Drutowy
38,87 zł
1 szt.
60
1603435023
Śruba Do Gwint. Bezwiórk.
5,29 zł
4 szt.
61
2912401038
Wkręt Do Blach
4,06 zł
4 szt.
62
1603435060
Wkręt Do Blach
5,29 zł
2 szt.
63
1603410014
Śruba Z Łbem Płaskim
5,29 zł
2 szt.
64
1603435042
Plastyk. Śruba Samogwint.
5,29 zł
4 szt.
65
2912401020
Wkręt Do Blach
4,06 zł
2 szt.
66
2910211019
Wkręt Do Blach
4,06 zł
1 szt.
68
1601006011
Blaszka Uszczelniająca
8,36 zł
1 szt.
803
1619P15296
Twornik
189,30 zł
1 szt.
804
1607000970
Wyłącznik
145,39 zł
1 szt.
808
160111A3H3
Tabliczka Znamionowa
8,36 zł
1 szt.
810
1607014171
Zestaw Szczotek Węglowych
48,83 zł
1 szt.
816
1604336048
Uchwyt Szczotek
20,66 zł
2 szt.
821
1607000C03
Obudowa Przekładni
189,30 zł
1 szt.
822
1607000C05
Kołnierz Łożyskowy
67,65 zł
1 szt.
826
1607000CV1
ZESPÓL KÓŁ ZĘBATYCH
110,33 zł
1 szt.
835
1600A00J93
Wentylator
Zapytaj
1 szt.
—
840
1607000354
Przycisk Guzikowy
20,66 zł
1 szt.
846
1607000342
Tarcza Ustalająca
11,07 zł
1 szt.
848
1600119010
Pierścień Zabezpieczajacy
5,29 zł
1 szt.
850
1600905026
Łożysko Kulkowe Zwykłe
28,78 zł
1 szt.
851
2600910001
Łożysko Igiełkowe
13,65 zł
1 szt.
890
1600210039
Pierścień Samouszczeln.
4,06 zł
1 szt.
891
160202509Z
Uchwyt Dodatkowy
53,26 zł
1 szt.
892
1607950061
KLUCZ DWUCZOPOWY
Zapytaj
1 szt.
—
893
2605703014
Kołnierz Mocujący
16,85 zł
1 szt.
894
1603345043
Nakrętka Okrągła
20,66 zł
1 szt.
896
1600A016PP
NAKRĘTKA SZYBKOMOMOCUJĄCA
145,39 zł
1 szt.
651/1
1605510217
Kołpak Ochronny
Zapytaj
1 szt.
—
891/1
16020250A1
Uchwyt Dodatkowy
49,45 zł
1 szt.