Części
Maszyny
Kontakt
Home
Maszyny
Szlifierka kątowa
Bosch
SZLIFIERKA KĄTOWA GWS 9-125 S
3601C96104 -
SZLIFIERKA KĄTOWA Bosch GWS 9-125 S
100%
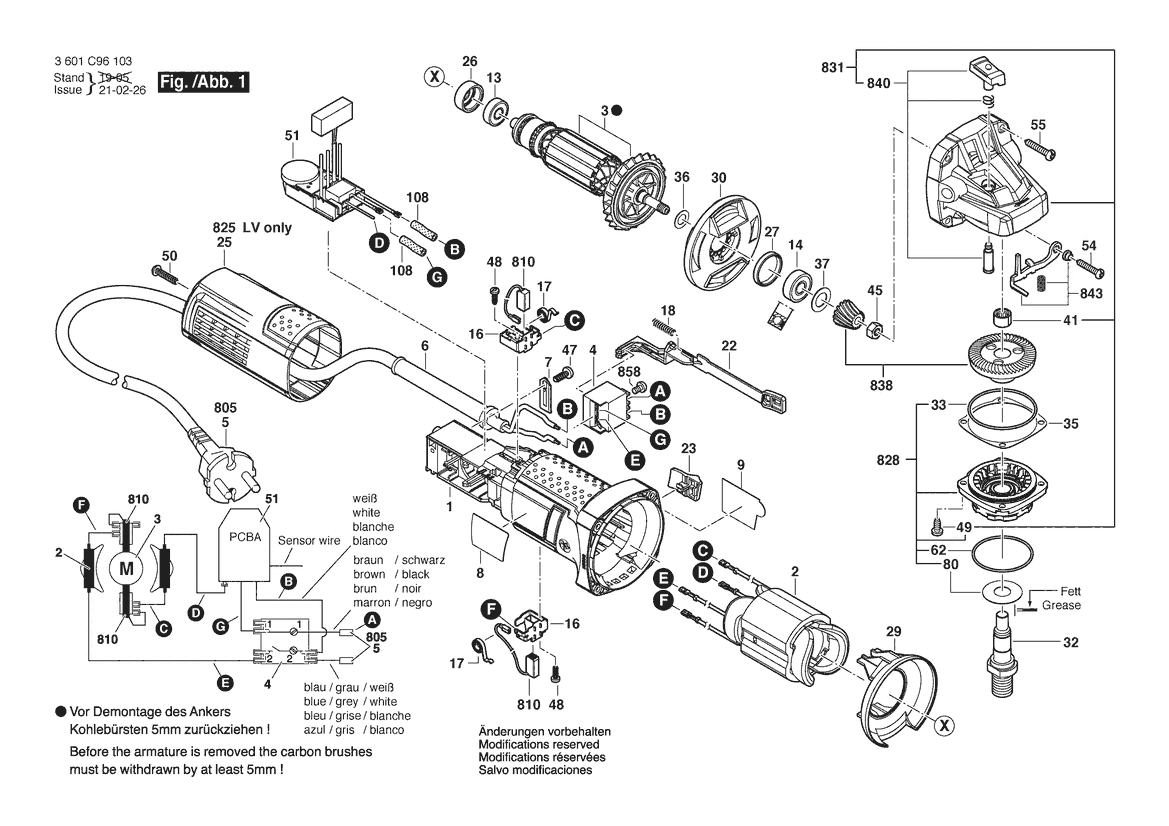
Poz:
1
2
3
4
5
6
7
8
9
13
14
16
17
18
22
23
25
26
27
29
30
32
33
35
36
37
41
45
47
48
49
50
51
54
55
62
80
108
651
810
828
831
838
840
843
858
894
895
650/1
650/2
650/3
650/5
650/5/2
53 części
Sortuj
Poz.
Nr kat.
Nazwa
Cena brutto
Ilość
Zamów
1
1619P10959
Kadłub Silnika
16,85 zł
1 szt.
2
160422059G
Stojan
85,24 zł
1 szt.
3
1604010BN1
Twornik
85,24 zł
1 szt.
4
160720031S
Wyłącznik
20,66 zł
1 szt.
5
1604460312
Przewód Zasil. Sieciowy
26,32 zł
1 szt.
6
2600703012
Końcówka
9,72 zł
1 szt.
7
1601302017
Zacisk Mocujący
4,06 zł
1 szt.
8
1619PS4341
Tabliczka Znamionowa
Zapytaj
1 szt.
—
9
1619P11143
Tabliczka Firmy
8,49 zł
1 szt.
13
1619P08829
Łożysko Kulkowe Zwykłe
20,66 zł
1 szt.
14
1619P13103
Łożysko Kulkowe Zwykłe
9,59 zł
1 szt.
16
1619P01811
Uchwyt Szczotek
9,59 zł
2 szt.
17
1604652013
Sprężyna Spiralna
5,29 zł
2 szt.
18
1619P11487
Sprężyna Dociskowa
4,06 zł
1 szt.
22
1619P10968
Zasuwa Nastawna
4,06 zł
1 szt.
23
1619P10969
Przycisk
4,06 zł
1 szt.
25
1619P13557
Pokrywa Obudowy
16,85 zł
1 szt.
26
1600502023
Pierścień Pośredni
7,13 zł
1 szt.
27
1600206025
Pierścień Gumowy
7,13 zł
1 szt.
29
1619P10970
Pierścień Kier. Powietrza
4,06 zł
1 szt.
30
1619P14139
Rozdzielacz Powietrza
5,29 zł
1 szt.
32
1619P06419
Trzpień Ścierający
28,78 zł
1 szt.
33
1619P02820
Pierścień Samouszczeln.
5,29 zł
1 szt.
35
1619P02821
Podkładka Regulacyjna
4,06 zł
1 szt.
36
1619P00987
PODKŁADKA
4,06 zł
1 szt.
37
1600100033
Pierścień Zakrywający
8,36 zł
1 szt.
41
1600910018
Tuleja Igłowa
16,85 zł
1 szt.
45
2915011007
Nakrętka Sześciokątna
4,06 zł
1 szt.
47
2609110052
ŚRUBA SPECJALNA
4,06 zł
1 szt.
48
1619P00220
Wkręt Soczewkowy Torx
4,06 zł
2 szt.
49
1619P11118
Śruba Do Gwint. Bezwiórk.
5,41 zł
4 szt.
50
1619P00105
Wkręt Soczewkowy Torx
5,29 zł
1 szt.
51
160723358M
Regulator Prędk. Obrotow.
99,02 zł
1 szt.
54
2603490025
Wkręt Soczewkowy Torx
4,06 zł
1 szt.
55
1619P01066
Wkręt Soczewkowy Torx
4,06 zł
3 szt.
62
1600210038
Pierścień Samouszczeln.
8,36 zł
1 szt.
80
1619P09390
Pierścień Zakrywający
7,13 zł
1 szt.
108
1619P02866
Wąż Skurczowy
4,06 zł
2 szt.
651
1619P14538
Kołpak Ochronny
31,37 zł
1 szt.
810
1619P11715
Zestaw Szczotek Węglowych
18,08 zł
1 szt.
828
1619P11094
Kołnierz Łożyskowy
48,83 zł
1 szt.
831
1619P11096
Obudowa Przekładni
44,53 zł
1 szt.
838
1619P14111
Zestaw Kół Zębatych
43,91 zł
1 szt.
840
1619P12188
Przycisk
5,29 zł
1 szt.
843
1619P11076
DŹWIGNIA USTALAJĄCA
59,53 zł
1 szt.
858
2910641081
Wkręt Soczewkowy
4,06 zł
2 szt.
894
1615430020
Tubka Ze Smarem
67,65 zł
1 szt.
895
1605430003
Tubka Ze Smarem
119,06 zł
1 szt.
650/1
1619P10681
Uchwyt Dodatkowy
11,07 zł
1 szt.
650/2
1603345043
Nakrętka Okrągła
20,66 zł
1 szt.
650/3
1619P08927
KLUCZ DWUCZOPOWY
13,65 zł
1 szt.
650/5
2605703014
Kołnierz Mocujący
16,85 zł
1 szt.
650/5/2
1600210039
Pierścień Samouszczeln.
4,06 zł
1 szt.