Części
Maszyny
Kontakt
Home
Maszyny
Szlifierka kątowa
Bosch
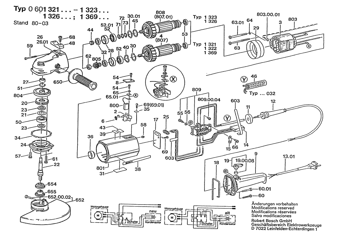
SZLIFIERKA KĄTOWA 1323.1
0601323137 -
SZLIFIERKA KĄTOWA Bosch 1323.1
100%
Poz:
2
3
6
8
9
11
12
13
14
15
17
18
19
20
21
22
23
24
25
26
27
28
29
30
31
32
34
35
36
38
44
45
50
51
52
53
54
55
56
57
58
59
60
61
63
64
65
66
68
69
71
72
73
60/1
650
651
652
655
800
801
803
804
808
809
652/2
19/00/08
809/00/04
67 części
Sortuj
Poz.
Nr kat.
Nazwa
Cena brutto
Ilość
Zamów
2
1604336008
Uchwyt Szczotek
67,65 zł
2 szt.
3
1604220111
Stojan
Zapytaj
1 szt.
—
6
1604652015
Sprężyna Spiralna
5,29 zł
2 szt.
8
1605500089
Pokrywa Zamykająca
Zapytaj
2 szt.
—
9
1605132079
Rękojeść
Zapytaj
1 szt.
—
11
1600113002
Uszczelka
5,29 zł
1 szt.
12
3600703011
Końcówka
8,36 zł
1 szt.
13
1604460033
Przewód Zasil. Sieciowy
Zapytaj
1 szt.
—
14
1607328034
Filtr Przeciwzakłóceniowy
13,65 zł
1 szt.
15
1601302013
Zacisk Mocujący
5,29 zł
1 szt.
17
1601037006
Płyta Osłaniająca
Zapytaj
1 szt.
—
18
1601014005
Wstęga Profilowa
Zapytaj
1 szt.
—
19
1602026041
Dźwignia Zmiany Biegów
Zapytaj
1 szt.
—
20
1605808054
Pokrywa Łożyska
Zapytaj
1 szt.
—
21
1600102012
Pierścień Zakrywający
Zapytaj
1 szt.
—
22
1603523032
Trzpień Ścierający
110,33 zł
1 szt.
23
1600108055
Uszczelka
4,06 zł
2 szt.
24
1607000229
Grupa Części Zamiennych
Zapytaj
1 szt.
—
25
1600306001
Końcówka
8,36 zł
1 szt.
26
1605806362
Obudowa Przekładni
Zapytaj
1 szt.
—
27
1600910010
Tuleja Igłowa
145,39 zł
1 szt.
28
1600206014
Pierścień Gumowy
4,06 zł
1 szt.
29
1600502007
Pierścień Kier. Powietrza
Zapytaj
1 szt.
—
30
1600116002
Pierścień Sprężysty
Zapytaj
1 szt.
—
31
160111A3H3
Tabliczka Znamionowa
8,36 zł
1 szt.
32
1600290008
PIERŚCIEN USZCZELNIAJĄCY
8,36 zł
1 szt.
34
1600190004
Podkładka Regulacyjna
Zapytaj
1 szt.
—
35
1601030022
Blacha Zabezpieczająca
5,29 zł
2 szt.
36
1600502006
Tuleja Gumowa
Zapytaj
1 szt.
—
38
1601110003
Tabliczka Firmy
Zapytaj
2 szt.
—
44
1603344051
Pierścień Gwintowany
Zapytaj
1 szt.
—
45
1600116004
Pierścień Sprężysty
Zapytaj
1 szt.
—
50
1900905227
Łożysko Kulkowe Zwykłe
Zapytaj
1 szt.
—
51
2916620011
Pierścień Sprężysty
5,29 zł
1 szt.
52
1600900020
Łożysko Kulkowe Zwykłe
Zapytaj
1 szt.
—
53
1600900029
Łożysko Kulkowe Zwykłe
Zapytaj
1 szt.
—
54
2910021118
Śruba Z Łbem Walcowym
4,06 zł
4 szt.
55
2910021050
Śruba Z Łbem Walcowym
4,06 zł
2 szt.
56
2916011005
Podkładka
4,06 zł
2 szt.
57
2910021157
Śruba Z Łbem Walcowym
Zapytaj
4 szt.
—
58
2915011005
Nakrętka Sześciokątna
4,06 zł
2 szt.
59
1613435009
Wkręt Do Blach
5,29 zł
4 szt.
60
2910021158
Śruba Z Łbem Walcowym
Zapytaj
4 szt.
—
61
2910021162
Śruba Z Łbem Walcowym
Zapytaj
3 szt.
—
63
1603410001
Śruba Z Łbem Walcowym
Zapytaj
2 szt.
—
64
2916680006
Pierścień Sprężysty
Zapytaj
2 szt.
—
65
1600150006
Podkładka Sprężysta
Zapytaj
2 szt.
—
66
2910021122
Śruba Z Łbem Walcowym
4,06 zł
2 szt.
68
2910021196
Śruba Z Łbem Walcowym
Zapytaj
2 szt.
—
69
2910211011
Wkręt Do Blach
4,06 zł
3 szt.
71
1600101650
Podkładka Regulacyjna
8,36 zł
2 szt.
72
1600101648
Podkładka Regulacyjna
5,29 zł
2 szt.
73
1600101649
Podkładka Regulacyjna
Zapytaj
1 szt.
—
60/1
2910211036
Wkręt Do Blach
4,06 zł
4 szt.
650
160202509Z
Uchwyt Dodatkowy
53,26 zł
1 szt.
651
2607950511
Klucz Szczękowy Jednostr.
13,65 zł
1 szt.
652
1605510082
Kołpak Ochronny
Zapytaj
1 szt.
—
655
2603345004
Nakrętka Okrągła
18,08 zł
1 szt.
800
1607014103
Zestaw Szczotek Węglowych
48,83 zł
1 szt.
801
1605108902
Grupa Części Zamiennych
Zapytaj
1 szt.
—
803
1604440004
PRZEWÓD ŁĄCZĄCY
Zapytaj
1 szt.
—
804
1606333158
Koło Zębate Stożkowe
Zapytaj
1 szt.
—
808
1604011243
Twornik
Zapytaj
1 szt.
—
809
1607000034
Zestaw Wyłączników
Zapytaj
1 szt.
—
652/2
2910141242
Śr.Z Łb.Okr.O Gnieź.Sześ.
5,29 zł
1 szt.
19/00/08
1600205019
Pierścień Filcowy
5,29 zł
1 szt.
809/00/04
2910091118
Śruba Z Łbem Płaskim
Zapytaj
5 szt.
—