Części
Maszyny
Kontakt
Home
Maszyny
Szlifierka kątowa
Bosch
SZLIFIERKA KĄTOWA 1332.4
0601332448 -
SZLIFIERKA KĄTOWA Bosch 1332.4
100%
Poz:
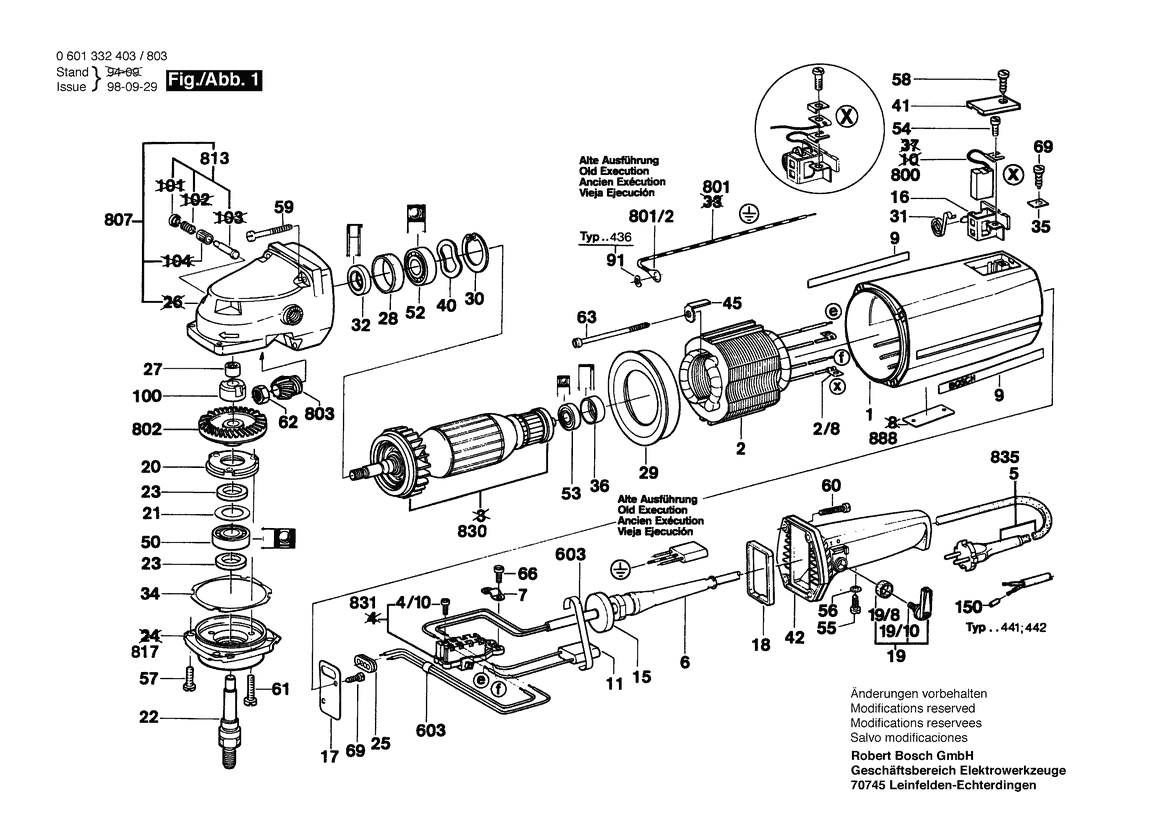
1
2
6
9
11
15
16
17
18
20
21
22
23
25
27
2/8
28
29
30
31
32
34
35
36
40
4/1
41
45
50
5/2
52
53
54
56
57
58
59
60
61
62
63
66
69
7/1
100
105
151
3/60
55/1
652
700
702
703
712
78/1
800
801
802
803
807
813
817
828
830
842
888
19/10
650/14
702/10
702/11
702/20
703/11
72 części
Sortuj
Poz.
Nr kat.
Nazwa
Cena brutto
Ilość
Zamów
1
1605108124
Kadłub Silnika
Zapytaj
1 szt.
—
2
1604220245
Stojan
Zapytaj
1 szt.
—
6
3600703011
Końcówka
8,36 zł
1 szt.
9
1601110003
Tabliczka Firmy
Zapytaj
2 szt.
—
11
1607328034
Filtr Przeciwzakłóceniowy
13,65 zł
1 szt.
15
1600113002
Uszczelka
5,29 zł
1 szt.
16
1604336008
Uchwyt Szczotek
67,65 zł
2 szt.
17
1601037006
Płyta Osłaniająca
Zapytaj
1 szt.
—
18
1601014005
Wstęga Profilowa
Zapytaj
1 szt.
—
20
1605808054
Pokrywa Łożyska
Zapytaj
1 szt.
—
21
1600102012
Pierścień Zakrywający
Zapytaj
1 szt.
—
22
1603523090
Trzpień Ścierający
Zapytaj
1 szt.
—
23
1600108055
Uszczelka
4,06 zł
2 szt.
25
1600306001
Końcówka
8,36 zł
1 szt.
27
2600910001
Łożysko Igiełkowe
13,65 zł
1 szt.
2/8
1901350003
Końcówka Kablowa
4,06 zł
2 szt.
28
1600206028
Pierścień Gumowy
Zapytaj
1 szt.
—
29
1600502013
Tarcza Kierująca
Zapytaj
1 szt.
—
30
1600119004
Pierścień Zabezpieczajacy
9,59 zł
1 szt.
31
1604652015
Sprężyna Spiralna
5,29 zł
2 szt.
32
1600290008
PIERŚCIEN USZCZELNIAJĄCY
8,36 zł
1 szt.
34
1600190004
Podkładka Regulacyjna
Zapytaj
1 szt.
—
35
1601030022
Blacha Zabezpieczająca
5,29 zł
2 szt.
36
1600206015
Pierścień Gumowy
7,13 zł
1 szt.
40
1600150009
Podkładka Sprężysta
9,59 zł
1 szt.
4/1
1607200074
Wyłącznik
Zapytaj
1 szt.
—
41
1605500089
Pokrywa Zamykająca
Zapytaj
2 szt.
—
45
1601331032
Wspornik
Zapytaj
2 szt.
—
50
1900905227
Łożysko Kulkowe Zwykłe
Zapytaj
1 szt.
—
5/2
1604460126
Przewód Zasil. Sieciowy
48,83 zł
1 szt.
52
1600900028
Łożysko Kulkowe Zwykłe
44,53 zł
1 szt.
53
1600900029
Łożysko Kulkowe Zwykłe
Zapytaj
1 szt.
—
54
2910021118
Śruba Z Łbem Walcowym
4,06 zł
2 szt.
56
2916011005
Podkładka
4,06 zł
2 szt.
57
2910011157
Śruba Z Łbem Walcowym
Zapytaj
4 szt.
—
58
2910211020
Wkręt Do Blach
4,06 zł
2 szt.
59
3603415560
Śruba
4,06 zł
4 szt.
60
2910211036
Wkręt Do Blach
4,06 zł
4 szt.
61
2910011162
Śruba Z Łbem Walcowym
4,06 zł
3 szt.
62
1603300009
Nakrętka Sześciokątna
5,29 zł
1 szt.
63
1603429001
Wkręt Do Blach
Zapytaj
2 szt.
—
66
2910211018
Wkręt Do Blach
4,06 zł
2 szt.
69
2910211011
Wkręt Do Blach
4,06 zł
3 szt.
7/1
1601302014
Zacisk Mocujący
5,29 zł
1 szt.
100
1600390011
Uszczelka
Zapytaj
1 szt.
—
105
1601110240
Tabliczka Informacyjna
Zapytaj
1 szt.
—
151
1604700002
TAŚMA
Zapytaj
1 szt.
—
3/60
1606610124
Wentylator
11,19 zł
1 szt.
55/1
2910211021
Wkręt Do Blach
4,06 zł
3 szt.
652
2605510082
Kołpak Ochronny
Zapytaj
1 szt.
—
700
1607000149
Zestaw Części
238,99 zł
1 szt.
702
1600309009
Króciec Łączący
Zapytaj
1 szt.
—
703
1607000140
Zestaw Części
Zapytaj
1 szt.
—
712
1607000175
Zestaw Części
Zapytaj
1 szt.
—
78/1
1600452001
Tuleja Końcowa Żyły
Zapytaj
2 szt.
—
800
1607014103
Zestaw Szczotek Węglowych
48,83 zł
1 szt.
801
1604440004
PRZEWÓD ŁĄCZĄCY
Zapytaj
1 szt.
—
802
1606333208
Koło Talerzowe
Zapytaj
1 szt.
—
803
1606333207
Koło Zębate Stożkowe
Zapytaj
1 szt.
—
807
1607000913
Zestaw Części
Zapytaj
1 szt.
—
813
1607000161
Zestaw Części
Zapytaj
1 szt.
—
817
1607000229
Grupa Części Zamiennych
Zapytaj
1 szt.
—
828
1600206019
Pierścień Mocujący
Zapytaj
1 szt.
—
830
1604012044
Twornik
Zapytaj
1 szt.
—
842
1607000187
Zestaw Części
54,00 zł
1 szt.
888
160111A3H3
Tabliczka Znamionowa
8,36 zł
1 szt.
19/10
1600205019
Pierścień Filcowy
5,29 zł
1 szt.
650/14
1907950007
Śrubokręt Przegubowy
16,85 zł
1 szt.
702/10
2915191007
Nakrętka Skrzydełkowa
11,07 zł
1 szt.
702/11
2916011016
Podkładka
4,06 zł
1 szt.
702/20
2910141240
Śr.Z Łb.Okr.O Gnieź.Sześ.
Zapytaj
1 szt.
—
703/11
2603450007
Śruba Z Łbem Sześciokątn.
18,08 zł
2 szt.