Części
Maszyny
Kontakt
Home
Maszyny
Szlifierka kątowa
Bosch
SZLIFIERKA KĄTOWA NO DESCRIPTION
0602324004 -
SZLIFIERKA KĄTOWA Bosch NO DESCRIPTION
100%
Poz:
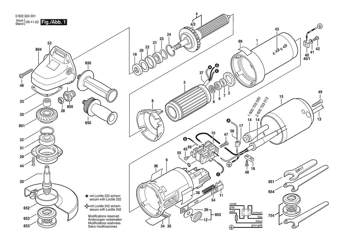
1
2
3
4
5
6
7
8
9
10
11
12
13
14
15
16
17
19
20
21
22
23
24
25
26
28
29
30
31
32
33
34
35
36
37
40
41
42
4/3
43
44
45
46
47
48
49
53
54
55
56
99
40/1
650
651
652
653
654
800
801
803
804
61 części
Sortuj
Poz.
Nr kat.
Nazwa
Cena brutto
Ilość
Zamów
1
3605102018
Kadłub Silnika
Zapytaj
1 szt.
—
2
1600209011
Pierścień Uszczelniający
7,13 zł
1 szt.
3
3604229006
Stojan
644,51 zł
1 szt.
4
3604080002
Wirnik Bez Uzwojenia
Zapytaj
1 szt.
—
5
1900905015
Łożysko Kulkowe Zwykłe
77,74 zł
1 szt.
6
3600202008
Pierścień Pośredni
8,36 zł
1 szt.
7
3600206002
Pierścień Gumowy
Zapytaj
1 szt.
—
8
3601328000
Pierścień Zakrywający
Zapytaj
1 szt.
—
9
3605108110
Kadłub Silnika
Zapytaj
1 szt.
—
10
2607200674
Wyłącznik
53,26 zł
1 szt.
11
2602319005
Zasuwa Nastawna
5,29 zł
1 szt.
12
1602026054
Uchwyt Wyłącznika
5,29 zł
1 szt.
13
3604422002
Przewód Elekt. Ze Złączem
Zapytaj
1 szt.
—
14
2600703013
Końcówka
8,36 zł
1 szt.
15
3600508031
Pokrywa Obudowy
Zapytaj
1 szt.
—
16
2601035001
Uchwyt Przewodu
5,29 zł
1 szt.
17
1901091012
Listwa Zaciskowa
16,85 zł
1 szt.
19
1600290012
PIERŚCIEN USZCZELNIAJĄCY
Zapytaj
1 szt.
—
20
1600101022
Podkładka Dystansowa
Zapytaj
1 szt.
—
21
1900905017
Łożysko Kulkowe Zwykłe
67,65 zł
1 szt.
22
3600224009
Pierścień Pośredni
Zapytaj
1 szt.
—
23
1600150010
Podkładka Sprężysta
Zapytaj
1 szt.
—
24
1600119007
Pierścień Zabezpieczajacy
Zapytaj
1 szt.
—
25
2600910001
Łożysko Igiełkowe
13,65 zł
1 szt.
26
1600140009
Tarcza Pośrednia
Zapytaj
1 szt.
—
28
1613300008
Nakrętka Sześciokątna
5,29 zł
1 szt.
29
1605805054
Kołnierz Łożyskowy
Zapytaj
1 szt.
—
30
1603523086
Trzpień Ścierający
Zapytaj
1 szt.
—
31
3600905018
Łożysko Kulkowe Zwykłe
Zapytaj
1 szt.
—
32
2916660013
UCHWYT
7,13 zł
1 szt.
33
2600136002
Podkładka Regulacyjna
Zapytaj
2 szt.
—
34
3601100003
Tabliczka Znamionowa
Zapytaj
1 szt.
—
35
1600026000
Wkładka
4,06 zł
1 szt.
36
3601103000
Tabliczka Naklejana
8,36 zł
2 szt.
37
1610712034
Wąż Skurczowy
Zapytaj
1 szt.
—
40
3601321001
Pałąk Zaciskowy
9,59 zł
1 szt.
41
3600150006
Podkładka Sprężysta
5,29 zł
1 szt.
42
2910110120
Śruba Z Łbem Płaskim
4,06 zł
1 szt.
4/3
1606610112
Wentylator
Zapytaj
1 szt.
—
43
3603402000
Wkręt Bez Łba
5,29 zł
2 szt.
44
2910771126
Wkręt Z Łbem Stożk. Płas.
Zapytaj
4 szt.
—
45
2603410001
Śruba Z Łbem Walcowym
5,29 zł
4 szt.
46
2910211283
Wkręt Do Blach
5,29 zł
4 szt.
47
2910211007
Wkręt Do Blach
5,29 zł
1 szt.
48
2910211019
Wkręt Do Blach
4,06 zł
2 szt.
49
2910601022
Wkręt Do Blach
Zapytaj
1 szt.
—
53
1601110240
Tabliczka Informacyjna
Zapytaj
1 szt.
—
54
2604611033
Sprężyna Dociskowa
7,13 zł
1 szt.
55
2916070006
Podkł. Podatna Płatkowa
4,06 zł
1 szt.
56
3604477008
Tuleja Końcowa Żyły
4,06 zł
3 szt.
99
3601119236
Tabliczka Informacyjna
11,07 zł
1 szt.
40/1
2916010409
Podkładka
Zapytaj
1 szt.
—
650
160202509Z
Uchwyt Dodatkowy
53,26 zł
1 szt.
651
2607950511
Klucz Szczękowy Jednostr.
13,65 zł
1 szt.
652
1600A0136P
Kołpak Ochronny
Zapytaj
1 szt.
—
653
2603340013
Nakrętka Okrągła
Zapytaj
2 szt.
—
654
1607950052
KLUCZ DWUCZOPOWY
11,07 zł
1 szt.
800
3606333025
Koło Zębate Stożkowe
Zapytaj
1 szt.
—
801
3606333026
Koło Talerzowe
Zapytaj
1 szt.
—
803
1607000912
Uchwyt Wyłącznika
Zapytaj
1 szt.
—
804
1605806402
Obudowa Przekładni
Zapytaj
1 szt.
—