Części
Maszyny
Kontakt
Home
Maszyny
Szlifierka kątowa
Bosch
SZLIFIERKA KĄTOWA 1335.4
0601335403 -
SZLIFIERKA KĄTOWA Bosch 1335.4
100%
Poz:
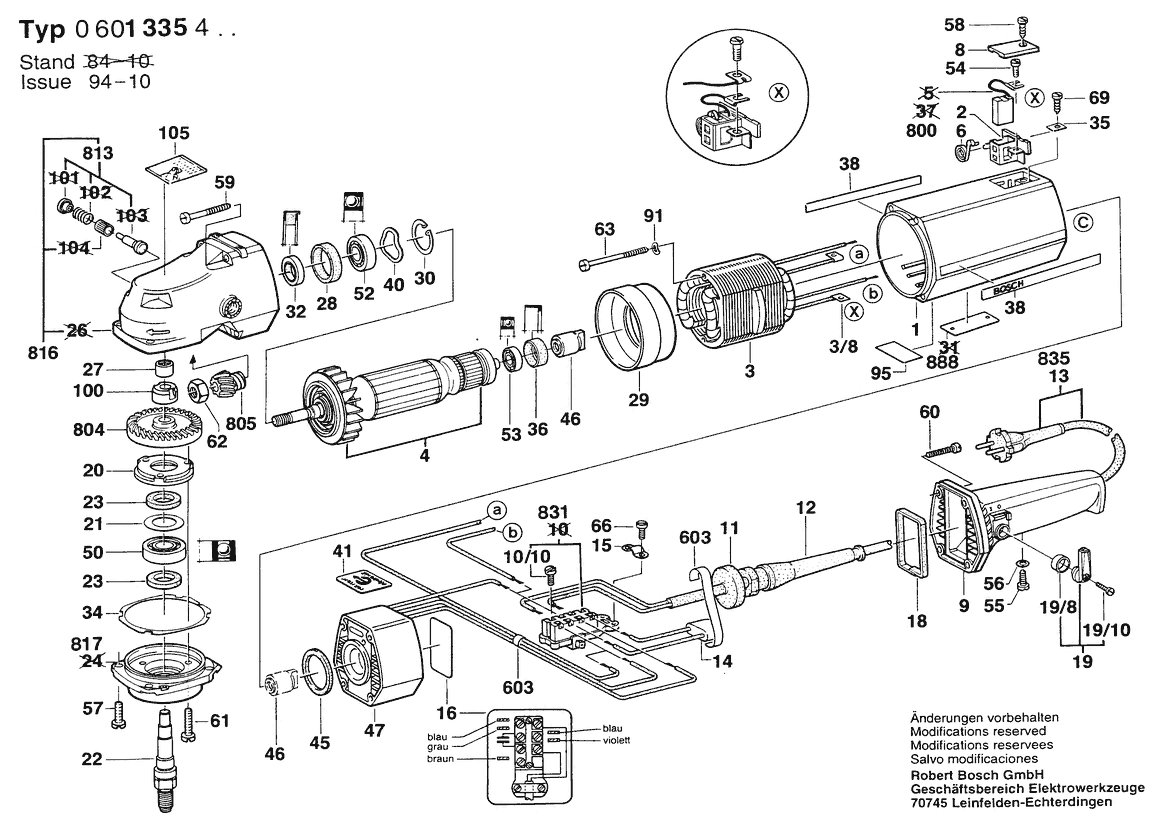
1
2
3
4
6
8
9
11
12
14
15
16
18
19
20
21
22
23
27
28
29
30
32
34
35
36
3/8
38
40
41
45
46
47
50
52
53
54
55
57
58
59
60
61
62
63
66
69
91
100
105
19/8
652
702
703
712
800
804
805
810
813
816
817
831
835
888
10/10
650/5
652/2
702/20
703/11
712/20
750/10
750/40
817/029
74 części
Sortuj
Poz.
Nr kat.
Nazwa
Cena brutto
Ilość
Zamów
1
1605108141
Kadłub Silnika
Zapytaj
1 szt.
—
2
1604336008
Uchwyt Szczotek
67,65 zł
2 szt.
3
1604220153
Stojan
Zapytaj
1 szt.
—
4
1604011140
Twornik
Zapytaj
1 szt.
—
6
1604652015
Sprężyna Spiralna
5,29 zł
2 szt.
8
1605500089
Pokrywa Zamykająca
Zapytaj
2 szt.
—
9
1605132093
Rękojeść
Zapytaj
1 szt.
—
11
1600113002
Uszczelka
5,29 zł
1 szt.
12
3600703011
Końcówka
8,36 zł
1 szt.
14
1607328034
Filtr Przeciwzakłóceniowy
13,65 zł
1 szt.
15
1601302013
Zacisk Mocujący
5,29 zł
1 szt.
16
1601110363
Tabliczka Naklejana
Zapytaj
1 szt.
—
18
1601014005
Wstęga Profilowa
Zapytaj
1 szt.
—
19
1602026058
Dźwignia Zmiany Biegów
Zapytaj
1 szt.
—
20
1605808054
Pokrywa Łożyska
Zapytaj
1 szt.
—
21
1600102012
Pierścień Zakrywający
Zapytaj
1 szt.
—
22
1603523090
Trzpień Ścierający
Zapytaj
1 szt.
—
23
1600108055
Uszczelka
4,06 zł
2 szt.
27
2600910001
Łożysko Igiełkowe
13,65 zł
1 szt.
28
1600206020
Pierścień Gumowy
5,29 zł
1 szt.
29
1600502017
Pierścień Kier. Powietrza
Zapytaj
1 szt.
—
30
2916660017
Pierścień Zabezpieczajacy
13,65 zł
1 szt.
32
1600290013
PIERŚCIEN USZCZELNIAJĄCY
8,36 zł
1 szt.
34
1600190004
Podkładka Regulacyjna
Zapytaj
1 szt.
—
35
1601030022
Blacha Zabezpieczająca
5,29 zł
2 szt.
36
1600206015
Pierścień Gumowy
7,13 zł
1 szt.
3/8
1901350003
Końcówka Kablowa
4,06 zł
2 szt.
38
1601110003
Tabliczka Firmy
Zapytaj
2 szt.
—
40
1600150007
Podkładka Sprężysta
5,29 zł
1 szt.
41
1601110310
Tabliczka Informacyjna
Zapytaj
1 szt.
—
45
1600206016
Pierścień Gumowy
Zapytaj
1 szt.
—
46
1607233018
ZABEZPIECZENIE
Zapytaj
1 szt.
—
47
1607233017
Regulator Prędk. Obrotow.
Zapytaj
1 szt.
—
50
1900905227
Łożysko Kulkowe Zwykłe
Zapytaj
1 szt.
—
52
1900905234
Łożysko Kulkowe Zwykłe
97,79 zł
1 szt.
53
1600900029
Łożysko Kulkowe Zwykłe
Zapytaj
1 szt.
—
54
2910021118
Śruba Z Łbem Walcowym
4,06 zł
2 szt.
55
2910211006
Wkręt Do Blach
4,06 zł
1 szt.
57
2910011157
Śruba Z Łbem Walcowym
Zapytaj
4 szt.
—
58
2910211020
Wkręt Do Blach
4,06 zł
2 szt.
59
1613435009
Wkręt Do Blach
5,29 zł
4 szt.
60
1603435008
Wkręt Do Blach
Zapytaj
4 szt.
—
61
2910011162
Śruba Z Łbem Walcowym
4,06 zł
3 szt.
62
1603300018
Nakrętka Sześciokątna
Zapytaj
1 szt.
—
63
1603435006
Wkręt Do Blach
Zapytaj
3 szt.
—
66
2910021116
Śruba Z Łbem Walcowym
7,26 zł
2 szt.
69
2910211011
Wkręt Do Blach
4,06 zł
2 szt.
91
2916060006
Podkładka Sprężysta
Zapytaj
2 szt.
—
100
1600390011
Uszczelka
Zapytaj
1 szt.
—
105
1601110240
Tabliczka Informacyjna
Zapytaj
1 szt.
—
19/8
1600205019
Pierścień Filcowy
5,29 zł
1 szt.
652
2605510082
Kołpak Ochronny
Zapytaj
1 szt.
—
702
1605510180
Kołpak Ochronny
Zapytaj
1 szt.
—
703
1607000140
Zestaw Części
Zapytaj
1 szt.
—
712
1607000175
Zestaw Części
Zapytaj
1 szt.
—
800
1607014115
Zestaw Szczotek Węglowych
Zapytaj
1 szt.
—
804
1606333144
Koło Talerzowe
Zapytaj
1 szt.
—
805
1606333229
Koło Zębate Stożkowe
Zapytaj
1 szt.
—
810
1607000138
Zestaw Uszczelek
Zapytaj
1 szt.
—
813
1607000161
Zestaw Części
Zapytaj
1 szt.
—
816
1607000905
Zestaw Części
Zapytaj
1 szt.
—
817
1607000229
Grupa Części Zamiennych
Zapytaj
1 szt.
—
831
1607200093
Przeł. Wejścia/Wyjścia
Zapytaj
1 szt.
—
835
1607000228
Przewód Zasil. Sieciowy
59,53 zł
1 szt.
888
160111A3H3
Tabliczka Znamionowa
8,36 zł
1 szt.
10/10
2910091118
Śruba Z Łbem Płaskim
Zapytaj
8 szt.
—
650/5
1907950007
Śrubokręt Przegubowy
16,85 zł
1 szt.
652/2
2910141240
Śr.Z Łb.Okr.O Gnieź.Sześ.
Zapytaj
1 szt.
—
702/20
1600309009
Króciec Łączący
Zapytaj
1 szt.
—
703/11
2603450007
Śruba Z Łbem Sześciokątn.
18,08 zł
2 szt.
712/20
1608135003
Sanie Prowadzące
Zapytaj
1 szt.
—
750/10
2602025075
Uchwyt Dodatkowy
Zapytaj
1 szt.
—
750/40
1603345025
Nakrętka Okrągła
Zapytaj
1 szt.
—
817/029
1600210033
Pierścień Samouszczeln.
5,29 zł
1 szt.