Części
Maszyny
Kontakt
Home
Maszyny
Szlifierka kątowa
Bosch
SZLIFIERKA KĄTOWA 0300
0600300039 -
SZLIFIERKA KĄTOWA Bosch 0300
100%
Poz:
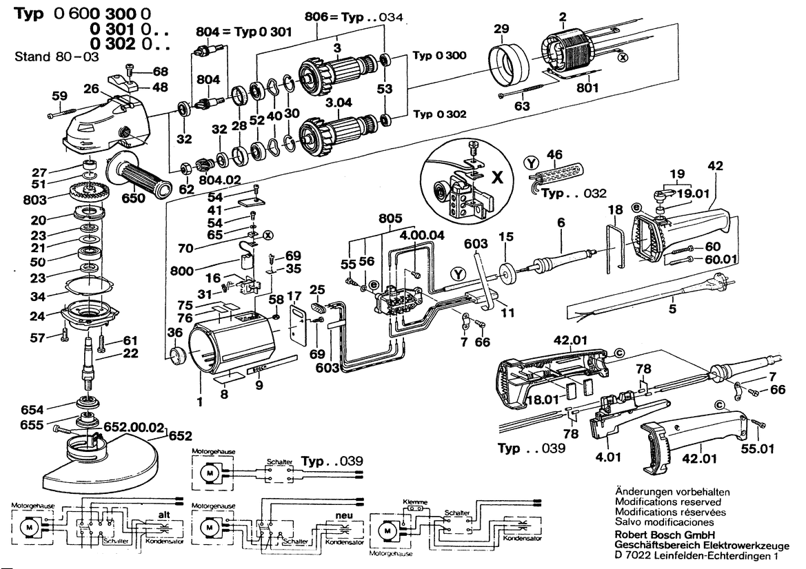
1
2
3
5
6
7
8
9
16
17
18
19
20
21
22
23
24
25
26
27
28
29
30
31
32
34
35
36
40
41
48
50
51
52
53
54
56
57
58
59
60
61
63
66
68
69
70
75
76
78
4/01
650
651
652
654
655
656
800
801
803
804
810
19/01
42/01
55/01
60/01
4/00/04
652/000/02
68 części
Sortuj
Poz.
Nr kat.
Nazwa
Cena brutto
Ilość
Zamów
1
3605108088
Kadłub Silnika
Zapytaj
1 szt.
—
2
1604220124
Stojan
Zapytaj
1 szt.
—
3
1604011238
Twornik
Zapytaj
1 szt.
—
5
1604460024
Przewód Zasil. Sieciowy
Zapytaj
1 szt.
—
6
1600703009
Końcówka
16,85 zł
1 szt.
7
1601302013
Zacisk Mocujący
5,29 zł
1 szt.
8
160111A3H3
Tabliczka Znamionowa
8,36 zł
1 szt.
9
1601110005
Tabliczka Firmy
Zapytaj
2 szt.
—
16
3604336012
Uchwyt Szczotek
18,08 zł
2 szt.
17
1601329008
Strzemiączko
Zapytaj
1 szt.
—
18
1601014005
Wstęga Profilowa
Zapytaj
1 szt.
—
19
1602026041
Dźwignia Zmiany Biegów
Zapytaj
1 szt.
—
20
1605808054
Pokrywa Łożyska
Zapytaj
1 szt.
—
21
1600102012
Pierścień Zakrywający
Zapytaj
1 szt.
—
22
1603523092
Trzpień Ścierający
Zapytaj
1 szt.
—
23
1600108055
Uszczelka
4,06 zł
2 szt.
24
1605805047
Kołnierz Łożyskowy
Zapytaj
1 szt.
—
25
1901091110
LISTWA ZACISKOWA
5,29 zł
1 szt.
26
1605806329
Obudowa Przekładni
Zapytaj
1 szt.
—
27
2600910001
Łożysko Igiełkowe
13,65 zł
1 szt.
28
1600206020
Pierścień Gumowy
5,29 zł
1 szt.
29
1600502009
Pierścień Kier. Powietrza
Zapytaj
1 szt.
—
30
2916660017
Pierścień Zabezpieczajacy
13,65 zł
1 szt.
31
1604652006
Sprężyna Spiralna
5,29 zł
2 szt.
32
1600290008
PIERŚCIEN USZCZELNIAJĄCY
8,36 zł
1 szt.
34
1600190004
Podkładka Regulacyjna
Zapytaj
1 szt.
—
35
1601030022
Blacha Zabezpieczająca
5,29 zł
2 szt.
36
1600502006
Tuleja Gumowa
Zapytaj
1 szt.
—
40
1600150007
Podkładka Sprężysta
5,29 zł
1 szt.
41
1605500089
Pokrywa Zamykająca
Zapytaj
2 szt.
—
48
1608039008
LISTWA
Zapytaj
1 szt.
—
50
1900905281
Łożysko Kulkowe Zwykłe
110,33 zł
1 szt.
51
2916620011
Pierścień Sprężysty
5,29 zł
1 szt.
52
1900905234
Łożysko Kulkowe Zwykłe
97,79 zł
1 szt.
53
1600900029
Łożysko Kulkowe Zwykłe
Zapytaj
1 szt.
—
54
2910021118
Śruba Z Łbem Walcowym
4,06 zł
4 szt.
56
2916011005
Podkładka
4,06 zł
2 szt.
57
2910011157
Śruba Z Łbem Walcowym
Zapytaj
4 szt.
—
58
2915011005
Nakrętka Sześciokątna
4,06 zł
2 szt.
59
3603415560
Śruba
4,06 zł
4 szt.
60
2910211036
Wkręt Do Blach
4,06 zł
4 szt.
61
2910011162
Śruba Z Łbem Walcowym
4,06 zł
3 szt.
63
1613435009
Wkręt Do Blach
5,29 zł
2 szt.
66
2910021122
Śruba Z Łbem Walcowym
4,06 zł
2 szt.
68
2910021196
Śruba Z Łbem Walcowym
Zapytaj
2 szt.
—
69
2910211011
Wkręt Do Blach
4,06 zł
3 szt.
70
1611331007
Blacha Zabezpieczająca
Zapytaj
2 szt.
—
75
1601110058
Tabliczka Informacyjna
5,29 zł
1 szt.
76
3601119236
Tabliczka Informacyjna
11,07 zł
1 szt.
78
3604477009
Tuleja Końcowa Żyły
5,29 zł
4 szt.
4/01
1607200064
Wyłącznik
132,84 zł
1 szt.
650
160202509Z
Uchwyt Dodatkowy
53,26 zł
1 szt.
651
1907950511
Klucz Szczękowy Jednostr.
Zapytaj
1 szt.
—
652
1605510176
Kołpak Ochronny
Zapytaj
1 szt.
—
654
1605703053
Kołnierz Mocujący
Zapytaj
1 szt.
—
655
1603340001
Nakrętka Okrągła
Zapytaj
1 szt.
—
656
1607950007
KLUCZ DWUCZOPOWY
Zapytaj
1 szt.
—
800
1607014106
Zestaw Szczotek Węglowych
Zapytaj
1 szt.
—
801
1604440004
PRZEWÓD ŁĄCZĄCY
Zapytaj
1 szt.
—
803
1606333158
Koło Zębate Stożkowe
Zapytaj
1 szt.
—
804
1606333159
Koło Zębate Stożkowe
Zapytaj
1 szt.
—
810
1607000111
Zestaw Uszczelek
Zapytaj
1 szt.
—
19/01
1600205019
Pierścień Filcowy
5,29 zł
1 szt.
42/01
1605132083
Rękojeść
Zapytaj
1 szt.
—
55/01
2910211021
Wkręt Do Blach
4,06 zł
3 szt.
60/01
2910021158
Śruba Z Łbem Walcowym
Zapytaj
4 szt.
—
4/00/04
2910091118
Śruba Z Łbem Płaskim
Zapytaj
8 szt.
—
652/000/02
2910141242
Śr.Z Łb.Okr.O Gnieź.Sześ.
5,29 zł
1 szt.