Części
Maszyny
Kontakt
Home
Maszyny
Szlifierka kątowa
Bosch
SZLIFIERKA KĄTOWA ----
0600304033 -
SZLIFIERKA KĄTOWA Bosch ----
100%
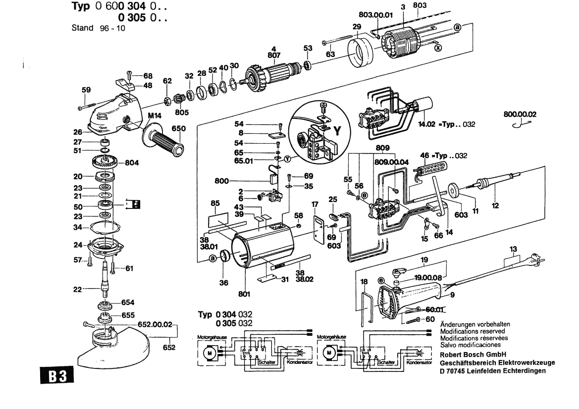
Poz:
2
3
4
6
8
9
11
12
13
15
17
18
19
20
21
22
23
24
25
26
27
28
29
30
31
32
34
35
36
38
40
50
51
52
53
55
56
57
58
59
60
61
62
63
65
66
69
85
650
651
652
653
654
655
800
801
803
804
805
809
14/02
65/01
19/00/08
652/00/02
800/00/02
803/00/01
809/00/04
67 części
Sortuj
Poz.
Nr kat.
Nazwa
Cena brutto
Ilość
Zamów
2
1604336008
Uchwyt Szczotek
74,00 zł
2 szt.
—
3
1604220109
Stojan
Zapytaj
1 szt.
—
4
1604011223
Twornik
Zapytaj
1 szt.
—
6
1604652015
Sprężyna Spiralna
13,00 zł
2 szt.
—
8
1605500089
Pokrywa Zamykająca
Zapytaj
2 szt.
—
9
1605132079
Rękojeść
Zapytaj
1 szt.
—
11
1600113002
Uszczelka
9,00 zł
1 szt.
—
12
1600703009
Końcówka
22,00 zł
1 szt.
—
13
1607000227
Przewód Zasil. Sieciowy
92,00 zł
1 szt.
—
15
1601302013
Zacisk Mocujący
9,00 zł
1 szt.
—
17
1601037006
Płyta Osłaniająca
Zapytaj
1 szt.
—
18
1601014005
Wstęga Profilowa
Zapytaj
1 szt.
—
19
1602026041
Dźwignia Zmiany Biegów
Zapytaj
1 szt.
—
20
1605808054
Pokrywa Łożyska
Zapytaj
1 szt.
—
21
1600102012
Pierścień Zakrywający
Zapytaj
1 szt.
—
22
1603523032
Trzpień Ścierający
140,00 zł
1 szt.
—
23
1600108055
Uszczelka
8,00 zł
2 szt.
—
24
1607000229
Grupa Części Zamiennych
Zapytaj
1 szt.
—
25
1600306001
Końcówka
12,00 zł
1 szt.
—
26
1605806362
Obudowa Przekładni
Zapytaj
1 szt.
—
27
1600910010
Tuleja Igłowa
178,00 zł
1 szt.
—
28
1600206014
Pierścień Gumowy
8,00 zł
1 szt.
—
29
1600502007
Pierścień Kier. Powietrza
Zapytaj
1 szt.
—
30
2916660017
Pierścień Zabezpieczajacy
17,00 zł
1 szt.
—
31
160111A3H3
Tabliczka Znamionowa
12,00 zł
1 szt.
—
32
1600290008
PIERŚCIEN USZCZELNIAJĄCY
12,00 zł
1 szt.
—
34
1600190004
Podkładka Regulacyjna
Zapytaj
1 szt.
—
35
1601030022
Blacha Zabezpieczająca
9,00 zł
2 szt.
—
36
1600502006
Tuleja Gumowa
Zapytaj
1 szt.
—
38
1601110003
Tabliczka Firmy
Zapytaj
2 szt.
—
40
1600150007
Podkładka Sprężysta
9,00 zł
1 szt.
—
50
1900905281
Łożysko Kulkowe Zwykłe
117,00 zł
1 szt.
—
51
2916620011
Pierścień Sprężysty
9,00 zł
1 szt.
—
52
1900905234
Łożysko Kulkowe Zwykłe
117,00 zł
1 szt.
—
53
1900900407
Łożysko Kulkowe Zwykłe
Zapytaj
1 szt.
—
55
2910211006
Wkręt Do Blach
8,00 zł
2 szt.
—
56
2916011005
Podkładka
8,00 zł
2 szt.
—
57
2910021157
Śruba Z Łbem Walcowym
Zapytaj
4 szt.
—
58
2915011005
Nakrętka Sześciokątna
8,00 zł
2 szt.
—
59
1613435009
Wkręt Do Blach
9,00 zł
4 szt.
—
60
2910211036
Wkręt Do Blach
8,00 zł
4 szt.
—
61
2910021162
Śruba Z Łbem Walcowym
Zapytaj
3 szt.
—
62
1603300009
Nakrętka Sześciokątna
9,00 zł
1 szt.
—
63
1603435006
Wkręt Do Blach
Zapytaj
2 szt.
—
65
1600150006
Podkładka Sprężysta
Zapytaj
2 szt.
—
66
2910021118
Śruba Z Łbem Walcowym
8,00 zł
4 szt.
—
69
2910211011
Wkręt Do Blach
8,00 zł
3 szt.
—
85
1601110060
Tabliczka Informacyjna
Zapytaj
1 szt.
—
650
160202509Z
Uchwyt Dodatkowy
59,00 zł
1 szt.
—
651
2607950511
Klucz Szczękowy Jednostr.
17,00 zł
1 szt.
—
652
1605510199
Kołpak Ochronny
Zapytaj
1 szt.
—
653
1907950007
Śrubokręt Przegubowy
21,00 zł
1 szt.
—
654
2600501006
Kołnierz Przyjmujący
66,00 zł
1 szt.
—
655
2603345004
Nakrętka Okrągła
25,00 zł
1 szt.
—
800
1607014103
Zestaw Szczotek Węglowych
54,00 zł
1 szt.
—
801
1605108902
Grupa Części Zamiennych
Zapytaj
1 szt.
—
803
1604440004
PRZEWÓD ŁĄCZĄCY
Zapytaj
1 szt.
—
804
1606333147
Koło Talerzowe
Zapytaj
1 szt.
—
805
1606333148
Koło Zębate Stożkowe
Zapytaj
1 szt.
—
809
1607000034
Zestaw Wyłączników
Zapytaj
1 szt.
—
14/02
1607328034
Filtr Przeciwzakłóceniowy
17,00 zł
1 szt.
—
65/01
1611331007
Blacha Zabezpieczająca
Zapytaj
2 szt.
—
19/00/08
1600205019
Pierścień Filcowy
9,00 zł
1 szt.
—
652/00/02
2910141242
Śr.Z Łb.Okr.O Gnieź.Sześ.
9,00 zł
1 szt.
—
800/00/02
1604682006
Hak Do Wyciągania
9,00 zł
1 szt.
—
803/00/01
1601353003
Końcówka Kablowa
Zapytaj
1 szt.
—
809/00/04
2910091118
Śruba Z Łbem Płaskim
Zapytaj
5 szt.
—