Części
Maszyny
Kontakt
Home
Maszyny
Szlifierka kątowa
Bosch
SZLIFIERKA KĄTOWA ----
0602310001 -
SZLIFIERKA KĄTOWA Bosch ----
100%
Poz:
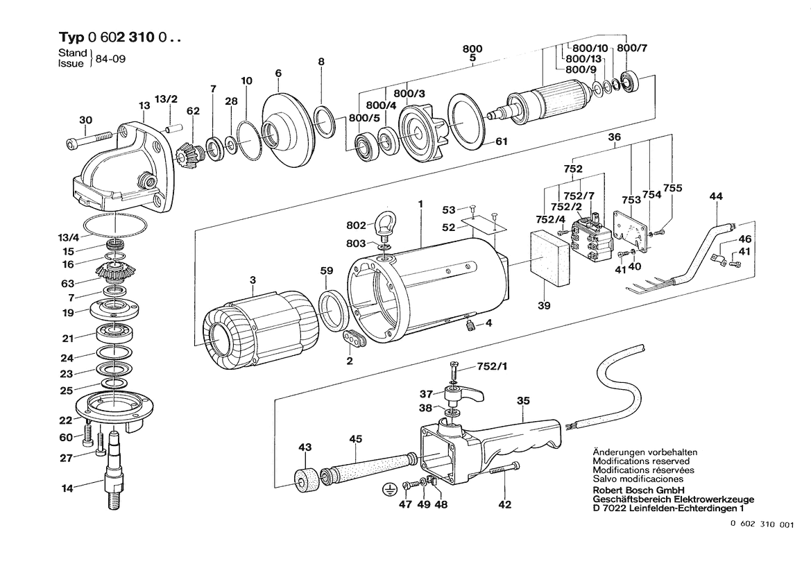
1
2
3
4
6
7
8
10
13
14
15
16
19
21
22
23
25
27
28
30
35
36
37
38
39
40
41
42
43
44
45
46
47
48
49
52
53
59
60
61
62
63
99
13/2
13/4
651
652
653
752
755
800
802
803
752/1
752/2
752/3
752/4
752/5
752/7
800/3
800/4
800/5
800/7
800/9
800/10
800/13
66 części
Sortuj
Poz.
Nr kat.
Nazwa
Cena brutto
Ilość
Zamów
1
1605102036
Kadłub Silnika
Zapytaj
1 szt.
—
2
1600306000
Końcówka
Zapytaj
1 szt.
—
3
1604229068
Stojan
Zapytaj
1 szt.
—
4
1603402003
Wkręt Bez Łba
Zapytaj
8 szt.
—
6
1605820091
Kołnierz Łożyskowy
Zapytaj
1 szt.
—
7
1600108048
Uszczelka
9,00 zł
2 szt.
—
8
1600102638
Podkładka Regulacyjna
Zapytaj
3 szt.
—
10
1600210004
Pierścień Samouszczeln.
13,00 zł
1 szt.
—
13
1605806180
Obudowa Przekładni
Zapytaj
1 szt.
—
14
1603523020
Trzpień Ścierający
Zapytaj
1 szt.
—
15
1600910010
Tuleja Igłowa
178,00 zł
1 szt.
—
16
2916620011
Pierścień Sprężysty
9,00 zł
1 szt.
—
19
1600521007
Tarcza Mocująca
Zapytaj
1 szt.
—
21
1900900352
Łożysko Kulkowe Zwykłe
105,00 zł
1 szt.
—
22
1605805018
Kołnierz Łożyskowy
Zapytaj
1 szt.
—
23
2100551000
Podkładka
Zapytaj
1 szt.
—
25
1600110004
Uszczelka
Zapytaj
1 szt.
—
27
2910141164
Śr.Z Łb.Okr.O Gnieź.Sześ.
11,00 zł
3 szt.
—
28
1600101616
Podkładka Regulacyjna
12,00 zł
3 szt.
—
30
2910141246
Śr.Z Łb.Okr.O Gnieź.Sześ.
Zapytaj
4 szt.
—
35
1605132024
Rękojeść
Zapytaj
1 szt.
—
36
1607200017
Przeł. Wejścia/Wyjścia
349,69 zł
1 szt.
—
37
1602026015
Dźwignia Zmiany Biegów
Zapytaj
1 szt.
—
38
1600108024
Uszczelka
Zapytaj
1 szt.
—
39
1600009000
Płytka Uszczelniająca
Zapytaj
1 szt.
—
40
2916690003
Pierścień Sprężysty
8,00 zł
4 szt.
—
41
2910021122
Śruba Z Łbem Walcowym
11,00 zł
6 szt.
—
42
2910141209
Śr.Z Łb.Okr.O Gnieź.Sześ.
Zapytaj
4 szt.
—
43
1600113003
Płytka Uszczelniająca
13,00 zł
1 szt.
—
44
3604462043
Przewód Elekt. Ze Złączem
214,00 zł
1 szt.
—
45
1600703009
Końcówka
22,00 zł
1 szt.
—
46
1601303003
Zacisk Mocujący
11,00 zł
1 szt.
—
47
2910110120
Śruba Z Łbem Płaskim
8,00 zł
1 szt.
—
48
3601321001
Pałąk Zaciskowy
15,00 zł
1 szt.
—
49
3600150006
Podkładka Sprężysta
12,00 zł
1 szt.
—
52
3601106053
Tabliczka Znamionowa
21,00 zł
1 szt.
—
53
3603133001
Nitokołek
12,00 zł
2 szt.
—
59
1600209005
Pierścień Uszczelniający
Zapytaj
1 szt.
—
60
2910141201
Śr.Z Łb.Okr.O Gnieź.Sześ.
12,00 zł
2 szt.
—
61
1600151001
Pierścień Kier. Powietrza
Zapytaj
1 szt.
—
62
1606333048
Koło Zębate Stożkowe
Zapytaj
1 szt.
—
63
1606333049
Koło Zębate Stożkowe
Zapytaj
1 szt.
—
99
3601119236
Tabliczka Informacyjna
15,00 zł
1 szt.
—
13/2
2917500145
Kołek Walcowy
Zapytaj
1 szt.
—
13/4
1900210166
Pierścień Samouszczeln.
21,00 zł
1 szt.
—
651
2607950511
Klucz Szczękowy Jednostr.
17,00 zł
1 szt.
—
652
1607950061
KLUCZ DWUCZOPOWY
Zapytaj
1 szt.
—
653
1907950007
Śrubokręt Przegubowy
21,00 zł
1 szt.
—
752
1607200006
Przeł. Wejścia/Wyjścia
359,00 zł
1 szt.
—
755
2910021118
Śruba Z Łbem Walcowym
8,00 zł
2 szt.
—
800
1604081003
Wirnik Bez Uzwojenia
Zapytaj
1 szt.
—
802
2912521237
Śruba Pierścieniowa
Zapytaj
1 szt.
—
803
2916680011
Pierścień Sprężysty
Zapytaj
1 szt.
—
752/1
2910001052
Śruba Z Łbem Walcowym
11,00 zł
1 szt.
—
752/2
1604650009
Sprężyna Ściągająca
Zapytaj
1 szt.
—
752/3
1604617001
Sprężyna Dociskowa
13,00 zł
2 szt.
—
752/4
2910091118
Śruba Z Łbem Płaskim
Zapytaj
6 szt.
—
752/5
3600224035
Podkładka Zabezpieczająca
9,00 zł
1 szt.
—
752/7
1603200007
Rolka Spoczynkowa
Zapytaj
1 szt.
—
800/3
1606610013
Wentylator
Zapytaj
1 szt.
—
800/4
1600120019
Pierścień Zakrywający
Zapytaj
1 szt.
—
800/5
1900900117
Łożysko Kulkowe Rozłączne
Zapytaj
1 szt.
—
800/7
1600202025
Pierścień Pośredni
Zapytaj
1 szt.
—
800/9
1900900111
Łożysko Kulkowe Rozłączne
Zapytaj
1 szt.
—
800/10
1610101603
Podkładka Regulacyjna
9,00 zł
1 szt.
—
800/13
1200101608
Podkładka Regulacyjna
Zapytaj
2 szt.
—