Części
Maszyny
Kontakt
Home
Maszyny
Szlifierka kątowa
Bosch
AKUM. SZLIFIERKA KĄTOWA 1323
0601323003 -
AKUM. SZLIFIERKA KĄTOWA Bosch 1323
100%
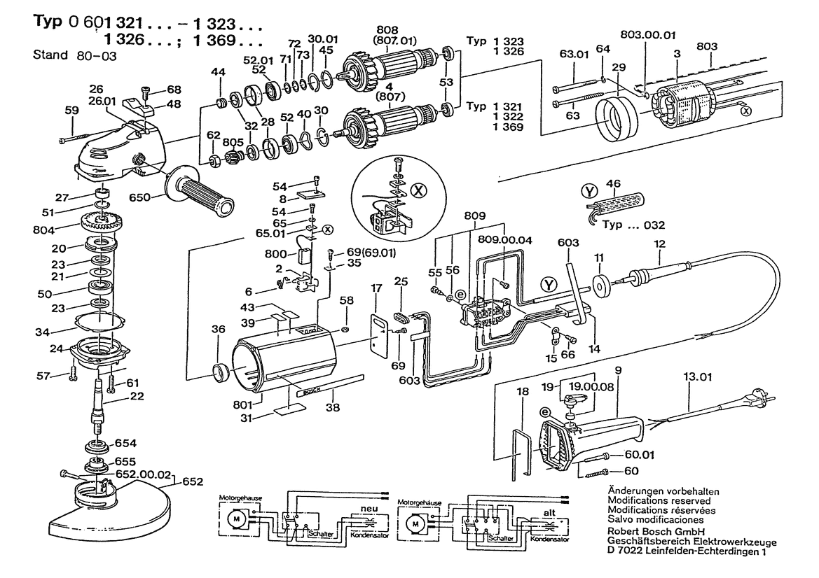
Poz:
2
3
6
8
9
11
12
13
14
15
17
18
19
20
21
22
23
24
25
26
27
28
29
30
31
32
34
35
36
38
44
45
50
51
52
53
54
55
56
57
58
59
60
61
63
64
65
66
68
69
71
72
73
60/1
650
651
652
654
655
800
801
803
804
808
809
65/01
19/00/08
809/00/04
68 części
Sortuj
Poz.
Nr kat.
Nazwa
Cena brutto
Ilość
Zamów
2
1604336008
Uchwyt Szczotek
74,00 zł
2 szt.
—
3
1604220109
Stojan
Zapytaj
1 szt.
—
6
1604652015
Sprężyna Spiralna
13,00 zł
2 szt.
—
8
1605500089
Pokrywa Zamykająca
Zapytaj
2 szt.
—
9
1605132079
Rękojeść
Zapytaj
1 szt.
—
11
1600113002
Uszczelka
9,00 zł
1 szt.
—
12
3600703011
Końcówka
13,00 zł
1 szt.
—
13
1607000228
Przewód Zasil. Sieciowy
59,00 zł
1 szt.
—
14
1607328034
Filtr Przeciwzakłóceniowy
17,00 zł
1 szt.
—
15
1601302013
Zacisk Mocujący
9,00 zł
1 szt.
—
17
1601037006
Płyta Osłaniająca
Zapytaj
1 szt.
—
18
1601014005
Wstęga Profilowa
Zapytaj
1 szt.
—
19
1602026041
Dźwignia Zmiany Biegów
Zapytaj
1 szt.
—
20
1605808054
Pokrywa Łożyska
Zapytaj
1 szt.
—
21
1600102012
Pierścień Zakrywający
Zapytaj
1 szt.
—
22
1603523032
Trzpień Ścierający
140,00 zł
1 szt.
—
23
1600108055
Uszczelka
8,00 zł
2 szt.
—
24
1607000229
Grupa Części Zamiennych
Zapytaj
1 szt.
—
25
1600306001
Końcówka
12,00 zł
1 szt.
—
26
1605806362
Obudowa Przekładni
Zapytaj
1 szt.
—
27
1600910010
Tuleja Igłowa
178,00 zł
1 szt.
—
28
1600206014
Pierścień Gumowy
8,00 zł
1 szt.
—
29
1600502007
Pierścień Kier. Powietrza
Zapytaj
1 szt.
—
30
1600116002
Pierścień Sprężysty
Zapytaj
1 szt.
—
31
160111A3H3
Tabliczka Znamionowa
12,00 zł
1 szt.
—
32
1600290008
PIERŚCIEN USZCZELNIAJĄCY
12,00 zł
1 szt.
—
34
1600190004
Podkładka Regulacyjna
Zapytaj
1 szt.
—
35
1601030022
Blacha Zabezpieczająca
9,00 zł
2 szt.
—
36
1600502006
Tuleja Gumowa
Zapytaj
1 szt.
—
38
1601110003
Tabliczka Firmy
Zapytaj
2 szt.
—
44
1603344051
Pierścień Gwintowany
Zapytaj
1 szt.
—
45
1600116004
Pierścień Sprężysty
Zapytaj
1 szt.
—
50
1900905227
Łożysko Kulkowe Zwykłe
Zapytaj
1 szt.
—
51
2916620011
Pierścień Sprężysty
9,00 zł
1 szt.
—
52
1600900020
Łożysko Kulkowe Zwykłe
Zapytaj
1 szt.
—
53
1600900029
Łożysko Kulkowe Zwykłe
Zapytaj
1 szt.
—
54
2910021118
Śruba Z Łbem Walcowym
8,00 zł
4 szt.
—
55
2910021050
Śruba Z Łbem Walcowym
8,00 zł
2 szt.
—
56
2916011005
Podkładka
8,00 zł
2 szt.
—
57
2910021157
Śruba Z Łbem Walcowym
Zapytaj
4 szt.
—
58
2915011005
Nakrętka Sześciokątna
8,00 zł
2 szt.
—
59
1613435009
Wkręt Do Blach
9,00 zł
4 szt.
—
60
2910021158
Śruba Z Łbem Walcowym
Zapytaj
4 szt.
—
61
2910021162
Śruba Z Łbem Walcowym
Zapytaj
3 szt.
—
63
1603410001
Śruba Z Łbem Walcowym
Zapytaj
2 szt.
—
64
2916680006
Pierścień Sprężysty
Zapytaj
2 szt.
—
65
1600150006
Podkładka Sprężysta
Zapytaj
2 szt.
—
66
2910021122
Śruba Z Łbem Walcowym
11,00 zł
2 szt.
—
68
2910021196
Śruba Z Łbem Walcowym
Zapytaj
1 szt.
—
69
2910211011
Wkręt Do Blach
8,00 zł
3 szt.
—
71
1600101650
Podkładka Regulacyjna
12,00 zł
2 szt.
—
72
1600101648
Podkładka Regulacyjna
9,00 zł
2 szt.
—
73
1600101649
Podkładka Regulacyjna
Zapytaj
1 szt.
—
60/1
2910211036
Wkręt Do Blach
8,00 zł
4 szt.
—
650
160202509Z
Uchwyt Dodatkowy
59,00 zł
1 szt.
—
651
2607950511
Klucz Szczękowy Jednostr.
17,00 zł
1 szt.
—
652
1605510082
Kołpak Ochronny
Zapytaj
1 szt.
—
654
2600501006
Kołnierz Przyjmujący
66,00 zł
1 szt.
—
655
2603345004
Nakrętka Okrągła
25,00 zł
1 szt.
—
800
1607014103
Zestaw Szczotek Węglowych
54,00 zł
1 szt.
—
801
1605108902
Grupa Części Zamiennych
Zapytaj
1 szt.
—
803
1604440004
PRZEWÓD ŁĄCZĄCY
Zapytaj
1 szt.
—
804
1606333158
Koło Zębate Stożkowe
Zapytaj
1 szt.
—
808
1604011240
Twornik
Zapytaj
1 szt.
—
809
1607000034
Zestaw Wyłączników
Zapytaj
1 szt.
—
65/01
1611331007
Blacha Zabezpieczająca
Zapytaj
2 szt.
—
19/00/08
1600205019
Pierścień Filcowy
9,00 zł
1 szt.
—
809/00/04
2910091118
Śruba Z Łbem Płaskim
Zapytaj
5 szt.
—