Części
Maszyny
Kontakt
Home
Maszyny
Szlifierka kątowa
Bosch
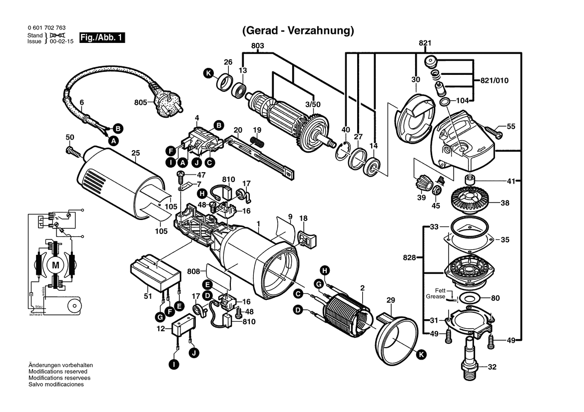
SZLIFIERKA KĄTOWA WKS 10-125 C
0601702763 -
SZLIFIERKA KĄTOWA Bosch WKS 10-125 C
100%
Poz:
1
2
4
6
7
9
12
13
14
16
17
18
19
20
25
26
27
29
30
31
32
33
35
38
39
40
41
45
47
48
49
50
51
55
80
104
105
3/50
751
803
805
808
810
821
828
650/20
750/10
750/30
750/50
821/010
650/50/20
51 części
Sortuj
Poz.
Nr kat.
Nazwa
Cena brutto
Ilość
Zamów
1
1605108217
Kadłub Silnika
34,32 zł
1 szt.
—
2
1607000F0P
Stojan
117,00 zł
1 szt.
—
4
1607200086
Przeł. Wejścia/Wyjścia
39,00 zł
1 szt.
—
6
2600703013
Końcówka
12,00 zł
1 szt.
—
7
1601302017
Zacisk Mocujący
8,00 zł
1 szt.
—
9
1601118769
Tabliczka Firmy
11,19 zł
1 szt.
—
12
1607328042
Filtr Przeciwzakłóceniowy
25,00 zł
1 szt.
—
13
2600905032
Łożysko Kulkowe
21,00 zł
1 szt.
—
14
1600905032
Łożysko Kulkowe Zwykłe
22,00 zł
1 szt.
—
16
1601323023
Uchwyt Szczotek
15,00 zł
2 szt.
—
17
1604652013
Sprężyna Spiralna
9,00 zł
2 szt.
—
18
1602026057
Uchwyt Wyłącznika
9,00 zł
1 szt.
—
19
1604611026
Sprężyna Dociskowa
8,00 zł
1 szt.
—
20
1602319010
Zasuwa Nastawna
9,00 zł
1 szt.
—
25
1600508027
Pokrywa Obudowy
26,69 zł
1 szt.
—
26
1600206036
Pierścień Gumowy
9,00 zł
1 szt.
—
27
1600206025
Pierścień Gumowy
11,00 zł
1 szt.
—
29
1600591025
Pierścień Kier. Powietrza
12,00 zł
1 szt.
—
30
1600591014
Pierścień Kier. Powietrza
12,00 zł
1 szt.
—
31
1601290007
Sprężyna Napinająca
11,07 zł
1 szt.
—
32
1607000D6A
Trzpień Ścierający
31,00 zł
1 szt.
—
33
3600210124
Pierścień Samouszczeln.
13,00 zł
1 szt.
—
35
1600136013
Podkładka Regulacyjna
12,00 zł
1 szt.
—
38
1606333616
Koło Talerzowe
Zapytaj
1 szt.
—
39
1606333617
Koło Zębate Stożkowe
Zapytaj
1 szt.
—
40
1600119011
UCHWYT
11,00 zł
1 szt.
—
41
1600910018
Tuleja Igłowa
21,00 zł
1 szt.
—
45
1603300016
Nakrętka Sześciokątna
9,00 zł
1 szt.
—
47
2912401018
Wkręt Do Blach
8,00 zł
1 szt.
—
48
2912401005
Wkręt Do Blach
8,00 zł
2 szt.
—
49
1603435026
Śruba Do Gwint. Bezwiórk.
9,00 zł
4 szt.
—
50
2912401420
Wkręt Do Blach
8,00 zł
1 szt.
—
51
1607233116
Regulator Prędk. Obrotow.
Zapytaj
1 szt.
—
55
1603415005
Wkręt Soczewkowy
Zapytaj
4 szt.
—
80
1619P09390
Pierścień Zakrywający
11,00 zł
1 szt.
—
104
1600210044
Pierścień Samouszczeln.
8,00 zł
1 szt.
—
105
1601008005
Płyta Izolacyjna
21,00 zł
2 szt.
—
3/50
1606610129
Wentylator
11,00 zł
1 szt.
—
751
2605510101
Kołpak Ochronny
Zapytaj
1 szt.
—
803
1604010640
Twornik Z Wentylatorem
244,00 zł
1 szt.
—
805
1607000227
Przewód Zasil. Sieciowy
92,00 zł
1 szt.
—
808
160111A3HC
Tabliczka Znamionowa
13,00 zł
1 szt.
—
810
1607014176
Zestaw Szczotek Węglowych
39,00 zł
1 szt.
—
821
1605806465
Obudowa Przekładni
153,00 zł
1 szt.
—
828
1605805079
Kołnierz Łożyskowy
66,00 zł
1 szt.
—
650/20
1603340040
NAKRĘTKA MOCUJACA
Zapytaj
1 szt.
—
750/10
160202509T
Uchwyt Dodatkowy
11,07 zł
1 szt.
—
750/30
1607950043
KLUCZ DWUCZOPOWY
Zapytaj
1 szt.
—
750/50
1605703099
Kołnierz Przyjmujący
Zapytaj
1 szt.
—
821/010
1607000253
Przycisk Guzikowy
11,00 zł
1 szt.
—
650/50/20
1600210039
Pierścień Samouszczeln.
11,00 zł
1 szt.
—