Części
Maszyny
Kontakt
Home
Maszyny
Szlifierka kątowa
Bosch
SZLIFIERKA KĄTOWA ----
0601327003 -
SZLIFIERKA KĄTOWA Bosch ----
100%
Poz:
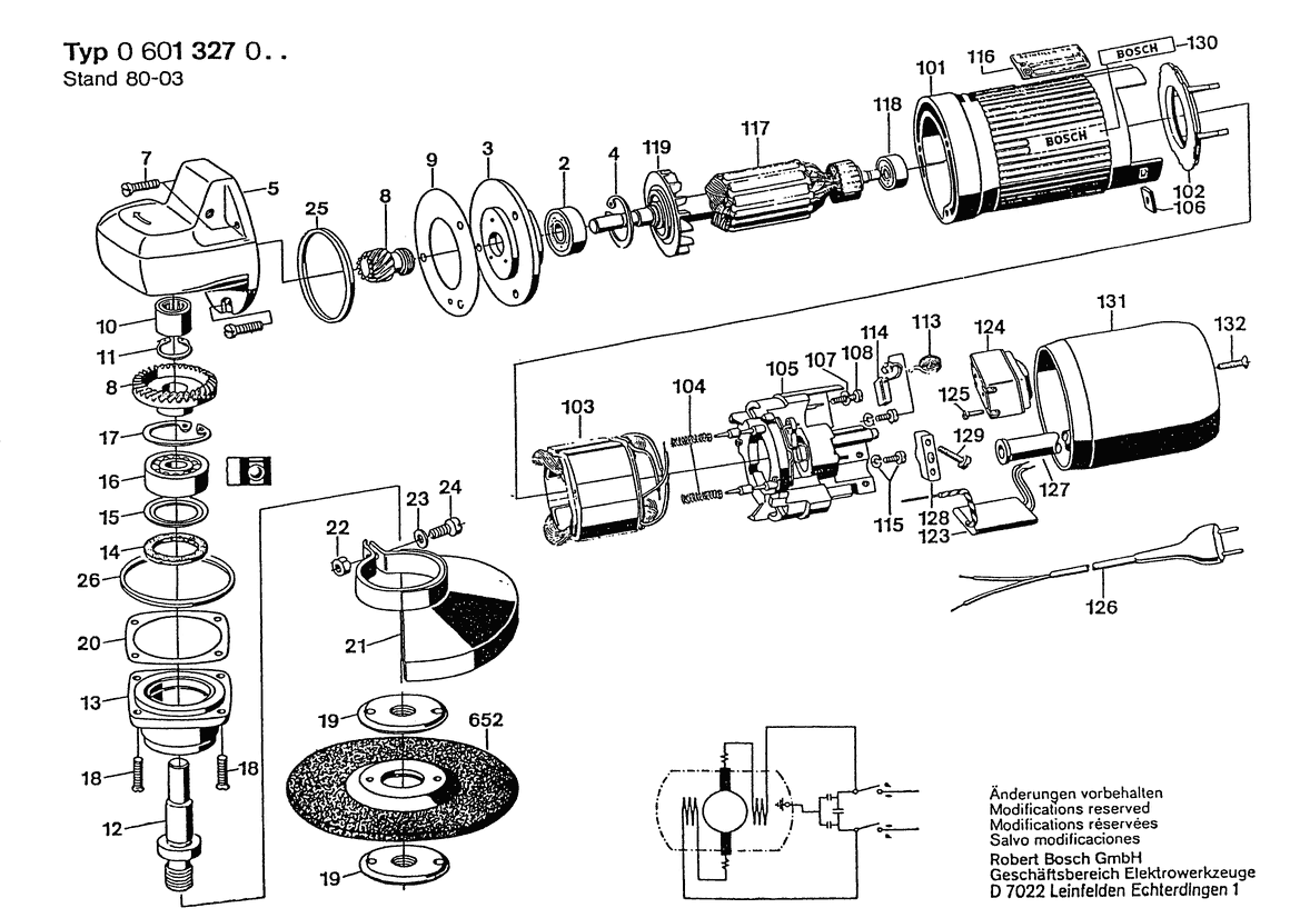
2
3
4
5
7
8
9
10
11
12
13
15
16
17
18
19
20
21
22
23
24
25
26
101
102
103
104
105
106
107
108
113
114
115
117
118
119
123
124
125
127
128
129
130
131
132
652
888
48 części
Sortuj
Poz.
Nr kat.
Nazwa
Cena brutto
Ilość
Zamów
2
2600905007
Łożysko Kulkowe Zwykłe
Zapytaj
1 szt.
—
3
2605700918
Kołnierz Pośredni
Zapytaj
1 szt.
—
4
2916660010
Pierścień Zabezpieczajacy
8,00 zł
1 szt.
—
5
2605806968
Obudowa Przekładni
Zapytaj
1 szt.
—
7
2910021126
Śruba Z Łbem Walcowym
8,00 zł
2 szt.
—
8
2607016015
ZESPÓL KÓŁ ZĘBATYCH
Zapytaj
1 szt.
—
9
2600134002
Podkładka Regulacyjna
Zapytaj
3 szt.
—
10
1600910009
Tuleja Igłowa
Zapytaj
1 szt.
—
11
1600119001
Pierścień Zabezpieczajacy
Zapytaj
1 szt.
—
12
1603523065
Trzpień Ścierający
Zapytaj
1 szt.
—
13
2605820900
Łożysko Kołnierzowe
Zapytaj
1 szt.
—
15
2600500033
Podkładka
11,00 zł
1 szt.
—
16
1600905006
Łożysko Kulkowe Zwykłe
44,00 zł
1 szt.
—
17
2916660013
UCHWYT
11,00 zł
1 szt.
—
18
2910501125
Wkręt Z Łbem Stożk. Płas.
Zapytaj
4 szt.
—
19
2603340013
Nakrętka Okrągła
Zapytaj
1 szt.
—
20
2600136002
Podkładka Regulacyjna
Zapytaj
2 szt.
—
21
2605510002
Wyłącznik Przechylny
Zapytaj
1 szt.
—
22
2915011006
Nakrętka Sześciokątna
Zapytaj
1 szt.
—
23
2916011011
Podkładka
9,00 zł
1 szt.
—
24
2910011152
Śruba Z Łbem Walcowym
4,06 zł
1 szt.
—
25
2600210003
Pierścień Samouszczeln.
12,00 zł
1 szt.
—
26
2600210002
Pierścień Samouszczeln.
Zapytaj
1 szt.
—
101
2607010003
Obudowa Przekładni
Zapytaj
1 szt.
—
102
2600522009
Pierścień Zakrywający
Zapytaj
1 szt.
—
103
2604220404
Stojan
Zapytaj
1 szt.
—
104
2604611024
Sprężyna Dociskowa
11,00 zł
4 szt.
—
105
2607010004
Łożysko Komutatora
Zapytaj
1 szt.
—
106
2603320001
Nakrętka Czworokątna
9,00 zł
2 szt.
—
107
2910021125
Śruba Z Łbem Walcowym
8,00 zł
2 szt.
—
108
2916690003
Pierścień Sprężysty
8,00 zł
2 szt.
—
113
2604652000
Sprężyna Spiralna
Zapytaj
2 szt.
—
114
2604320902
Zestaw Szczotek Węglowych
Zapytaj
1 szt.
—
115
2603410010
Śruba Z Łbem Walcowym
Zapytaj
2 szt.
—
117
2604010551
Twornik
Zapytaj
1 szt.
—
118
1900905019
Łożysko Kulkowe Zwykłe
54,00 zł
1 szt.
—
119
2606610013
OPASKA ZACISKAJĄCA
Zapytaj
1 szt.
—
123
2607329056
Kondensator Przeciwzakł.
Zapytaj
1 szt.
—
124
2607200048
Przeł. Wejścia/Wyjścia
Zapytaj
1 szt.
—
125
2603410023
Śruba Z Łbem Walcowym
Zapytaj
4 szt.
—
127
2600703011
Końcówka
13,00 zł
1 szt.
—
128
2601035001
Uchwyt Przewodu
9,00 zł
1 szt.
—
129
2910211019
Wkręt Do Blach
8,00 zł
2 szt.
—
130
1601110013
Tabliczka Firmy
Zapytaj
2 szt.
—
131
2600508028
Pokrywa Obudowy
Zapytaj
1 szt.
—
132
2910601020
Blachowkręt Z Łbem Stożk.
Zapytaj
1 szt.
—
652
2608601005
Podkładka nośna
Zapytaj
1 szt.
—
888
160111A3H3
Tabliczka Znamionowa
12,00 zł
1 szt.
—