Części
Maszyny
Kontakt
Home
Maszyny
Szlifierka kątowa
Bosch
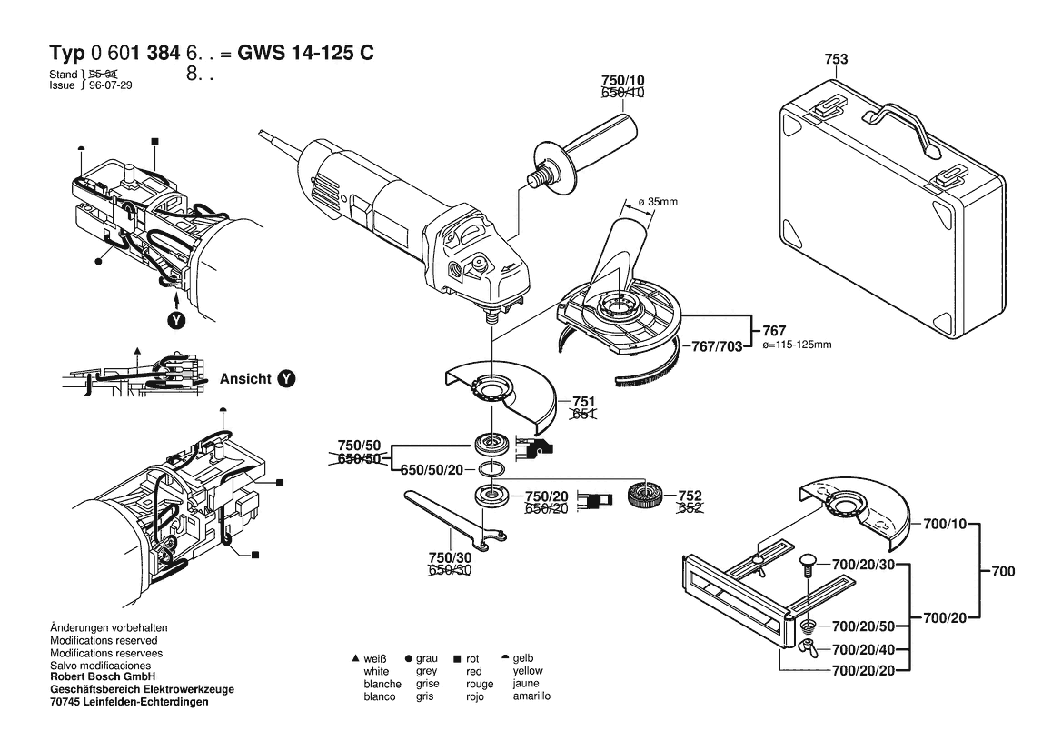
SZLIFIERKA KĄTOWA GWS 14-125 C
0601384603 -
SZLIFIERKA KĄTOWA Bosch GWS 14-125 C
100%
Poz:
1
2
4
6
7
9
13
14
16
17
18
19
20
21
25
26
27
29
30
31
32
33
35
37
40
41
45
47
49
50
51
52
55
56
57
80
104
3/50
700
751
752
753
767
803
805
808
810
828
838
852
700/10
700/20
750/10
750/20
750/30
750/50
767/703
821/010
650/50/20
700/20/30
700/20/40
700/20/50
62 części
Sortuj
Poz.
Nr kat.
Nazwa
Cena brutto
Ilość
Zamów
1
1605108162
Kadłub Silnika
Zapytaj
1 szt.
—
2
1607000F0S
Stojan
126,00 zł
1 szt.
—
4
1607200115
Wyłącznik
Zapytaj
1 szt.
—
6
1600703030
Końcówka
12,00 zł
1 szt.
—
7
1601302017
Zacisk Mocujący
8,00 zł
1 szt.
—
9
1601118169
Tabliczka Firmy
Zapytaj
1 szt.
—
13
2600905032
Łożysko Kulkowe
21,00 zł
1 szt.
—
14
1600905011
Łożysko Kulkowe Zwykłe
22,00 zł
1 szt.
—
16
1604336031
Uchwyt Szczotek
Zapytaj
1 szt.
—
17
1604652013
Sprężyna Spiralna
9,00 zł
2 szt.
—
18
1602319013
Dźwignia Wyłącznika
Zapytaj
1 szt.
—
19
1604611024
Sprężyna Dociskowa
9,00 zł
1 szt.
—
20
1602319007
Przyc. Dźw. Zmiany Bieg.
8,00 zł
1 szt.
—
21
1605806451
Obudowa Przekładni
117,00 zł
1 szt.
—
25
1605500175
Pokrywa Obudowy
Zapytaj
1 szt.
—
26
1600206036
Pierścień Gumowy
9,00 zł
1 szt.
—
27
1600206025
Pierścień Gumowy
11,00 zł
1 szt.
—
29
1600591013
Pierścień Kier. Powietrza
Zapytaj
1 szt.
—
30
1600591014
Pierścień Kier. Powietrza
12,00 zł
1 szt.
—
31
1601290007
Sprężyna Napinająca
11,07 zł
1 szt.
—
32
1607000D6A
Trzpień Ścierający
31,00 zł
1 szt.
—
33
3600210124
Pierścień Samouszczeln.
13,00 zł
1 szt.
—
35
1600136013
Podkładka Regulacyjna
12,00 zł
1 szt.
—
37
1600290016
PIERŚCIEN USZCZELNIAJĄCY
12,00 zł
1 szt.
—
40
1600119011
UCHWYT
11,00 zł
1 szt.
—
41
1600910018
Tuleja Igłowa
21,00 zł
1 szt.
—
45
1603300016
Nakrętka Sześciokątna
9,00 zł
1 szt.
—
47
2912401018
Wkręt Do Blach
8,00 zł
1 szt.
—
49
1603435026
Śruba Do Gwint. Bezwiórk.
9,00 zł
4 szt.
—
50
1603435037
Plastyk. Śruba Samogwint.
8,00 zł
2 szt.
—
51
1607000281
Regulator Prędk. Obrotow.
Zapytaj
1 szt.
—
52
1609270562
Przewodnik Światła
36,00 zł
1 szt.
—
55
1603415005
Wkręt Soczewkowy
Zapytaj
4 szt.
—
56
1603435044
Plastyk. Śruba Samogwint.
Zapytaj
2 szt.
—
57
1603429002
Śruba Z Łbem Walcowym
4,06 zł
2 szt.
—
80
1619P09390
Pierścień Zakrywający
11,00 zł
1 szt.
—
104
1600210044
Pierścień Samouszczeln.
8,00 zł
1 szt.
—
3/50
1606610132
Wentylator
11,00 zł
1 szt.
—
700
2607001188
Zestaw Części
Zapytaj
1 szt.
—
751
2605510104
Kołpak Ochronny
Zapytaj
1 szt.
—
752
1600A016PP
NAKRĘTKA SZYBKOMOMOCUJĄCA
126,00 zł
1 szt.
—
753
1605438089
Skrzynka Do Noszenia
Zapytaj
1 szt.
—
767
2605510107
KOŁPAK ODSYSANIA
Zapytaj
1 szt.
—
803
1604010445
Twornik Z Wentylatorem
Zapytaj
1 szt.
—
805
1607000228
Przewód Zasil. Sieciowy
59,00 zł
1 szt.
—
808
160111A3H3
Tabliczka Znamionowa
12,00 zł
1 szt.
—
810
1607000499
Zestaw Szczotek Węglowych
Zapytaj
1 szt.
—
828
1605805079
Kołnierz Łożyskowy
66,00 zł
1 szt.
—
838
1607000D4Y
PRZEKŁADNIA
53,26 zł
1 szt.
—
852
1607000278
Przewodnik Światła
Zapytaj
1 szt.
—
700/10
2605510101
Kołpak Ochronny
Zapytaj
1 szt.
—
700/20
1608135004
Sanie Prowadzące
Zapytaj
1 szt.
—
750/10
160202509T
Uchwyt Dodatkowy
11,07 zł
1 szt.
—
750/20
1603340040
NAKRĘTKA MOCUJACA
Zapytaj
1 szt.
—
750/30
1607950043
KLUCZ DWUCZOPOWY
Zapytaj
1 szt.
—
750/50
1605703099
Kołnierz Przyjmujący
Zapytaj
1 szt.
—
767/703
2605730036
Szczotka
Zapytaj
1 szt.
—
821/010
1607000253
Przycisk Guzikowy
11,00 zł
1 szt.
—
650/50/20
1600210039
Pierścień Samouszczeln.
11,00 zł
1 szt.
—
700/20/30
2910281158
Śruba Okrągła Płaska
Zapytaj
1 szt.
—
700/20/40
2915191105
Nakrętka Skrzydełkowa
Zapytaj
1 szt.
—
700/20/50
1604643004
Sprężyna Dociskowa
Zapytaj
1 szt.
—