Części
Maszyny
Kontakt
Home
Maszyny
Szlifierka kątowa
Bosch
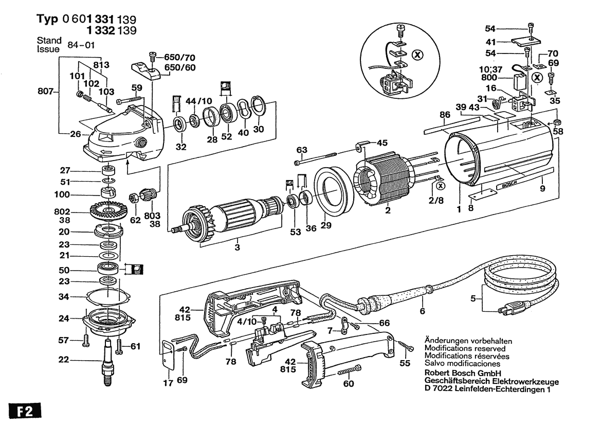
SZLIFIERKA KĄTOWA 0601332139
0601332139 -
SZLIFIERKA KĄTOWA Bosch 0601332139
100%
Poz:
1
2
3
4
5
6
7
8
9
16
17
20
21
22
23
24
27
2/8
28
29
30
31
32
34
35
36
39
40
41
43
45
50
51
52
53
54
55
57
58
59
60
61
62
63
66
69
70
78
86
100
702
703
800
802
803
807
813
815
44/10
650/10
650/60
650/70
702/20
702/30
702/40
702/50
703/11
67 części
Sortuj
Poz.
Nr kat.
Nazwa
Cena brutto
Ilość
Zamów
1
1605108124
Kadłub Silnika
Zapytaj
1 szt.
—
2
1604220247
Stojan
623,00 zł
1 szt.
3
1604012046
Twornik
Zapytaj
1 szt.
—
4
1607200064
Wyłącznik
132,84 zł
1 szt.
5
1604460092
Przewód Zasil. Sieciowy
59,53 zł
1 szt.
6
3600703011
Końcówka
8,36 zł
1 szt.
7
1601302014
Zacisk Mocujący
5,29 zł
1 szt.
8
160111A3H3
Tabliczka Znamionowa
8,36 zł
1 szt.
9
1601110003
Tabliczka Firmy
Zapytaj
1 szt.
—
16
1604336008
Uchwyt Szczotek
67,65 zł
2 szt.
17
1601037006
Płyta Osłaniająca
Zapytaj
1 szt.
—
20
1605808054
Pokrywa Łożyska
Zapytaj
1 szt.
—
21
1600102012
Pierścień Zakrywający
Zapytaj
1 szt.
—
22
1603523091
Trzpień Ścierający
Zapytaj
2 szt.
—
23
1600108055
Uszczelka
4,06 zł
2 szt.
24
1607000229
Grupa Części Zamiennych
Zapytaj
1 szt.
—
27
1600910010
Tuleja Igłowa
145,39 zł
1 szt.
2/8
1901350003
Końcówka Kablowa
4,06 zł
2 szt.
28
1600206019
Pierścień Mocujący
Zapytaj
1 szt.
—
29
1600502013
Tarcza Kierująca
Zapytaj
1 szt.
—
30
1600119004
Pierścień Zabezpieczajacy
9,59 zł
1 szt.
31
1604652015
Sprężyna Spiralna
5,29 zł
2 szt.
32
1600290008
PIERŚCIEN USZCZELNIAJĄCY
8,36 zł
1 szt.
34
1600190004
Podkładka Regulacyjna
Zapytaj
1 szt.
—
35
1601030022
Blacha Zabezpieczająca
5,29 zł
2 szt.
36
1600206015
Pierścień Gumowy
7,13 zł
1 szt.
39
1601110358
Tabliczka Informacyjna
5,41 zł
1 szt.
40
1600150009
Podkładka Sprężysta
9,59 zł
1 szt.
41
1605500089
Pokrywa Zamykająca
Zapytaj
2 szt.
—
43
1601110058
Tabliczka Informacyjna
5,29 zł
1 szt.
45
1601331032
Wspornik
Zapytaj
2 szt.
—
50
1900905227
Łożysko Kulkowe Zwykłe
Zapytaj
1 szt.
—
51
2916620011
Pierścień Sprężysty
5,29 zł
1 szt.
52
1900900413
Łożysko Kulkowe Zwykłe
Zapytaj
1 szt.
—
53
1600900029
Łożysko Kulkowe Zwykłe
Zapytaj
1 szt.
—
54
2910021118
Śruba Z Łbem Walcowym
4,06 zł
4 szt.
55
2910211021
Wkręt Do Blach
4,06 zł
3 szt.
57
2910011157
Śruba Z Łbem Walcowym
Zapytaj
4 szt.
—
58
2915011005
Nakrętka Sześciokątna
4,06 zł
2 szt.
59
3603415560
Śruba
4,06 zł
4 szt.
60
2910211036
Wkręt Do Blach
4,06 zł
4 szt.
61
2910011162
Śruba Z Łbem Walcowym
4,06 zł
3 szt.
62
1603300009
Nakrętka Sześciokątna
5,29 zł
1 szt.
63
1603429001
Wkręt Do Blach
Zapytaj
2 szt.
—
66
2910021116
Śruba Z Łbem Walcowym
7,26 zł
2 szt.
69
2910211011
Wkręt Do Blach
4,06 zł
3 szt.
70
1611331007
Blacha Zabezpieczająca
Zapytaj
2 szt.
—
78
3604477009
Tuleja Końcowa Żyły
5,29 zł
2 szt.
86
1601110073
Tabliczka Naklejana
Zapytaj
1 szt.
—
100
1600390010
Uszczelka
Zapytaj
1 szt.
—
702
1605510180
Kołpak Ochronny
Zapytaj
1 szt.
—
703
1607000140
Zestaw Części
Zapytaj
1 szt.
—
800
1607014103
Zestaw Szczotek Węglowych
48,83 zł
1 szt.
802
1606333208
Koło Talerzowe
Zapytaj
1 szt.
—
803
1606333207
Koło Zębate Stożkowe
Zapytaj
1 szt.
—
807
1607000904
Zestaw Części
Zapytaj
1 szt.
—
813
1607000161
Zestaw Części
Zapytaj
1 szt.
—
815
1605132083
Rękojeść
Zapytaj
1 szt.
—
44/10
1600120070
TARCZA
Zapytaj
1 szt.
—
650/10
160202509Z
Uchwyt Dodatkowy
53,26 zł
1 szt.
650/60
1608039008
LISTWA
Zapytaj
1 szt.
—
650/70
2910021196
Śruba Z Łbem Walcowym
Zapytaj
2 szt.
—
702/20
1600309009
Króciec Łączący
Zapytaj
1 szt.
—
702/30
2915191007
Nakrętka Skrzydełkowa
11,07 zł
1 szt.
702/40
2916011016
Podkładka
4,06 zł
1 szt.
702/50
2910141240
Śr.Z Łb.Okr.O Gnieź.Sześ.
Zapytaj
1 szt.
—
703/11
2603450007
Śruba Z Łbem Sześciokątn.
18,08 zł
2 szt.