Części
Maszyny
Kontakt
Home
Maszyny
Szlifierka kątowa
Bosch
SZLIFIERKA KĄTOWA Winkelschleifer
0601332461 -
SZLIFIERKA KĄTOWA Bosch Winkelschleifer
100%
Poz:
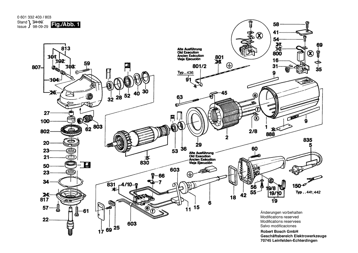
1
2
6
9
11
16
17
18
20
21
22
23
27
2/8
28
29
30
31
32
34
35
36
40
4/1
41
45
50
5/2
52
53
54
57
58
59
60
61
62
63
69
7/1
100
105
150
151
3/60
702
703
78/1
800
802
803
807
813
817
828
830
842
888
19/10
650/14
702/10
702/11
702/20
703/11
64 części
Sortuj
Poz.
Nr kat.
Nazwa
Cena brutto
Ilość
Zamów
1
1605108124
Kadłub Silnika
Zapytaj
1 szt.
—
2
1604220248
Stojan
Zapytaj
1 szt.
—
6
3600703011
Końcówka
13,00 zł
1 szt.
—
9
1601110003
Tabliczka Firmy
Zapytaj
2 szt.
—
11
1607328034
Filtr Przeciwzakłóceniowy
17,00 zł
1 szt.
—
16
1604336008
Uchwyt Szczotek
74,00 zł
2 szt.
—
17
1601037006
Płyta Osłaniająca
Zapytaj
1 szt.
—
18
1601014005
Wstęga Profilowa
Zapytaj
1 szt.
—
20
1605808054
Pokrywa Łożyska
Zapytaj
1 szt.
—
21
1600102012
Pierścień Zakrywający
Zapytaj
1 szt.
—
22
1603523090
Trzpień Ścierający
Zapytaj
1 szt.
—
23
1600108055
Uszczelka
8,00 zł
2 szt.
—
27
2600910001
Łożysko Igiełkowe
17,00 zł
1 szt.
—
2/8
1901350003
Końcówka Kablowa
8,00 zł
2 szt.
—
28
1600206028
Pierścień Gumowy
Zapytaj
1 szt.
—
29
1600502013
Tarcza Kierująca
Zapytaj
1 szt.
—
30
1600119004
Pierścień Zabezpieczajacy
13,00 zł
1 szt.
—
31
1604652015
Sprężyna Spiralna
13,00 zł
2 szt.
—
32
1600290008
PIERŚCIEN USZCZELNIAJĄCY
12,00 zł
1 szt.
—
34
1600190004
Podkładka Regulacyjna
Zapytaj
1 szt.
—
35
1601030022
Blacha Zabezpieczająca
9,00 zł
2 szt.
—
36
1600206015
Pierścień Gumowy
11,00 zł
1 szt.
—
40
1600150009
Podkładka Sprężysta
13,00 zł
1 szt.
—
4/1
1607200074
Wyłącznik
Zapytaj
1 szt.
—
41
1605500089
Pokrywa Zamykająca
Zapytaj
2 szt.
—
45
1601331032
Wspornik
Zapytaj
2 szt.
—
50
1900905227
Łożysko Kulkowe Zwykłe
Zapytaj
1 szt.
—
5/2
1604460126
Przewód Zasil. Sieciowy
49,00 zł
1 szt.
—
52
1600900028
Łożysko Kulkowe Zwykłe
44,53 zł
1 szt.
—
53
1600900029
Łożysko Kulkowe Zwykłe
Zapytaj
1 szt.
—
54
2910021118
Śruba Z Łbem Walcowym
8,00 zł
2 szt.
—
57
2910011157
Śruba Z Łbem Walcowym
Zapytaj
4 szt.
—
58
2910211020
Wkręt Do Blach
11,00 zł
2 szt.
—
59
3603415560
Śruba
8,00 zł
4 szt.
—
60
2910211036
Wkręt Do Blach
8,00 zł
4 szt.
—
61
2910011162
Śruba Z Łbem Walcowym
8,00 zł
3 szt.
—
62
1603300009
Nakrętka Sześciokątna
9,00 zł
1 szt.
—
63
1603429001
Wkręt Do Blach
Zapytaj
2 szt.
—
69
2910211011
Wkręt Do Blach
8,00 zł
3 szt.
—
7/1
1601302014
Zacisk Mocujący
9,00 zł
1 szt.
—
100
1600390011
Uszczelka
Zapytaj
1 szt.
—
105
1601110240
Tabliczka Informacyjna
Zapytaj
1 szt.
—
150
3604477009
Tuleja Końcowa Żyły
12,00 zł
2 szt.
—
151
1604700002
TAŚMA
Zapytaj
1 szt.
—
3/60
1606610124
Wentylator
11,19 zł
1 szt.
—
702
1600309009
Króciec Łączący
Zapytaj
1 szt.
—
703
1607000140
Zestaw Części
Zapytaj
1 szt.
—
78/1
1600452001
Tuleja Końcowa Żyły
Zapytaj
2 szt.
—
800
1607014103
Zestaw Szczotek Węglowych
54,00 zł
1 szt.
—
802
1606333208
Koło Talerzowe
Zapytaj
1 szt.
—
803
1606333207
Koło Zębate Stożkowe
Zapytaj
1 szt.
—
807
1607000913
Zestaw Części
Zapytaj
1 szt.
—
813
1607000161
Zestaw Części
Zapytaj
1 szt.
—
817
1607000229
Grupa Części Zamiennych
Zapytaj
1 szt.
—
828
1600206019
Pierścień Mocujący
Zapytaj
1 szt.
—
830
1604012047
Twornik
Zapytaj
1 szt.
—
842
1607000187
Zestaw Części
54,00 zł
1 szt.
—
888
160111A3H3
Tabliczka Znamionowa
12,00 zł
1 szt.
—
19/10
1600205019
Pierścień Filcowy
9,00 zł
1 szt.
—
650/14
1907950007
Śrubokręt Przegubowy
21,00 zł
1 szt.
—
702/10
2915191007
Nakrętka Skrzydełkowa
15,00 zł
1 szt.
—
702/11
2916011016
Podkładka
8,00 zł
1 szt.
—
702/20
2910141240
Śr.Z Łb.Okr.O Gnieź.Sześ.
Zapytaj
1 szt.
—
703/11
2603450007
Śruba Z Łbem Sześciokątn.
22,00 zł
2 szt.
—