Części
Maszyny
Kontakt
Home
Maszyny
Szlifierka kątowa
Bosch
SZLIFIERKA KĄTOWA GWS 15-125 CIT
3601G97040 -
SZLIFIERKA KĄTOWA Bosch GWS 15-125 CIT
100%
Poz:
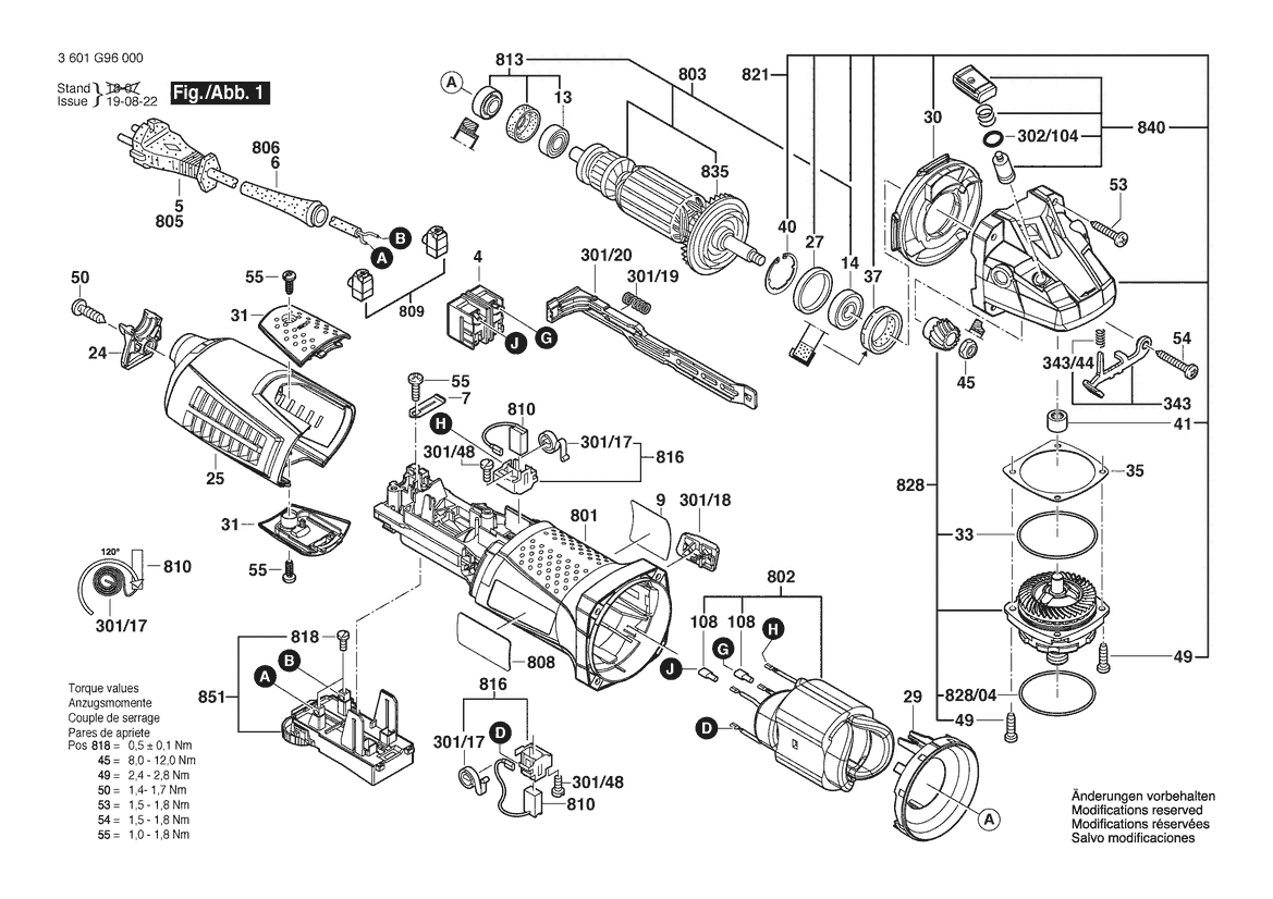
4
5
6
7
9
13
14
24
25
27
29
30
31
33
35
37
40
41
45
49
50
53
54
55
108
343
651
801
802
803
808
809
810
813
816
818
821
828
835
840
851
891
896
650/1
650/2
650/3
650/5
301/17
301/18
301/19
301/20
301/48
343/44
650/5/2
828/04
302/104
56 części
Sortuj
Poz.
Nr kat.
Nazwa
Cena brutto
Ilość
Zamów
4
160720035A
Wyłącznik
39,00 zł
1 szt.
—
5
2604460199
Przewód Zasil. Sieciowy
49,00 zł
1 szt.
—
6
1600703043
Końcówka
12,00 zł
1 szt.
—
7
1601302017
Zacisk Mocujący
8,00 zł
1 szt.
—
9
1601118L06
Tabliczka Firmy
12,00 zł
1 szt.
—
13
2600905032
Łożysko Kulkowe
21,00 zł
1 szt.
—
14
1600905032
Łożysko Kulkowe Zwykłe
22,00 zł
1 szt.
—
24
1605500275
Pokrywa
13,00 zł
1 szt.
—
25
1605500276
Pokrywa Obudowy
25,00 zł
1 szt.
—
27
1600206025
Pierścień Gumowy
11,00 zł
1 szt.
—
29
1600591047
Pierścień Kier. Powietrza
11,00 zł
1 szt.
—
30
1600591048
Rozdzielacz Powietrza
12,00 zł
1 szt.
—
31
1600A01M0M
Pokrywa Szczotki
11,07 zł
2 szt.
—
33
1600210035
Pierścień Samouszczeln.
9,00 zł
1 szt.
—
35
1600136013
Podkładka Regulacyjna
12,00 zł
1 szt.
—
37
1600290016
PIERŚCIEN USZCZELNIAJĄCY
12,00 zł
1 szt.
—
40
1600119011
UCHWYT
11,00 zł
1 szt.
—
41
1600200029
Łożysko Ślizgowe
15,00 zł
1 szt.
—
45
1603300016
Nakrętka Sześciokątna
9,00 zł
1 szt.
—
49
160343508X
Śruba Do Gwint. Bezwiórk.
8,00 zł
4 szt.
—
50
2603490023
Wkręt Soczewkowy Torx
8,00 zł
1 szt.
—
53
1603435078
Wkręt Soczewkowy Torx
8,00 zł
3 szt.
—
54
1603414026
Wkręt Soczewkowy Torx
8,00 zł
1 szt.
—
55
2603490021
Wkręt Soczewkowy Torx
8,00 zł
3 szt.
—
108
1600712030
Część Izolowana
9,00 zł
2 szt.
—
343
1607000742
DŹWIGNIA USTALAJĄCA
31,00 zł
1 szt.
—
651
1600A025XR
Kołpak Ochronny
36,00 zł
1 szt.
—
801
1607000CY2
Kadłub Silnika
54,00 zł
1 szt.
—
802
1604220532
Stojan
92,00 zł
1 szt.
—
803
1607000V36
Twornik Z Wentylatorem
261,00 zł
1 szt.
—
808
160111A3HH
Tabliczka Znamionowa
12,00 zł
1 szt.
—
809
1607000D9C
Uszczelka
5,29 zł
1 szt.
—
810
1607000V37
Zestaw Szczotek Węglowych
44,00 zł
1 szt.
—
813
1607000V38
Łożysko Kulkowe Zwykłe
31,00 zł
1 szt.
—
816
1607000V43
Uchwyt Szczotek
15,00 zł
2 szt.
—
818
1607000V42
Śruba Z Łbem Płaskim
8,00 zł
1 szt.
—
821
1607000V40
Obudowa Przekładni
92,00 zł
1 szt.
—
828
1607000D63
Kołnierz Łożyskowy
105,00 zł
1 szt.
—
835
1606610132
Wentylator
11,00 zł
1 szt.
—
840
1607000V41
Przycisk Guzikowy
17,00 zł
1 szt.
—
851
1607000DA2
Regulator Prędk. Obrotow.
198,00 zł
1 szt.
—
891
160202509T
Uchwyt Dodatkowy
11,07 zł
1 szt.
—
896
1600A016PP
NAKRĘTKA SZYBKOMOMOCUJĄCA
126,00 zł
1 szt.
—
650/1
16020250A0
Uchwyt Dodatkowy
33,83 zł
1 szt.
—
650/2
1603345043
Nakrętka Okrągła
31,00 zł
1 szt.
—
650/3
1607950052
KLUCZ DWUCZOPOWY
15,00 zł
1 szt.
—
650/5
2605703014
Kołnierz Mocujący
22,00 zł
1 szt.
—
301/17
1604652021
Sprężyna Spiralna
8,00 zł
2 szt.
—
301/18
1602026091
Uchwyt Wyłącznika
8,00 zł
1 szt.
—
301/19
1604611031
Sprężyna Dociskowa
12,00 zł
1 szt.
—
301/20
1602319026
Zasuwa Nastawna
9,00 zł
1 szt.
—
301/48
1613435034
Wkręt O Socz. Łbie Stożk.
8,00 zł
2 szt.
—
343/44
1604611042
Sprężyna Dociskowa
9,00 zł
1 szt.
—
650/5/2
1600210039
Pierścień Samouszczeln.
11,00 zł
1 szt.
—
828/04
3600210109
Pierścień Samouszczeln.
11,00 zł
1 szt.
—
302/104
1600210044
Pierścień Samouszczeln.
8,00 zł
1 szt.
—