Części
Maszyny
Kontakt
Home
Maszyny
Szlifierka kątowa
Bosch
SZLIFIERKA KĄTOWA UW-WINKELSCHLEI
0601331047 -
SZLIFIERKA KĄTOWA Bosch UW-WINKELSCHLEI
100%
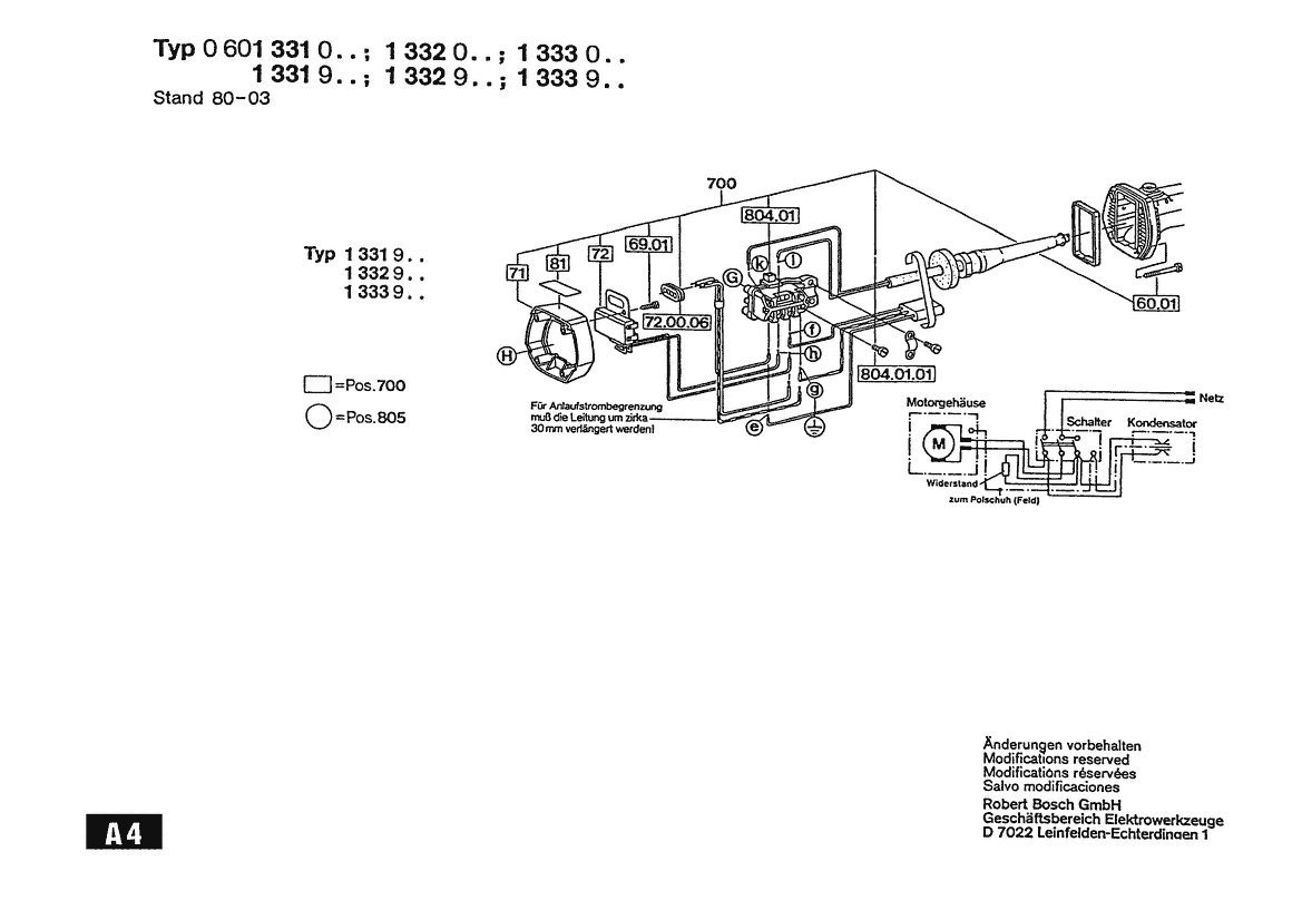
Poz:
1
2
5
6
7
11
15
16
17
18
19
20
21
22
23
25
26
27
28
29
30
31
32
34
35
36
40
41
42
43
44
45
50
51
52
53
54
55
56
57
58
59
60
61
62
63
66
650
651
652
653
654
655
656
660
700
702
703
712
800
801
802
803
804
805
806
817
888
2/00/08
801/020
817/029
71 części
Sortuj
Poz.
Nr kat.
Nazwa
Cena brutto
Ilość
Zamów
1
1605108124
Kadłub Silnika
Zapytaj
1 szt.
—
2
1604220246
Stojan
536,28 zł
1 szt.
5
1604460079
Przewód Zasil. Sieciowy
Zapytaj
1 szt.
—
6
1600703009
Końcówka
16,85 zł
1 szt.
7
1601302013
Zacisk Mocujący
5,29 zł
1 szt.
11
1607328034
Filtr Przeciwzakłóceniowy
13,65 zł
1 szt.
15
1600113002
Uszczelka
5,29 zł
1 szt.
16
1604336008
Uchwyt Szczotek
67,65 zł
2 szt.
17
1601037006
Płyta Osłaniająca
Zapytaj
1 szt.
—
18
1601014005
Wstęga Profilowa
Zapytaj
1 szt.
—
19
1602026041
Dźwignia Zmiany Biegów
Zapytaj
1 szt.
—
20
1605808054
Pokrywa Łożyska
Zapytaj
1 szt.
—
21
1600102012
Pierścień Zakrywający
Zapytaj
1 szt.
—
22
1603523032
Trzpień Ścierający
110,33 zł
1 szt.
23
1600108055
Uszczelka
4,06 zł
2 szt.
25
1600306001
Końcówka
8,36 zł
1 szt.
26
1605806394
Obudowa Przekładni
Zapytaj
1 szt.
—
27
1600910010
Tuleja Igłowa
145,39 zł
1 szt.
28
1600206019
Pierścień Mocujący
Zapytaj
1 szt.
—
29
1600502013
Tarcza Kierująca
Zapytaj
1 szt.
—
30
1600119004
Pierścień Zabezpieczajacy
9,59 zł
1 szt.
31
1604652015
Sprężyna Spiralna
5,29 zł
2 szt.
32
1600290008
PIERŚCIEN USZCZELNIAJĄCY
8,36 zł
1 szt.
34
1600190004
Podkładka Regulacyjna
Zapytaj
1 szt.
—
35
1601030022
Blacha Zabezpieczająca
5,29 zł
2 szt.
36
1600502006
Tuleja Gumowa
Zapytaj
1 szt.
—
40
1600150009
Podkładka Sprężysta
9,59 zł
1 szt.
41
1605500089
Pokrywa Zamykająca
Zapytaj
2 szt.
—
42
1605132079
Rękojeść
Zapytaj
1 szt.
—
43
1601110058
Tabliczka Informacyjna
5,29 zł
1 szt.
44
1600120070
TARCZA
Zapytaj
1 szt.
—
45
1601331032
Wspornik
Zapytaj
2 szt.
—
50
1900905227
Łożysko Kulkowe Zwykłe
Zapytaj
1 szt.
—
51
2916620011
Pierścień Sprężysty
5,29 zł
1 szt.
52
1900900413
Łożysko Kulkowe Zwykłe
Zapytaj
1 szt.
—
53
1600900029
Łożysko Kulkowe Zwykłe
Zapytaj
1 szt.
—
54
2910021118
Śruba Z Łbem Walcowym
4,06 zł
4 szt.
55
2910211006
Wkręt Do Blach
4,06 zł
2 szt.
56
2916011005
Podkładka
4,06 zł
2 szt.
57
2910011157
Śruba Z Łbem Walcowym
Zapytaj
4 szt.
—
58
2915011005
Nakrętka Sześciokątna
4,06 zł
2 szt.
59
3603415560
Śruba
4,06 zł
4 szt.
60
2910211036
Wkręt Do Blach
4,06 zł
4 szt.
61
2910011162
Śruba Z Łbem Walcowym
4,06 zł
3 szt.
62
1603300009
Nakrętka Sześciokątna
5,29 zł
1 szt.
63
1603429001
Wkręt Do Blach
Zapytaj
2 szt.
—
66
2910021122
Śruba Z Łbem Walcowym
4,06 zł
2 szt.
650
16020250A1
Uchwyt Dodatkowy
49,45 zł
1 szt.
651
2607950511
Klucz Szczękowy Jednostr.
13,65 zł
1 szt.
652
1605510176
Kołpak Ochronny
Zapytaj
1 szt.
—
653
2607950004
Śrubokręt Przegubowy
5,29 zł
1 szt.
654
2600501006
Kołnierz Przyjmujący
43,91 zł
1 szt.
655
2603345004
Nakrętka Okrągła
18,08 zł
1 szt.
656
1907950007
Śrubokręt Przegubowy
16,85 zł
1 szt.
660
2910281244
Śruba Okrągła Płaska
Zapytaj
2 szt.
—
700
1607000151
Zestaw Części
Zapytaj
1 szt.
—
702
1607000030
Zestaw Mocujący
Zapytaj
1 szt.
—
703
1607000140
Zestaw Części
Zapytaj
1 szt.
—
712
1607000176
Zestaw Części
Zapytaj
1 szt.
—
800
1607014103
Zestaw Szczotek Węglowych
48,83 zł
1 szt.
801
1604440004
PRZEWÓD ŁĄCZĄCY
Zapytaj
1 szt.
—
802
1606333210
Koło Talerzowe
Zapytaj
1 szt.
—
803
1606333209
Koło Zębate Stożkowe
Zapytaj
1 szt.
—
804
1607000034
Zestaw Wyłączników
Zapytaj
1 szt.
—
805
1607000060
Zestaw Uszczelek
Zapytaj
1 szt.
—
806
1604012045
Twornik
Zapytaj
1 szt.
—
817
1607000229
Grupa Części Zamiennych
Zapytaj
1 szt.
—
888
160111A3H3
Tabliczka Znamionowa
8,36 zł
1 szt.
2/00/08
1901350003
Końcówka Kablowa
4,06 zł
1 szt.
801/020
1601353003
Końcówka Kablowa
Zapytaj
1 szt.
—
817/029
1600210033
Pierścień Samouszczeln.
5,29 zł
1 szt.