Części
Maszyny
Kontakt
Home
Maszyny
Szlifierka delta
Bosch
SZLIFIERKA DELTA PDA 180 E
0603339738 -
SZLIFIERKA DELTA Bosch PDA 180 E
100%
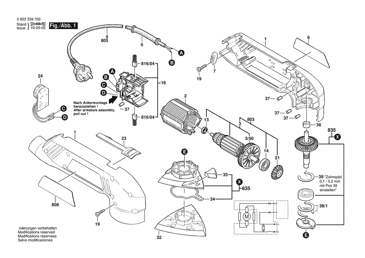
Poz:
1
2
3
5
6
7
9
13
14
16
19
21
23
24
32
33
34
36
37
38
180
3/50
38/1
803
808
835
816/04
27 części
Sortuj
Poz.
Nr kat.
Nazwa
Cena brutto
Ilość
Zamów
1
2605104651
Skorupa Obudowy
74,00 zł
1 szt.
—
2
2604220637
Stojan
Zapytaj
1 szt.
—
3
2604010963
Twornik
Zapytaj
1 szt.
—
5
2604460192
Przewód Zasil. Sieciowy
34,00 zł
1 szt.
—
6
2600703011
Końcówka
13,00 zł
1 szt.
—
7
1611035005
Uchwyt Przewodu
11,00 zł
1 szt.
—
9
2601117724
Tabliczka Firmy
Zapytaj
1 szt.
—
13
2600905046
Łożysko Kulkowe Zwykłe
39,00 zł
1 szt.
—
14
2600905080
Łożysko Kulkowe Zwykłe
17,00 zł
1 szt.
—
16
2604337079
Płytka Szczotkowa
84,00 zł
1 szt.
—
19
2603490022
Śruba
8,00 zł
10 szt.
—
21
2606333040
Zębnik
17,00 zł
1 szt.
—
23
2602319021
SUWAK PRZEŁĄCZNIKA
11,00 zł
1 szt.
—
24
2607233054
Nastawnik Prędk. Obrotow.
Zapytaj
1 szt.
—
32
2608000232
Płyta Zamykająca
39,00 zł
1 szt.
—
33
2608000173
Suwak Zapadkowy
13,00 zł
1 szt.
—
34
2604680000
Sprężyna Napinająca
13,00 zł
1 szt.
—
36
2600917002
Tuleja Igłowa
15,00 zł
1 szt.
—
37
2603100056
Guma Tłumiąca
5,29 zł
4 szt.
—
38
2600101088
Podkładka Regulacyjna
9,00 zł
1 szt.
—
180
3601119137
TABLICZKA OSTRZEGAWCZA
15,00 zł
1 szt.
—
3/50
2606610083
Wentylator
16,85 zł
1 szt.
—
38/1
2600101091
Podkładka Regulacyjna
11,00 zł
2 szt.
—
803
2604010960
Twornik
Zapytaj
1 szt.
—
808
2601119962
Tabliczka Firmy
Zapytaj
1 szt.
—
835
2601098902
UCHWYT NARZĘDZIA
84,00 zł
1 szt.
—
816/04
2607014010
Zestaw Szczotek Węglowych
Zapytaj
1 szt.
—