Części
Maszyny
Kontakt
Home
Maszyny
Stojak
Bosch
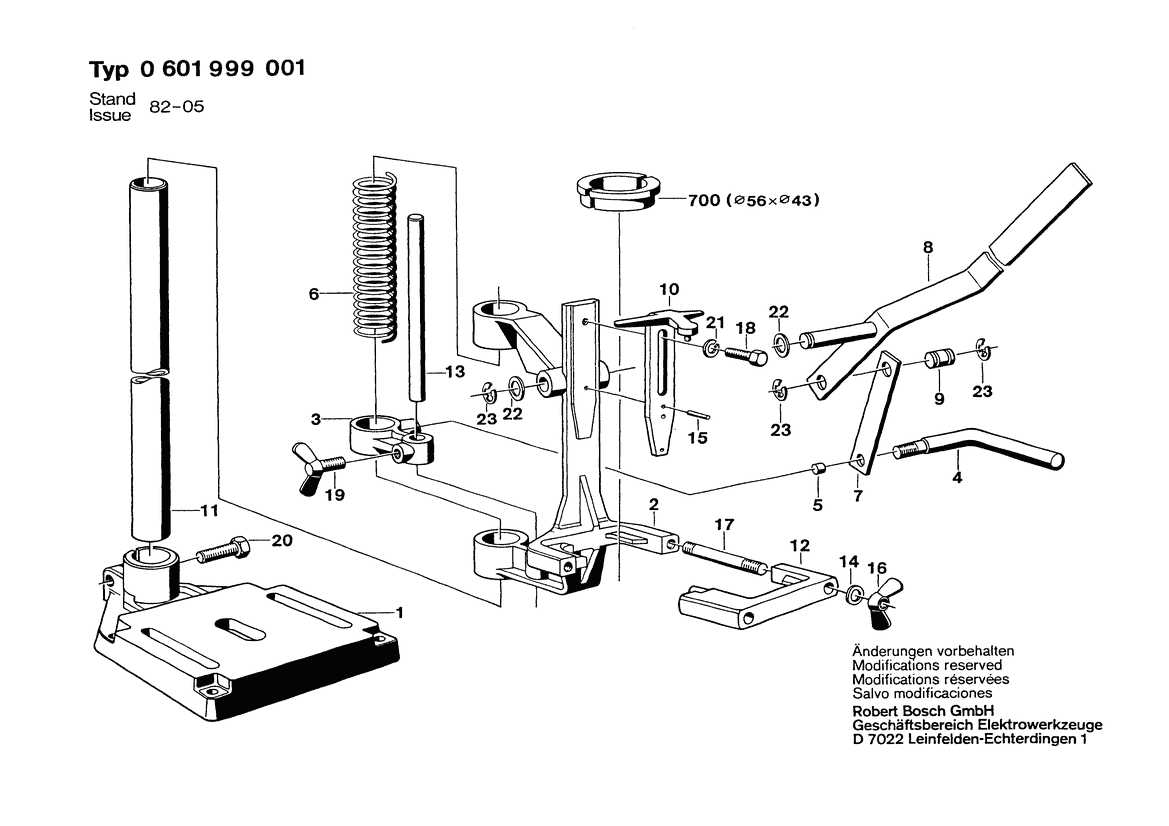
STOJAK GSB 1174BOHRST.
0601999001 -
STOJAK Bosch GSB 1174BOHRST.
100%
Poz:
1
2
3
4
5
6
7
8
9
10
11
12
13
14
15
16
17
18
19
20
21
22
23
700
24 części
Sortuj
Poz.
Nr kat.
Nazwa
Cena brutto
Ilość
Zamów
1
1608000011
Płyta Fundamentowa
Zapytaj
1 szt.
—
2
1608040090
Strzemiączko
Zapytaj
1 szt.
—
3
1608040016
Element Zaciskowy
Zapytaj
1 szt.
—
4
1602027009
Dźwignia Zaciskowa
Zapytaj
1 szt.
—
5
1603200008
Trzpień Naciskowy
Zapytaj
1 szt.
—
6
1604615008
Sprężyna Dociskowa
Zapytaj
1 szt.
—
7
1602316000
Wypustka
Zapytaj
1 szt.
—
8
1601901002
DŹWIGNIA POSUWU
Zapytaj
1 szt.
—
9
1603105003
Trzpień Przegubu
Zapytaj
1 szt.
—
10
1608010011
Jarzmo Prowadzące
Zapytaj
1 szt.
—
11
1600700005
Rura Prowadząca
Zapytaj
1 szt.
—
12
1602329014
Pałąk Zaciskowy
Zapytaj
1 szt.
—
13
1603000001
Kołek Prowadzący
Zapytaj
1 szt.
—
14
2916011017
Podkładka
9,00 zł
2 szt.
—
15
2917500094
Kołek Walcowy
Zapytaj
1 szt.
—
16
2915191008
Nakrętka Skrzydełkowa
Zapytaj
2 szt.
—
17
2912091308
Śruba Dwustronna
Zapytaj
2 szt.
—
18
2911061242
Śruba Z Łbem Sześciokątn.
Zapytaj
1 szt.
—
19
2912541291
Śruba Skrzydełkowa
Zapytaj
1 szt.
—
20
2911061911
Śruba Z Łbem Sześciokątn.
Zapytaj
1 szt.
—
21
2916690007
Pierścień Sprężysty
8,00 zł
1 szt.
—
22
2916011019
Podkładka
Zapytaj
2 szt.
—
23
2916080012
Podkładka Zabezpieczająca
9,00 zł
3 szt.
—
700
1600220017
Pierścień Redukcyjny
Zapytaj
1 szt.
—