Części
Maszyny
Kontakt
Home
Maszyny
Stojak wiertarski
Bosch
STOJAK WIERTARSKI BS 7 FRÄSBOHRST
2608180002 -
STOJAK WIERTARSKI Bosch BS 7 FRÄSBOHRST
100%
Poz:
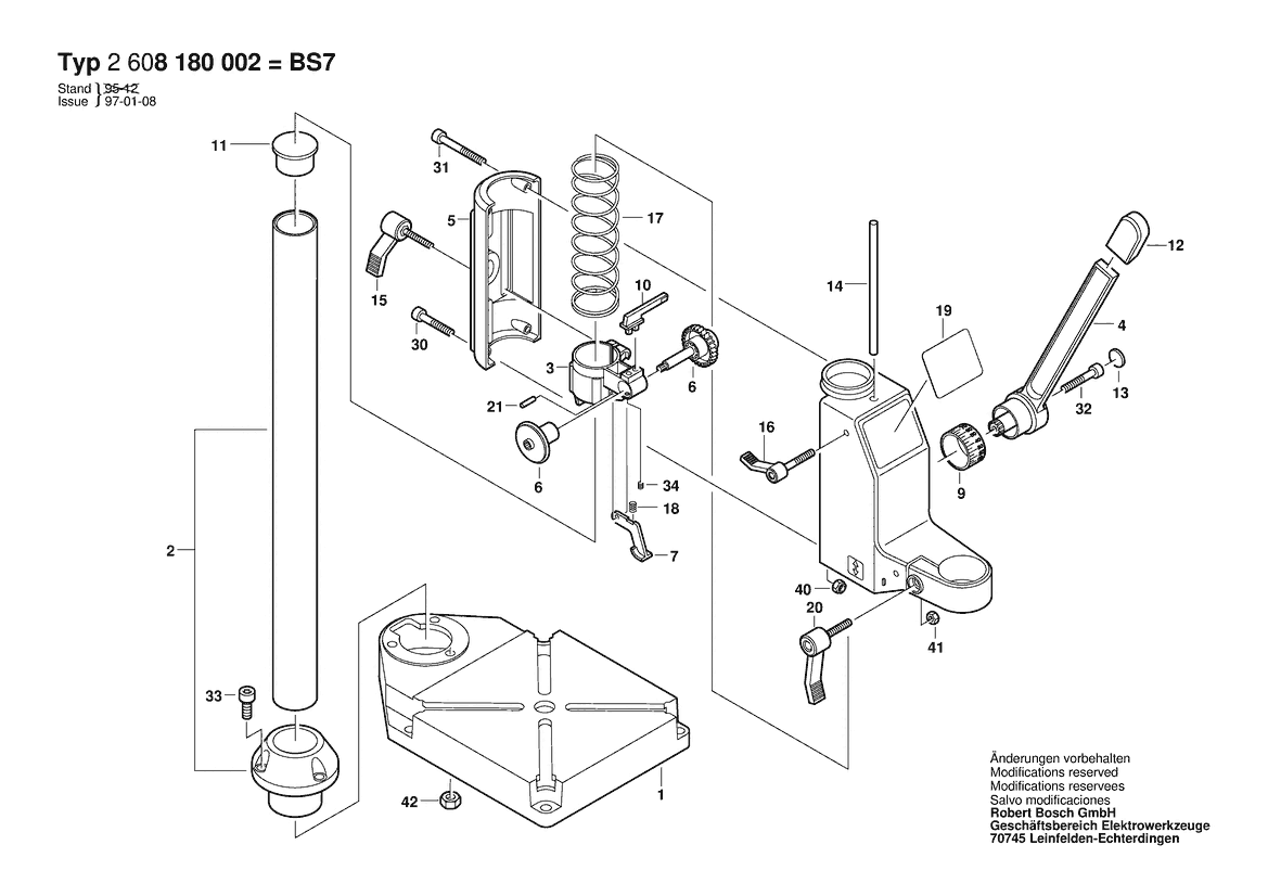
1
2
3
4
5
6
7
8
9
10
11
12
13
14
15
16
17
18
19
20
21
30
31
32
33
34
40
41
42
29 części
Sortuj
Poz.
Nr kat.
Nazwa
Cena brutto
Ilość
Zamów
1
2609390444
Płyta Fundamentowa
Zapytaj
1 szt.
—
2
2609390445
KOLUMNA
Zapytaj
1 szt.
—
3
2609390446
Zderzak
13,65 zł
1 szt.
4
2609390447
RAMIĘ DŹWIGNI
Zapytaj
1 szt.
—
5
2609390448
Pokrywa
Zapytaj
1 szt.
—
6
2609390449
Zestaw Kół Zębatych
Zapytaj
1 szt.
—
7
2609390450
Dźwignia Hamulcowa
Zapytaj
1 szt.
—
8
2609390451
UCHWYT MASZYNOWY
119,06 zł
1 szt.
9
2609390452
POKRĘTŁO Z PODZIAŁKĄ
Zapytaj
1 szt.
—
10
2609390453
Listwa Wskaźników
Zapytaj
1 szt.
—
11
2609390454
UCHWYT WIERTŁĄ
Zapytaj
1 szt.
—
12
2609390455
Uchwyt Kołpaka
Zapytaj
1 szt.
—
13
2609390456
Pokrywa
Zapytaj
1 szt.
—
14
2609390457
Ogran. Miernika Głębok.
Zapytaj
1 szt.
—
15
2609390458
Dźwignia Zaciskowa
Zapytaj
1 szt.
—
16
2609390459
Dźwignia Zderzakowa
Zapytaj
1 szt.
—
17
2609390460
Sprężyna Dociskowa
Zapytaj
1 szt.
—
18
2609390461
Sprężyna Dociskowa
4,06 zł
1 szt.
19
2609390462
TABLICZKA ZNAMIONOWA
Zapytaj
1 szt.
—
20
2609390436
Dźwignia Zaciskowa
Zapytaj
1 szt.
—
21
2917570076
Kołek Walcowy
Zapytaj
1 szt.
—
30
2910141170
Śr.Z Łb.Okr.O Gnieź.Sześ.
8,36 zł
2 szt.
31
2910141178
Śr.Z Łb.Okr.O Gnieź.Sześ.
Zapytaj
2 szt.
—
32
2910141209
Śr.Z Łb.Okr.O Gnieź.Sześ.
Zapytaj
1 szt.
—
33
2910141242
Śr.Z Łb.Okr.O Gnieź.Sześ.
5,29 zł
3 szt.
34
2912060118
Wkręt Bez Łba
Zapytaj
1 szt.
—
40
2915011006
Nakrętka Sześciokątna
Zapytaj
2 szt.
—
41
2915011007
Nakrętka Sześciokątna
4,06 zł
3 szt.
42
2915011009
Nakrętka Sześciokątna
5,29 zł
3 szt.