Części
Maszyny
Kontakt
Home
Maszyny
Stół roboczy
Bosch
STOLIK PILARKI TRENNSCHLEIFSTA
0601999019 -
STOLIK PILARKI Bosch TRENNSCHLEIFSTA
100%
Poz:
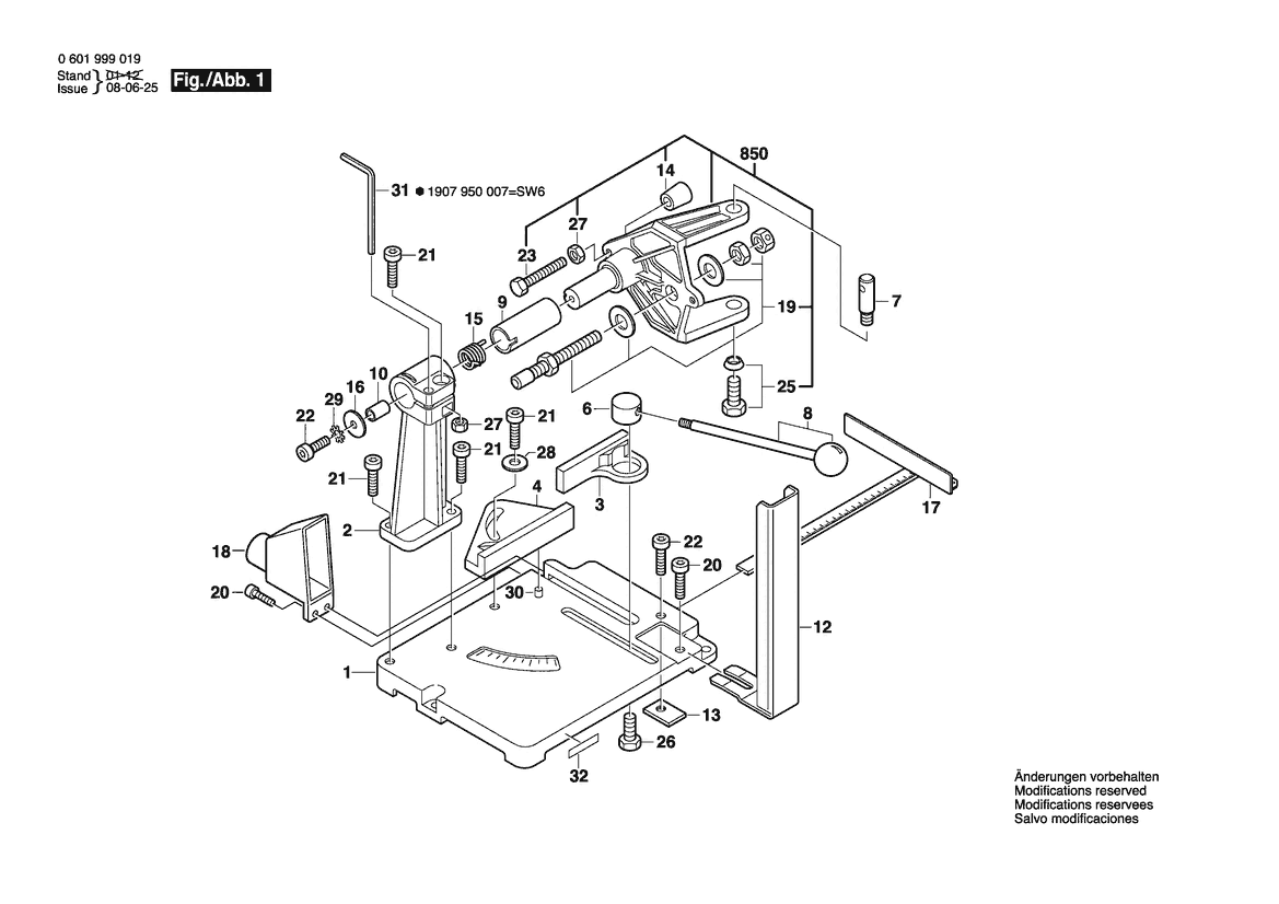
1
2
3
4
6
7
8
9
10
12
13
14
15
16
17
18
19
20
21
22
23
25
26
27
28
29
30
31
32
850
30 części
Sortuj
Poz.
Nr kat.
Nazwa
Cena brutto
Ilość
Zamów
1
2609200267
Płyta Fundamentowa
454,98 zł
1 szt.
2
2609200259
Słup
119,06 zł
1 szt.
3
1609201520
Szczęki Mocujące
119,06 zł
1 szt.
4
1609201519
Szczęki Mocujące
Zapytaj
1 szt.
—
6
2609200261
Mimośród
132,84 zł
1 szt.
7
2609200268
Dźwignia Wychylna
77,74 zł
1 szt.
8
1609201522
Dźwignia Mocująca
38,87 zł
1 szt.
9
2609200262
Tuleja Prowadząca
77,74 zł
1 szt.
10
2609200263
Rura
Zapytaj
1 szt.
—
12
2609200264
Tarcza Ochronna
Zapytaj
1 szt.
—
13
2609200265
Element Zaciskowy
48,83 zł
1 szt.
14
2609200266
Kołpak Ochronny
5,29 zł
1 szt.
15
1609201517
Sprężyna Skrętowa
38,87 zł
1 szt.
16
1600100013
Podkładka
Zapytaj
1 szt.
—
17
2608190002
PROWADNICA WZDŁUŻNA
Zapytaj
1 szt.
—
18
2609200269
Króciec Odsysający
67,65 zł
1 szt.
19
2609201086
ŚRUBA MOCUJACA
Zapytaj
1 szt.
—
20
2910141238
Śr.Z Łb.Okr.O Gnieź.Sześ.
Zapytaj
3 szt.
—
21
2910141242
Śr.Z Łb.Okr.O Gnieź.Sześ.
5,29 zł
4 szt.
22
2910141246
Śr.Z Łb.Okr.O Gnieź.Sześ.
Zapytaj
2 szt.
—
23
2911061254
Śruba Z Łbem Sześciokątn.
Zapytaj
1 szt.
—
25
1609390219
Śruba Z Łbem Sześciokątn.
29,27 zł
1 szt.
26
2911061388
Śruba Z Łbem Sześciokątn.
20,91 zł
1 szt.
27
2915011009
Nakrętka Sześciokątna
5,29 zł
4 szt.
28
2916012885
Podkładka
Zapytaj
1 szt.
—
29
2916030020
Tarcza Zębata
4,06 zł
1 szt.
30
2917580174
Kołek Karbowy Pasowany
Zapytaj
1 szt.
—
31
1907950007
Śrubokręt Przegubowy
16,85 zł
1 szt.
32
2601110601
Tabliczka Firmy
Zapytaj
1 szt.
—
850
2609201087
Zestaw Do Przebudowy
398,52 zł
1 szt.