Części
Maszyny
Kontakt
Home
Maszyny
Stół roboczy
Bosch
STÓŁ PILARSKI 4000 Bare Tool - 10"
0601476260 -
STÓŁ PILARSKI Bosch 4000 Bare Tool - 10"
100%
Poz:
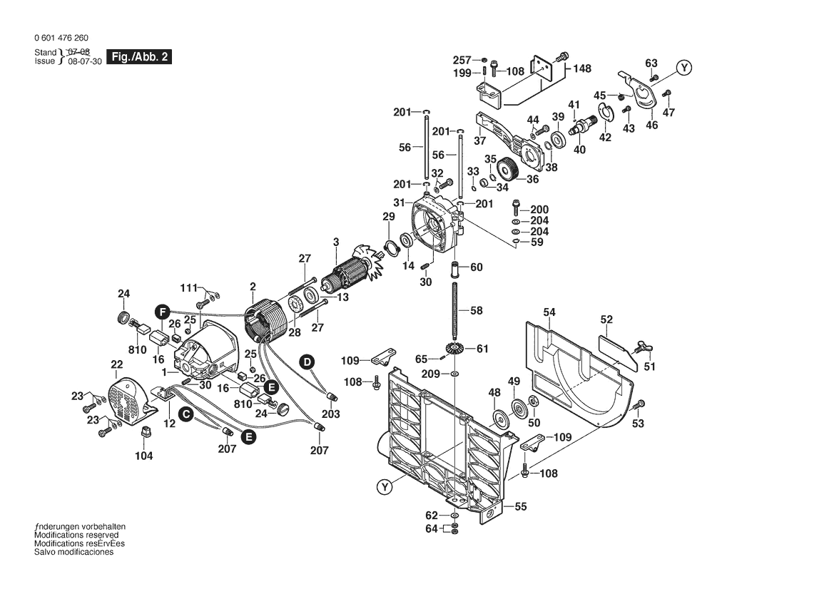
1
2
3
4
5
6
7
8
9
12
13
14
16
19
20
22
23
24
25
26
27
28
29
30
31
32
33
34
35
36
37
38
39
40
41
42
43
44
45
46
47
48
49
50
51
52
53
54
55
56
57
58
59
60
61
62
63
64
65
66
67
68
69
70
72
73
74
75
76
77
78
79
81
82
83
84
85
86
87
89
90
91
92
93
94
95
96
97
98
99
100
101
102
103
104
105
106
107
108
109
110
111
112
113
114
115
116
117
118
119
120
121
122
124
125
126
127
128
129
131
132
133
134
135
138
139
140
141
142
143
144
145
146
147
148
149
150
151
152
153
154
155
156
157
158
159
160
161
162
163
164
165
166
167
168
169
170
171
172
173
174
175
176
177
178
179
180
181
182
183
184
185
186
187
188
189
190
191
192
193
194
195
196
197
198
199
200
201
202
203
204
205
206
207
208
209
211
212
213
214
215
216
217
218
257
801
802
803
810
880
210 części
Sortuj
Poz.
Nr kat.
Nazwa
Cena brutto
Ilość
Zamów
1
1619PA8038
Grupa Silników Et
Zapytaj
1 szt.
—
2
1619PA5590
Stojan
349,69 zł
1 szt.
3
1619PA5591
Twornik
398,52 zł
1 szt.
4
1600A003AU
Zestaw Konserwacyjny
Zapytaj
1 szt.
—
5
2610996945
Przewód Zasil. Sieciowy
Zapytaj
1 szt.
—
6
2610358840
Końcówka
7,13 zł
1 szt.
7
2610358842
Obejma Zaciskowa
5,29 zł
1 szt.
8
2610997805
Płyta Czołowa
Zapytaj
1 szt.
—
9
2610997806
Tabliczka Naklejana
4,06 zł
1 szt.
12
2610997306
Regulator Prędk. Obrotow.
251,90 zł
1 szt.
13
2610004595
Łożysko Kulkowe
38,87 zł
1 szt.
14
2610911927
Łożysko Kulkowe
85,24 zł
1 szt.
16
2610911858
Uchwyt Szczotek
53,26 zł
2 szt.
19
2610358844
Śruba
5,29 zł
2 szt.
20
2610997809
Tabliczka Znamionowa
Zapytaj
1 szt.
—
22
2610996865
Pokrywa
48,83 zł
1 szt.
23
2610018983
Śruba
4,06 zł
5 szt.
24
2610911859
Pokrywa Szczotki
7,13 zł
2 szt.
25
2610327868
Nakrętka
4,06 zł
2 szt.
26
2610911569
Wkładka
8,36 zł
2 szt.
27
2610911929
Śruba
4,06 zł
2 szt.
28
2610996948
Pierścień Gumowy
5,29 zł
1 szt.
29
2610911566
Pokrywa Łożyska
9,59 zł
1 szt.
30
2610355295
Śruba
7,26 zł
4 szt.
31
2610996863
Obudowa Przekładni
Zapytaj
1 szt.
—
32
2610945505
Śruba
Zapytaj
2 szt.
—
33
2610911924
Podkładka Sprężysta
11,07 zł
1 szt.
34
2610996949
Łożysko Kulkowe
48,83 zł
1 szt.
35
2610997281
Pierścień Zabezpieczajacy
4,06 zł
1 szt.
36
2610997208
Koło Zębate
132,84 zł
1 szt.
37
2610996869
Pokrywa Przekładni
85,24 zł
1 szt.
38
2610358916
Pierścień Zabezpieczajacy
Zapytaj
1 szt.
—
39
2610997210
Łożysko Kulkowe
49,45 zł
1 szt.
40
2610997211
Wal Napedowy
110,33 zł
1 szt.
41
2610993102
Sprężyna Krążkowa
7,13 zł
1 szt.
42
2610996932
Tuleja Łożyskowa
8,36 zł
1 szt.
43
2610950089
Śruba
Zapytaj
4 szt.
—
44
2610998572
Śruba
4,18 zł
4 szt.
45
2610996875
Sprężyna Skrętowa
5,29 zł
1 szt.
46
2610996874
Dźwignia Blokująca
33,83 zł
1 szt.
47
2610996876
Wkręt Szyjkowy
5,29 zł
1 szt.
48
2610996870
Kołnierz Mocujący
53,26 zł
1 szt.
49
2610996871
Kołnierz Mocujący
Zapytaj
1 szt.
—
50
2610358858
Nakrętka
8,36 zł
1 szt.
51
2610996879
Śruba Skrzydełkowa
7,13 zł
1 szt.
52
2610996878
Płyta Osłaniająca
Zapytaj
1 szt.
—
53
2610910784
Śruba
Zapytaj
9 szt.
—
54
2610996877
Płyta Osłaniająca
Zapytaj
1 szt.
—
55
2610996861
Płyta Trzymająca
Zapytaj
1 szt.
—
56
2610996862
Kołek Prowadzący
16,85 zł
2 szt.
57
2610997276
Pierścień Zabezpieczajacy
4,06 zł
1 szt.
58
2610996895
Drążek Gwintowany
Zapytaj
1 szt.
—
59
2610998573
Pierścień Zabezpieczajacy
4,06 zł
1 szt.
60
2610997221
Tuleja Łożyskowa
16,85 zł
1 szt.
61
2610996896
Koło Zębate
18,08 zł
2 szt.
62
2610912587
Podkładka
4,06 zł
1 szt.
63
2610998588
Śruba
5,29 zł
1 szt.
64
2610358149
Nakrętka
4,18 zł
2 szt.
65
2610910796
Trzpień
5,29 zł
2 szt.
66
2610997277
Pierścień Zabezpieczajacy
4,06 zł
1 szt.
67
2610997212
Wspornik Kątowy
9,59 zł
1 szt.
68
1619PA5649
Tuleja Łożyskowa
5,29 zł
1 szt.
69
2615297323
Śruba
4,06 zł
2 szt.
70
2610911891
Podkładka Sprężysta
4,06 zł
14 szt.
72
2610996933
Tuleja Gwintowana
48,83 zł
1 szt.
73
2610996938
Tuleja Łożyskowa
28,78 zł
1 szt.
74
2610950125
SZYNA KSZTAŁTOWA
Zapytaj
5 szt.
—
75
2610997271
Sprężyna
5,29 zł
1 szt.
76
2610998550
Podkładka
5,29 zł
1 szt.
77
2610997299
Podkładka
5,29 zł
1 szt.
78
2610997298
Nakrętka
16,85 zł
1 szt.
79
2610996898
Dźwignia Zaciskowa
Zapytaj
1 szt.
—
81
2610911914
Wkręt Bez Łba
7,13 zł
1 szt.
82
2610996925
Guzik
Zapytaj
1 szt.
—
83
2610997270
Wkręt Szyjkowy
7,13 zł
1 szt.
84
2610355278
Śruba
17,10 zł
5 szt.
85
2610996927
Wskazówka
4,06 zł
1 szt.
86
2610355570
Szyba
11,19 zł
2 szt.
87
2610356706
Nakrętka
8,49 zł
2 szt.
89
2610996929
Zderzak
5,29 zł
2 szt.
90
2610996859
Obudowa
Zapytaj
1 szt.
—
91
2610997294
Śruba
4,06 zł
4 szt.
92
2610996924
Pokrywa Wyłącznika
Zapytaj
1 szt.
—
93
2610358846
Tuleja Gumowa
5,29 zł
4 szt.
94
2610996930
Klamra Trzymająca
Zapytaj
2 szt.
—
95
2610996931
Klamra Trzymająca
Zapytaj
1 szt.
—
96
2610910047
Śruba
4,06 zł
8 szt.
97
2610990504
Zacisk Przewodu
4,06 zł
2 szt.
98
2610997273
Śruba
Zapytaj
1 szt.
—
99
2610997246
Nakrętka
5,29 zł
1 szt.
100
2610996880
Klucz Oczkowy
16,85 zł
1 szt.
101
2610997247
Uchwyt Mocujący
11,07 zł
1 szt.
102
2610996922
Zamocowanie
Zapytaj
2 szt.
—
103
2610998574
Śruba
4,06 zł
2 szt.
104
2610998567
Zacisk Przewodu
4,06 zł
3 szt.
105
2610998568
PRZEWÓD ŁĄCZĄCY
20,66 zł
1 szt.
106
2610997297
Śruba
4,06 zł
4 szt.
107
2610910013
Szyba
7,26 zł
4 szt.
108
2610998575
Śruba
4,06 zł
6 szt.
109
2610996894
Kozioł Łożyskowy
16,85 zł
2 szt.
110
2610908271
Wkręt Do Blach
5,29 zł
13 szt.
111
2610998587
Śruba
4,06 zł
4 szt.
112
2610996921
Wspornik
5,29 zł
4 szt.
113
2610996913
Kołek
13,65 zł
2 szt.
114
2610996917
Płyta
5,29 zł
2 szt.
115
2610937294
Tarcza Krzywkowa
31,37 zł
1 szt.
116
2610997275
Kołek
4,06 zł
2 szt.
117
2610997274
Kołek
4,06 zł
2 szt.
118
2610996918
Wkręt Bez Łba
7,13 zł
1 szt.
119
2610996920
Nakrętka Łącząca
Zapytaj
1 szt.
—
120
2610996919
DRĄŻEK
28,78 zł
1 szt.
121
2610994262
Obejma Zaciskowa
7,13 zł
1 szt.
122
2610996915
Element Zaciskowy
33,83 zł
1 szt.
124
2610937289
Rączka Kierownicy
Zapytaj
1 szt.
—
125
2610997217
Zderzak
7,13 zł
2 szt.
126
2610937308
PŁYTA
Zapytaj
1 szt.
—
127
2610996855
SZYNA USTALAJĄCA
Zapytaj
2 szt.
—
128
2610996912
Podkładka Mocująca
18,08 zł
2 szt.
129
2610996856
SZYNA USTALAJĄCA
Zapytaj
2 szt.
—
131
2610951945
Śruba
4,06 zł
12 szt.
132
2610950077
Śruba
4,06 zł
1 szt.
133
2610996941
Wskazówka
Zapytaj
1 szt.
—
134
2610996853
SZYNA KSZTAŁTOWA
Zapytaj
1 szt.
—
135
2610996923
Pokrywa
4,06 zł
1 szt.
138
2610908270
Szyba
Zapytaj
1 szt.
—
139
2610997244
Pokrywa
7,13 zł
1 szt.
140
2610996926
Zderzak
5,29 zł
1 szt.
141
2610997218
Pokrywa
4,06 zł
1 szt.
142
2610996854
SZYNA KSZTAŁTOWA
Zapytaj
1 szt.
—
143
2610997216
Pokrywa
4,06 zł
1 szt.
144
2610996858
PŁYTA
Zapytaj
1 szt.
—
145
2610996928
Blacha Przytrzymująca
Zapytaj
2 szt.
—
146
2610950087
Śruba
4,06 zł
4 szt.
147
2610304772
Nakrętka
5,29 zł
4 szt.
148
2610998577
Kołpak Ochronny
26,32 zł
1 szt.
149
2610997808
Przymiar
Zapytaj
1 szt.
—
150
2610997807
Tabliczka Naklejana
Zapytaj
1 szt.
—
151
2610997227
Wkładka
110,33 zł
1 szt.
152
2610950091
Wkręt Bez Łba
Zapytaj
4 szt.
—
153
2610011716
Sprężyna Trzymająca
4,06 zł
1 szt.
154
2610996900
Kołpak Ochronny
119,06 zł
1 szt.
155
2610997285
Nakrętka Ślizgowa
Zapytaj
2 szt.
—
156
2610996902
SWORZEŃ
Zapytaj
1 szt.
—
157
2610998578
NÓŻ UZĘBIONY
Zapytaj
1 szt.
—
158
2610998579
Pokrętło
Zapytaj
1 szt.
—
159
2610909178
Podkładka
4,06 zł
1 szt.
160
2610996936
Ogranicznik Skośny
Zapytaj
1 szt.
—
161
2610358519
Śruba
4,06 zł
3 szt.
162
2610908272
Nakrętka
4,06 zł
3 szt.
163
2610997213
PODKŁĄDKA
9,59 zł
1 szt.
164
2610358832
Śruba
5,29 zł
3 szt.
165
2610996937
PROFIL PROWADZĄCY
Zapytaj
1 szt.
—
166
2610997214
Wskazówka
7,13 zł
1 szt.
167
2610997215
Zderzak
5,29 zł
1 szt.
168
2615296243
Śruba
Zapytaj
1 szt.
—
169
2610998558
Dźwignia Zaciskowa
Zapytaj
1 szt.
—
170
2610997248
Obudowa
48,83 zł
1 szt.
171
2610997290
Kołek
Zapytaj
1 szt.
—
172
2610997291
Kołek
4,06 zł
2 szt.
173
2610996890
Dźwignia
4,06 zł
1 szt.
174
2610996889
Krzywka
38,87 zł
1 szt.
175
2610997289
Kołek
4,06 zł
1 szt.
176
2610996893
Płyta Zaciskowa
Zapytaj
1 szt.
—
177
2610997288
Kołek
18,08 zł
2 szt.
178
2610996881
UCHWYT
Zapytaj
1 szt.
—
179
2610997249
Wkręt Szyjkowy
4,06 zł
2 szt.
180
2610997223
Płyta Zaciskowa
Zapytaj
1 szt.
—
181
2610997810
Kartka Z Ostrzeżeniem
Zapytaj
1 szt.
—
182
2610996891
Szyna Ślizgowa
Zapytaj
1 szt.
—
183
2610998570
Ramię Podporowe
Zapytaj
1 szt.
—
184
2610358892
Osłona
7,13 zł
1 szt.
185
2610996887
DRĄŻEK
31,37 zł
1 szt.
186
2610911577
Trzpień Trzymający
5,29 zł
1 szt.
187
2610996888
Sprężyna
5,29 zł
1 szt.
188
2610996883
SZYNA KSZTAŁTOWA
Zapytaj
1 szt.
—
189
2610358802
Szyba
5,29 zł
4 szt.
190
2610996884
Obudowa
Zapytaj
1 szt.
—
191
2610996886
Rolka
5,29 zł
1 szt.
192
2610997292
Kołek
5,29 zł
1 szt.
193
2610996885
Płyta Zaciskowa
16,85 zł
1 szt.
194
2610997240
Element Zaciskowy
7,13 zł
1 szt.
195
2610997293
Śruba
4,06 zł
2 szt.
196
2610997245
Śruba Nastawcza
8,36 zł
1 szt.
197
2610911920
Tuleja Gumowa
Zapytaj
1 szt.
—
198
2610998551
Klucz Imbusowy
8,36 zł
1 szt.
199
2610998580
Śruba
4,06 zł
1 szt.
200
2610950108
Śruba
4,06 zł
5 szt.
201
2610992380
Pierścień Zabezpieczajacy
4,06 zł
4 szt.
202
2610997817
Etykieta Samoprzylepna
Zapytaj
1 szt.
—
203
2610358932
Złącze Wtykowe
5,29 zł
1 szt.
204
2610950109
Szyba
4,06 zł
2 szt.
205
2610950110
SZYNA KSZTAŁTOWA
Zapytaj
2 szt.
—
206
2610950111
Suwak
Zapytaj
3 szt.
—
207
2610911933
Łącznik
4,06 zł
2 szt.
208
2610998593
Sprężyna
4,06 zł
1 szt.
209
2610912588
Podkładka
4,06 zł
1 szt.
211
2610912589
Tabliczka Naklejana
Zapytaj
1 szt.
—
212
2610341465
PODKŁADKA
7,13 zł
2 szt.
213
2610913192
Sprężyna Dociskowa
Zapytaj
1 szt.
—
214
2610937290
Oś
Zapytaj
1 szt.
—
215
2610937291
Kątownik Mocujący
9,59 zł
2 szt.
216
2610937292
Kołek Prowadzący
5,29 zł
1 szt.
217
2610937293
Pierścień Sprężysty
4,06 zł
4 szt.
218
2610921458
PODKŁADKA
4,18 zł
2 szt.
257
2610911896
Nakrętka
Zapytaj
1 szt.
—
801
2610997205
Kołpak Ochronny
205,53 zł
1 szt.
802
2610997206
PROWADNICA WZDŁUŻNA
Zapytaj
1 szt.
—
803
2610997204
PRZYMIAR PROSTOKĄTNY
Zapytaj
1 szt.
—
810
2610997207
Zestaw Szczotek Węglowych
48,83 zł
1 szt.
880
1619PB2533
Koło Ręczne
Zapytaj
1 szt.
—