Części
Maszyny
Kontakt
Home
Maszyny
Skrobak
Bosch
SKROBAK ELEKTRYCZNY PSE 180 E
3603C16738 -
SKROBAK ELEKTRYCZNY Bosch PSE 180 E
100%
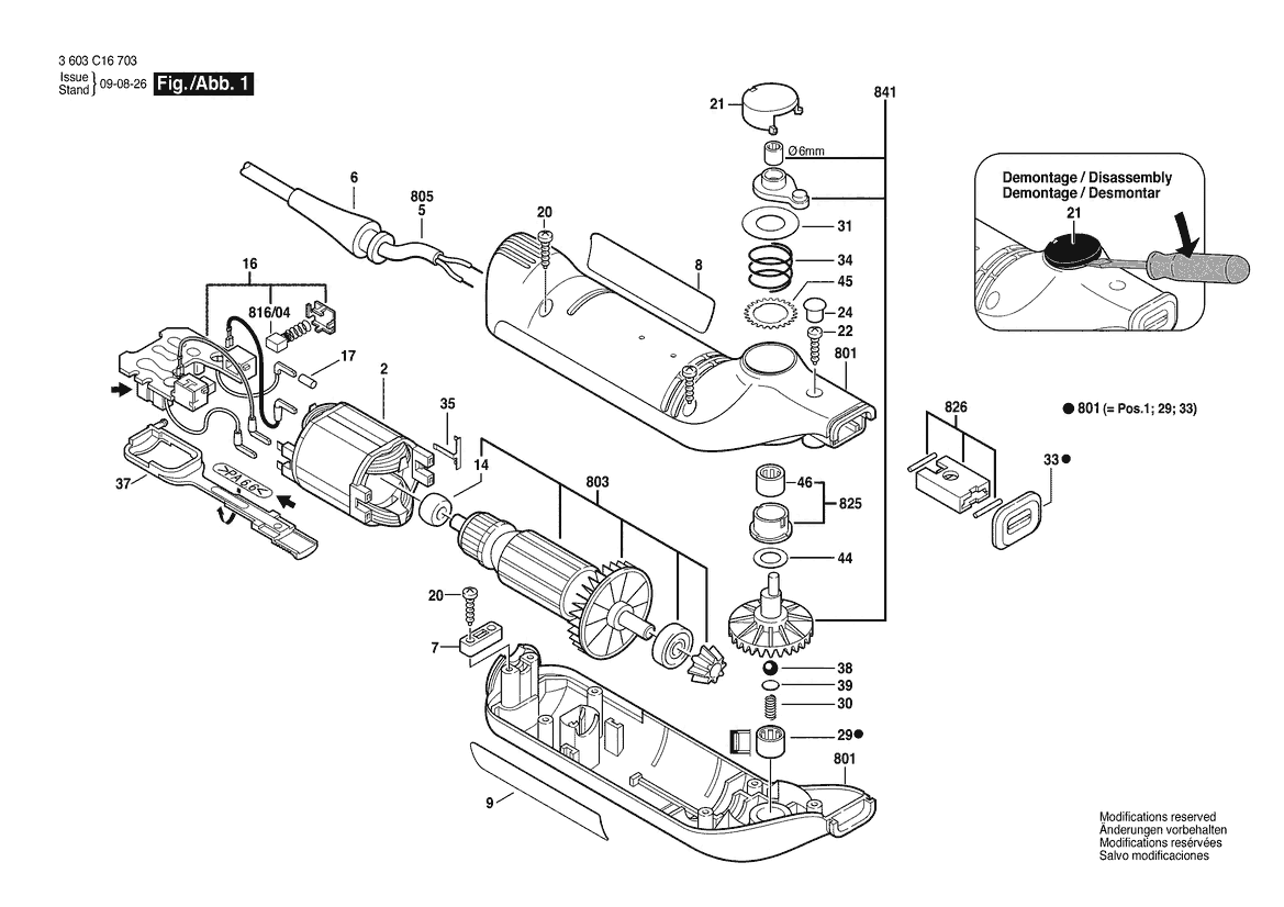
Poz:
2
5
6
7
8
9
14
16
17
20
21
22
24
29
30
31
33
34
35
37
38
39
44
45
46
801
803
825
826
841
816/04
31 części
Sortuj
Poz.
Nr kat.
Nazwa
Cena brutto
Ilość
Zamów
2
2604220563
Stojan
Zapytaj
1 szt.
—
5
2604460127
Przewód Zasil. Sieciowy
60,39 zł
1 szt.
6
1600703032
Końcówka
8,49 zł
1 szt.
7
1611035005
Uchwyt Przewodu
7,13 zł
1 szt.
8
2601111138
TABLICZKA ZNAMIONOWA
Zapytaj
1 szt.
—
9
2601116990
Tabliczka Firmy
Zapytaj
1 szt.
—
14
2600302027
Tuleja Spiekana
18,08 zł
1 szt.
16
2607230124
Nastawnik Prędk. Obrotow.
Zapytaj
1 szt.
—
17
2600409021
Wąż Skurczowy
Zapytaj
4 szt.
—
20
2603490022
Śruba
4,06 zł
6 szt.
21
2600522013
Przycisk Guzikowy
8,36 zł
1 szt.
22
2603490023
Wkręt Soczewkowy Torx
4,06 zł
1 szt.
24
2603126014
Korek
7,13 zł
1 szt.
29
2600917006
Tuleja Igłowa
11,07 zł
1 szt.
30
2604612005
Sprężyna Dociskowa
7,13 zł
1 szt.
31
2600101085
Tarcza Naciskowa
7,13 zł
1 szt.
33
2600712005
Kołpak Ochronny
9,59 zł
1 szt.
34
2604616005
Sprężyna Dociskowa
8,36 zł
1 szt.
35
2601329037
Sprężyna Kontaktowa
5,29 zł
1 szt.
37
2602319009
SUWAK PRZEŁĄCZNIKA
17,10 zł
1 szt.
38
1903230007
Kula
5,29 zł
1 szt.
39
2600000028
Podkładka Regulacyjna
5,29 zł
1 szt.
44
1610101615
Tarcza Oporowa
Zapytaj
1 szt.
—
45
2600190067
Podkładka Regulacyjna
7,13 zł
1 szt.
46
2600910001
Łożysko Igiełkowe
13,65 zł
1 szt.
801
2605190923
Skorupa Obudowy
68,63 zł
1 szt.
803
2604011925
Twornik
Zapytaj
1 szt.
—
825
2605801900
Tuleja Spiekana
18,08 zł
1 szt.
826
2605801901
ŁOŻYSKO
31,37 zł
1 szt.
841
2606100922
Koło Talerzowe
67,65 zł
1 szt.
816/04
2604321923
Zestaw Szczotek Węglowych
Zapytaj
1 szt.
—