Części
Maszyny
Kontakt
Home
Maszyny
Skrobak
Bosch
SKROBAK ELEKTRYCZNY PSE 180 E
3603C16742 -
SKROBAK ELEKTRYCZNY Bosch PSE 180 E
100%
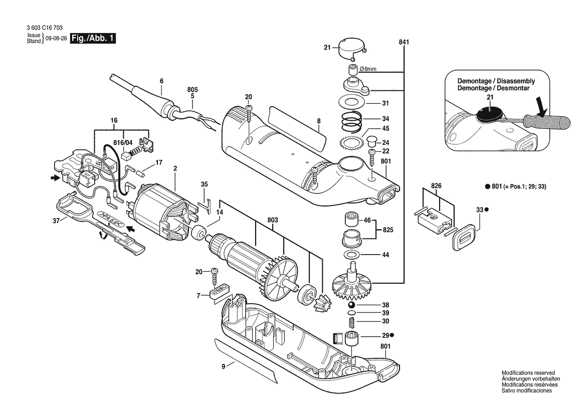
Poz:
2
5
6
7
8
9
14
16
17
20
21
22
24
29
30
31
33
34
35
37
38
39
44
45
46
801
803
825
826
841
816/04
31 części
Sortuj
Poz.
Nr kat.
Nazwa
Cena brutto
Ilość
Zamów
2
2604220705
Stojan
117,00 zł
1 szt.
—
5
2604460124
Przewód Zasil. Sieciowy
Zapytaj
1 szt.
—
6
1600703030
Końcówka
12,00 zł
1 szt.
—
7
2601035001
Uchwyt Przewodu
9,00 zł
1 szt.
—
8
2601111139
TABLICZKA ZNAMIONOWA
7,26 zł
1 szt.
—
9
2601116978
Tabliczka Firmy
15,00 zł
1 szt.
—
14
2600302027
Tuleja Spiekana
22,00 zł
1 szt.
—
16
2607230125
Nastawnik Prędk. Obrotow.
147,48 zł
1 szt.
—
17
2600409021
Wąż Skurczowy
Zapytaj
4 szt.
—
20
2603490022
Śruba
8,00 zł
6 szt.
—
21
2600522013
Przycisk Guzikowy
12,00 zł
1 szt.
—
22
2603490023
Wkręt Soczewkowy Torx
8,00 zł
1 szt.
—
24
2603126014
Korek
11,00 zł
1 szt.
—
29
2600917006
Tuleja Igłowa
15,00 zł
1 szt.
—
30
2604612005
Sprężyna Dociskowa
11,00 zł
1 szt.
—
31
2600101085
Tarcza Naciskowa
11,00 zł
1 szt.
—
33
2600712005
Kołpak Ochronny
13,00 zł
1 szt.
—
34
2604616005
Sprężyna Dociskowa
12,00 zł
1 szt.
—
35
2601329037
Sprężyna Kontaktowa
9,00 zł
1 szt.
—
37
2602319009
SUWAK PRZEŁĄCZNIKA
21,00 zł
1 szt.
—
38
1903230007
Kula
9,00 zł
1 szt.
—
39
2600000028
Podkładka Regulacyjna
9,00 zł
1 szt.
—
44
1610101615
Tarcza Oporowa
Zapytaj
1 szt.
—
45
2600190067
Podkładka Regulacyjna
11,00 zł
1 szt.
—
46
2600910001
Łożysko Igiełkowe
17,00 zł
1 szt.
—
801
2605190923
Skorupa Obudowy
74,00 zł
1 szt.
—
803
2604011924
Twornik
126,00 zł
1 szt.
—
825
2605801900
Tuleja Spiekana
22,00 zł
1 szt.
—
826
2605801901
ŁOŻYSKO
36,00 zł
1 szt.
—
841
2606100922
Koło Talerzowe
92,00 zł
1 szt.
—
816/04
2604321923
Zestaw Szczotek Węglowych
Zapytaj
1 szt.
—