Części
Maszyny
Kontakt
Home
Maszyny
Podkaszarka
Bosch
PODKASZARKA ART 25 F
0600822168 -
PODKASZARKA Bosch ART 25 F
100%
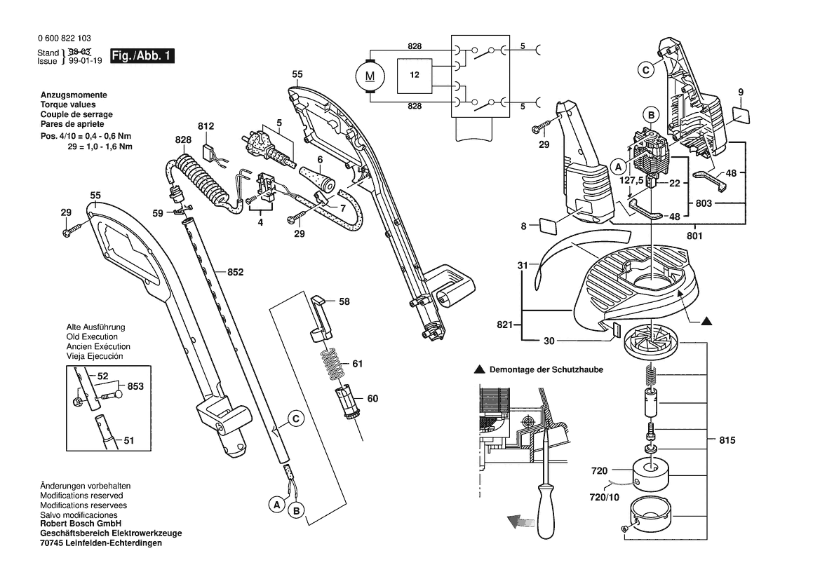
Poz:
4
5
6
7
9
22
29
30
48
55
58
59
60
61
803
812
815
821
828
852
853
21 części
Sortuj
Poz.
Nr kat.
Nazwa
Cena brutto
Ilość
Zamów
4
1607200116
Wyłącznik
Zapytaj
1 szt.
—
5
1604460184
Przewód Zasil. Sieciowy
119,06 zł
1 szt.
6
1600703026
Końcówka
7,13 zł
1 szt.
7
2601035001
Uchwyt Przewodu
5,29 zł
1 szt.
9
1601118035
Tabliczka Firmy
Zapytaj
1 szt.
—
22
1608040116
Uchwyt Zaciskowy
Zapytaj
1 szt.
—
29
2914201506
Wkręt Soczewkowy
4,06 zł
19 szt.
30
1608635042
PŁYTA NOŻOWA
Zapytaj
1 szt.
—
48
1601016012
Płytka Gumowa
Zapytaj
2 szt.
—
55
1605133040
Uchwyt Miski
Zapytaj
1 szt.
—
58
1600499008
Tuleja Prowadząca
Zapytaj
1 szt.
—
59
1602388032
Płyta Zderzakowa
Zapytaj
1 szt.
—
60
1600499009
Pochwa Tulejowa Sprężyny
Zapytaj
1 szt.
—
61
1604615013
Sprężyna Dociskowa
Zapytaj
1 szt.
—
803
1607220033
Silnik Prądu Przemiennego
Zapytaj
1 szt.
—
812
1607328028
Filtr Przeciwzakłóceniowy
13,65 zł
1 szt.
815
F016102658
ZASOBNIK
Zapytaj
1 szt.
—
821
1607000954
Kołpak Ochronny
Zapytaj
1 szt.
—
828
1604420024
PRZEWÓD ŁĄCZĄCY
Zapytaj
1 szt.
—
852
1607000870
Rura Prowadząca
Zapytaj
1 szt.
—
853
1607000255
Śruba Okrągła Płaska
Zapytaj
1 szt.
—